Maxim Integrated MAX9258AEVKIT#Interface Development Tools MAX9257A/58A Eval Kit
Description
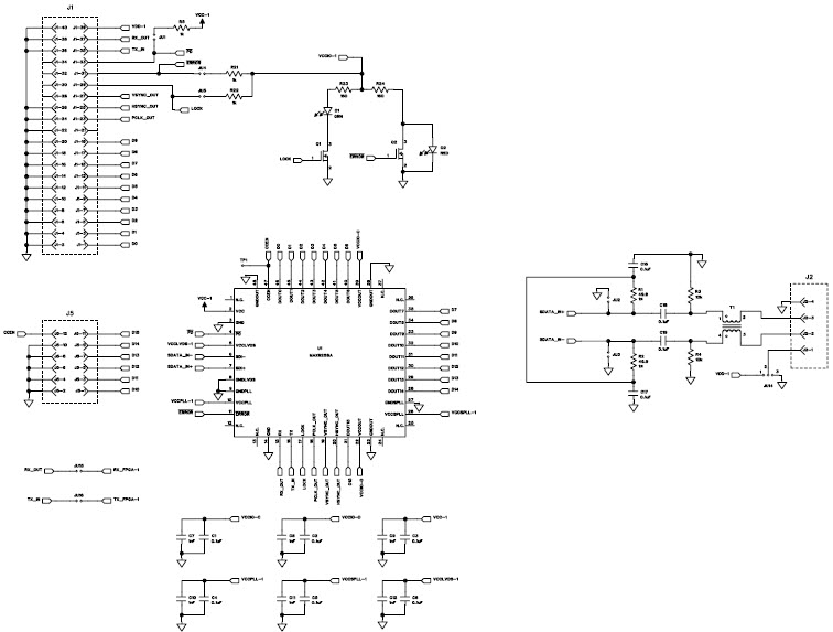
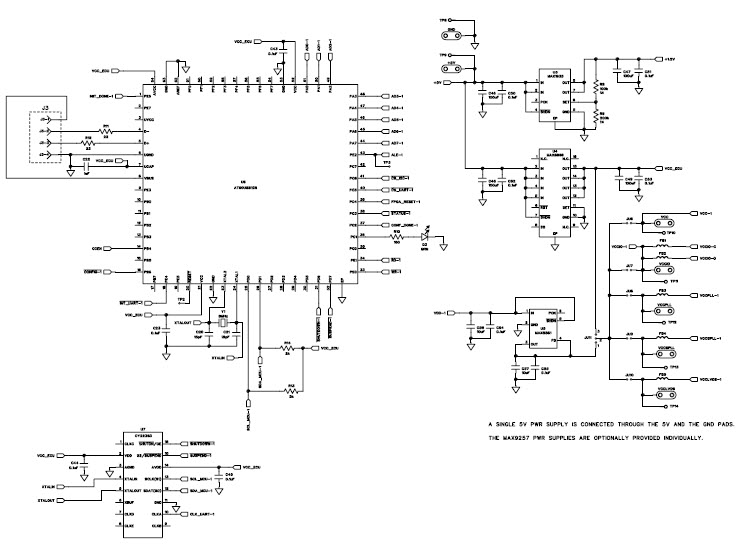
The Maxim Integrated MAX9258AEVKIT-AEVKIT# is an evaluation board for featuring the MAX9258A deserializer (SerDes). This board is designed to emulate an electronic control unit (ECU) and a camera for automotive and transportation applications. It includes the MAX9258A deserializer, a MAX9258A serializer, and a MAX9258A transceiver. The board also features a variety of connectors, including a USB Type-C connector, a MIPI CSI-2 connector, and a MIPI D-PHY connector. The board also includes a power supply, a USB-to-UART bridge, and a variety of other components. The board is designed to provide a complete evaluation platform for the MAX9258A deserializer, allowing users to quickly and easily evaluate the performance of the device.
Specifications
Maxim Integrated technical specifications, attributes, parameters and parts with similar specifications to Maxim Integrated .
- TypeParameter
- Factory Lead Time8 Weeks
- Published2011
- Part StatusActive
- Moisture Sensitivity Level (MSL)1 (Unlimited)
- TypeInterface
- Base Part NumberMAX9258
- FunctionDeserializer
- Operating Supply Voltage5V
- Max Input Voltage5V
- Utilized IC / PartMAX9258A
- Supplied ContentsBoard(s), Cable(s)
- Evaluation KitYes
- EmbeddedYes, Other
- Secondary AttributesGraphical User Interface
- Height30mm
- Length297mm
- Width210mm
- RoHS StatusROHS3 Compliant
0 Similar Products Remaining
Technical Documents
Associated Products
| Part Number | Manufacturer | Description | Stock | RFQ |
|---|---|---|---|---|
| Analog Devices | IC REG LINEAR 500MA | 102001 | BUY |


Product
Brand
Articles
Tools
















