Maxim Integrated MAX9282ACOAXEVKIT#EVAL KIT FOR MAX9282
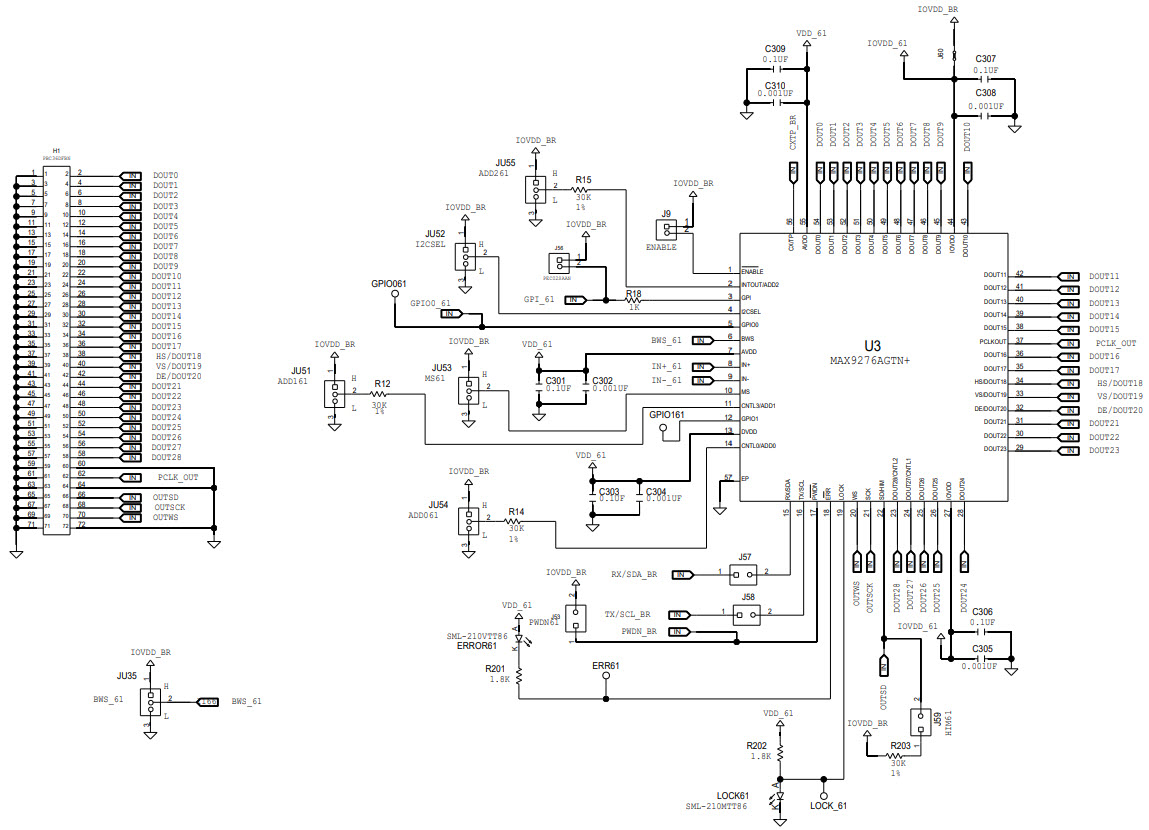
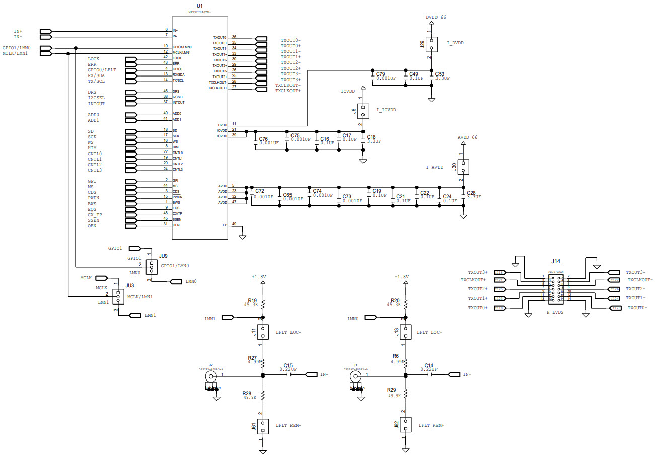
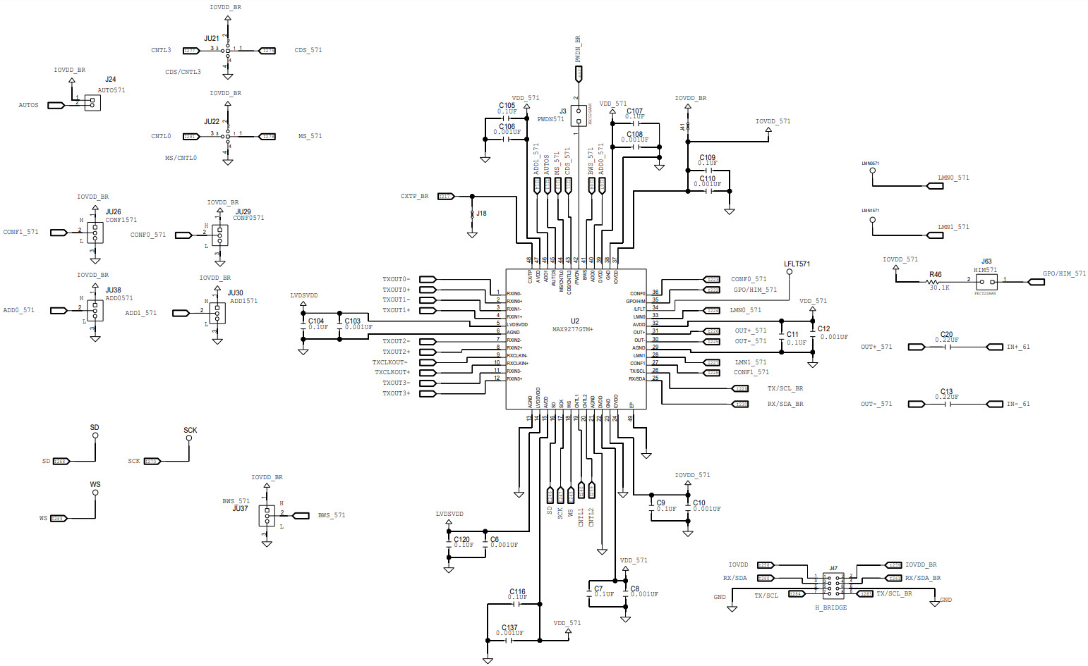
The MAX9282ACOAXEVKIT-ACOAXEVKIT# is an evaluation kit for the MAX9282A 3.12Gbps GMSL Deserializer for Coax or STP Input and LVDS Output. This kit is designed for automotive and transportation applications. It includes a MAX9282A deserializer, a MAX9286A serializer, and a MAX9288A deserializer. The MAX9282A deserializer supports up to 3.12Gbps data rate and provides LVDS output. It is designed to receive serial data from either coax or STP cables. The MAX9286A serializer is designed to transmit serial data over coax or STP cables. The MAX9288A deserializer is designed to receive serial data from either coax or STP cables and provides LVDS output. The kit also includes a power supply, cables, and a USB-to-serial adapter. The evaluation board is designed to allow users to quickly evaluate the performance of the MAX9282A deserializer.
- TypeParameter
- Factory Lead Time6 Weeks
- Published2016
- Part StatusActive
- Moisture Sensitivity Level (MSL)1 (Unlimited)
- TypeInterface
- Base Part NumberMAX9282
- FunctionDeserializer
- Utilized IC / PartMAX9282A
- Supplied ContentsBoard(s)
- Evaluation KitYes
- REACH SVHCNo SVHC
- RoHS StatusROHS3 Compliant
| Part Number | Manufacturer | Description | Stock | RFQ |
|---|---|---|---|---|
| FTDI, Future Technology Devices International Ltd | IC USB FS SERIAL UART 32-LQFP | 500 | RFQ | |
| Maxim Integrated | DS89C450 Series 64 kB Flash 1 kB RAM 33 MHz 8-Bit Microcontroller - TQFP-44 | 10006 | BUY | |
| FTDI, Future Technology Devices International Ltd | USB-to-UART 1-CH 128byte FIFO 5V 32-Pin LQFP Tray | 83 | BUY | |
| Abracon LLC | CRYSTAL 14.7456MHZ 18PF SMD | 16350 | BUY |


Product
Brand
Articles
Tools






















