Maxim Integrated MAX9288COAXEVKIT#EV KIT FOR 3.12 GBPS GMSL ESERIA
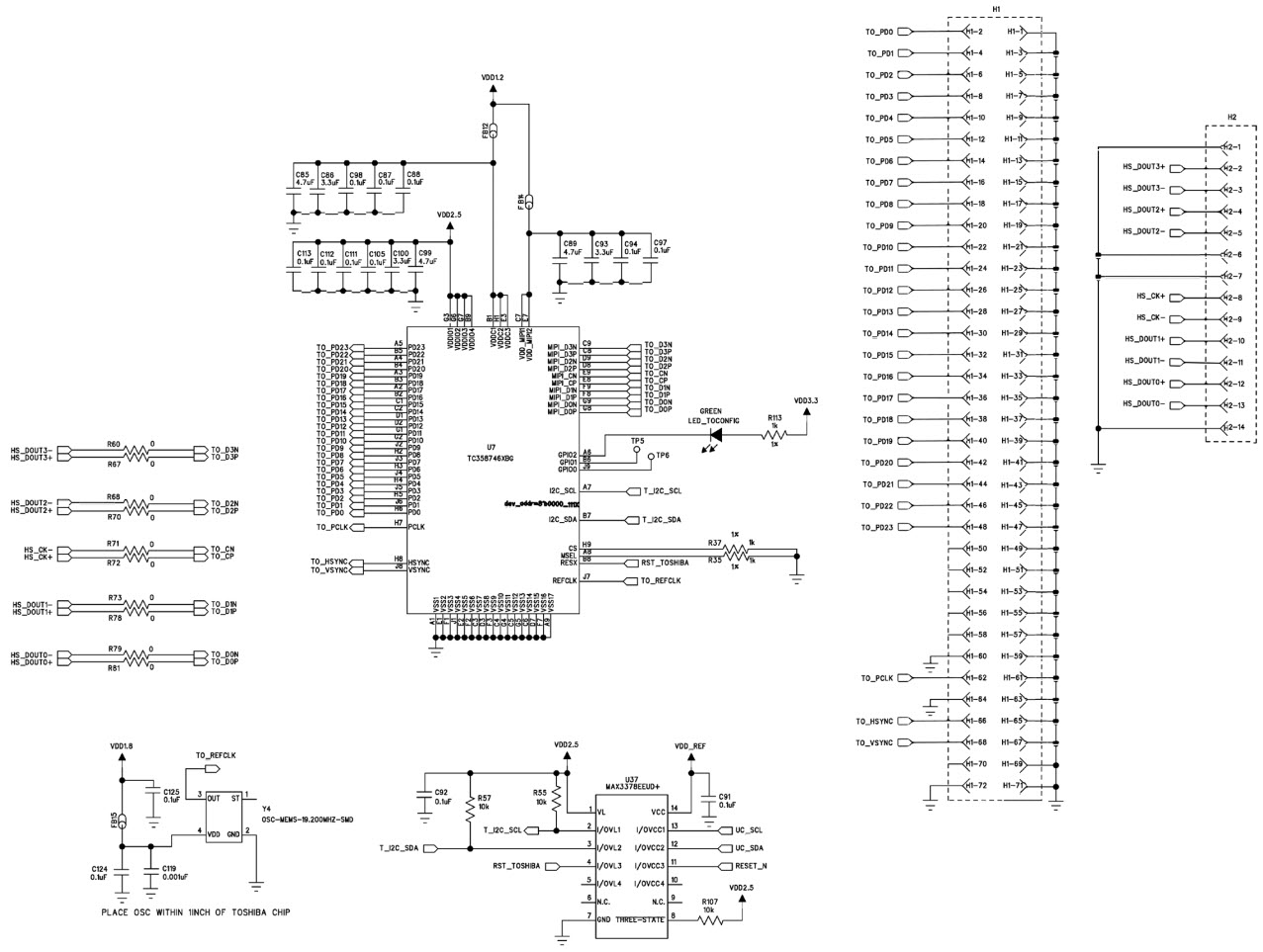
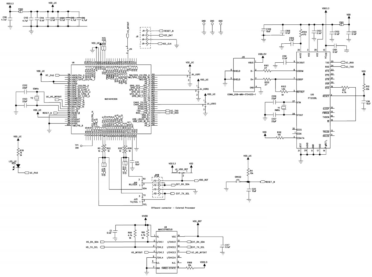
The MAX9288COAXEVKIT-COAXEVKIT# is an evaluation kit for the MAX9288 3.12 Gbps GMSL Deserializer for Coax or STP Input and MIPI CSI-2 Output, Automotive and Transportation. This kit provides a complete platform for evaluating the MAX9288 deserializer, which is designed to support high-speed serial data transmission over coax or shielded twisted pair (STP) cables. It features a low-power, low-latency, and low-jitter design, making it ideal for automotive and transportation applications. The kit includes a MAX9288 evaluation board, a MAX9288 evaluation board power supply, a MAX9288 evaluation board USB cable, and a MAX9288 evaluation board user guide. The evaluation board also includes a MAX9288 deserializer, a MAX9288 serializer, and a MAX9288 reference clock. The kit also includes a MAX9288 evaluation board software package, which provides a graphical user interface (GUI) for configuring and testing the MAX9288 deserializer.
- TypeParameter
- Part StatusActive
- Moisture Sensitivity Level (MSL)1 (Unlimited)
- RoHS StatusNon-RoHS Compliant
| Part Number | Manufacturer | Description | Stock | RFQ |
|---|---|---|---|---|
| Texas Instruments | TEXAS INSTRUMENTS LM317KTTR. IC, ADJ LINEAR REG 1.25V TO 37V TO-263-3 | 10000 | RFQ | |
| FTDI, Future Technology Devices International Ltd | IC USB FS SERIAL UART 32-LQFP | 500 | RFQ | |
| Abracon LLC | OSC MEMS 19.20MHZ CMOS SMD | 200000 | BUY | |
| Abracon LLC | CRYSTAL 14.7456MHZ 18PF SMD | 16350 | BUY |


Product
Brand
Articles
Tools

















