Maxim Integrated MAX9281COAXEVKIT#EVKIT OF SERIALIZER WITH SERIAL
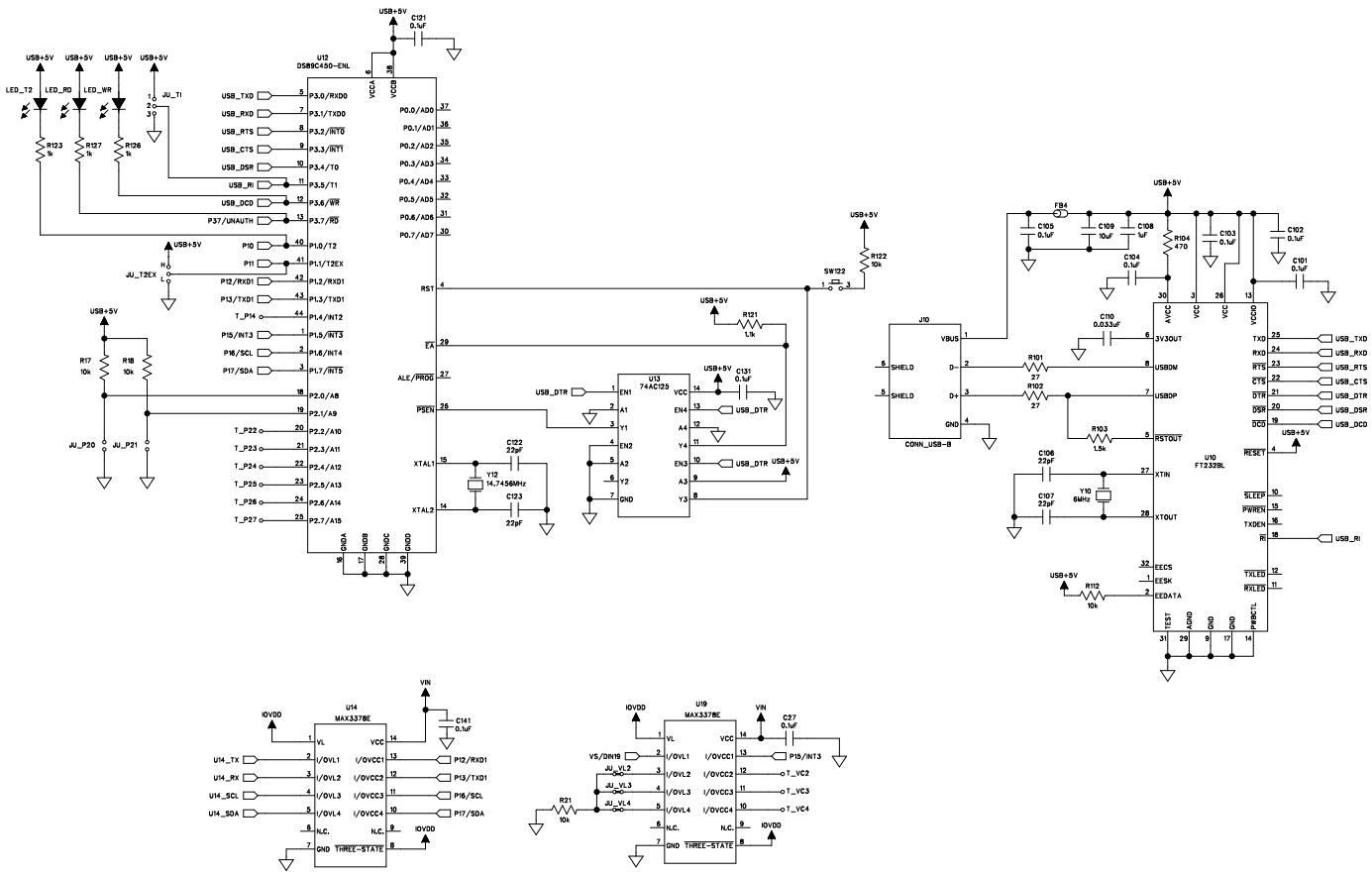
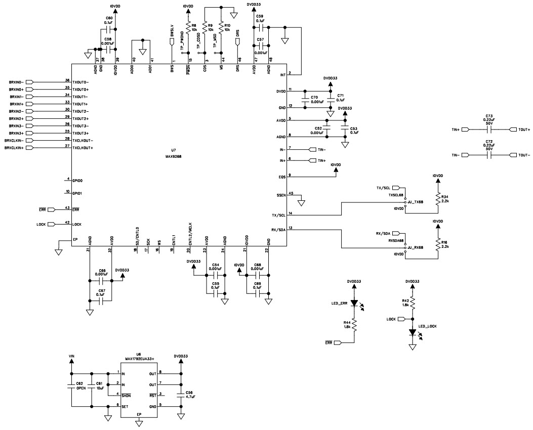
The MAX9281COAXEVKIT-COAXEVKIT# is an evaluation kit for the MAX9281 3.12Gbps GMSL serializer for coax or STP output drive and LVDS input. This kit is designed for automotive and transportation applications. It includes a MAX9281 serializer, a MAX9281 deserializer, a MAX9281 evaluation board, a MAX9281 coaxial cable, and a MAX9281 STP cable. The MAX9281 serializer is a low-power, high-speed serializer that supports up to 3.12Gbps data rates. It is designed to drive either coaxial or shielded twisted pair (STP) cables. The MAX9281 deserializer is a low-power, high-speed deserializer that supports up to 3.12Gbps data rates. It is designed to receive data from either coaxial or shielded twisted pair (STP) cables. The MAX9281 evaluation board provides a platform for evaluating the performance of the MAX9281 serializer and deserializer. The MAX9281 coaxial cable and MAX9281 STP cable are used to connect the MAX9281 serializer and deserializer. This evaluation kit is ideal for automotive and transportation applications that require high-speed data transmission over long distances.
- TypeParameter
- Factory Lead Time6 Weeks
- Part StatusActive
- Moisture Sensitivity Level (MSL)1 (Unlimited)
- RoHS StatusNon-RoHS Compliant
| Part Number | Manufacturer | Description | Stock | RFQ |
|---|---|---|---|---|
| Maxim Integrated | MAXIM INTEGRATED PRODUCTS MAX1792EUA18 LIN, REG, 0.5A, /-1%, 1.8V/ADJ, 8MAX | 20 | RFQ | |
| FTDI, Future Technology Devices International Ltd | USB-to-UART 1-CH 128byte FIFO 5V 32-Pin LQFP Tray | 83 | BUY |


Product
Brand
Articles
Tools

















