Maxim Integrated MAX9279COAXEVKIT#EVKIT OF SERIALIZER WITH PARALLE
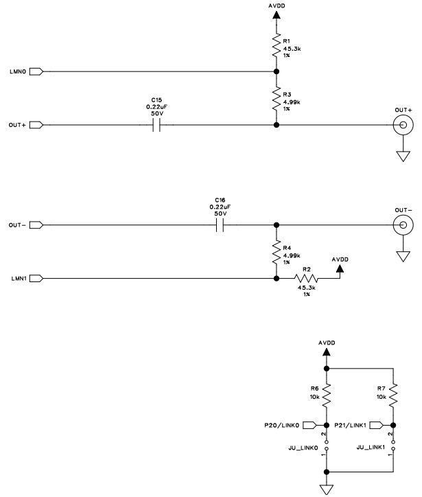
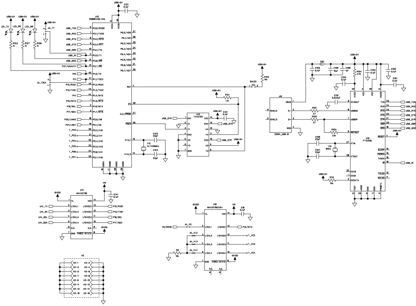
The MAX9279COAXEVKIT-COAXEVKIT# is an evaluation kit (EV kit) for the MAX9279 High-Band Width Gigabit Multimedia Serial Link (GMSL) Serializer, designed for automotive and transportation applications. This EV kit provides a complete platform for evaluating the MAX9279 GMSL serializer, which is capable of transmitting high-bandwidth video, audio, and control data over a single coaxial cable. The kit includes two boards, one for the transmitter and one for the receiver, as well as a coaxial cable and power supplies. The kit also includes a software GUI for configuring the MAX9279 and monitoring its performance. The MAX9279COAXEVKIT-COAXEVKIT# is an ideal solution for evaluating the MAX9279 GMSL serializer in automotive and transportation applications.
- TypeParameter
- Part StatusActive
- Moisture Sensitivity Level (MSL)1 (Unlimited)
- RoHS StatusNon-RoHS Compliant
| Part Number | Manufacturer | Description | Stock | RFQ |
|---|---|---|---|---|
| FTDI, Future Technology Devices International Ltd | IC USB FS SERIAL UART 32-LQFP | 500 | RFQ | |
| Maxim Integrated | MAXIM INTEGRATED PRODUCTS MAX1792EUA18 LIN, REG, 0.5A, /-1%, 1.8V/ADJ, 8MAX | 20 | RFQ | |
| FTDI, Future Technology Devices International Ltd | USB-to-UART 1-CH 128byte FIFO 5V 32-Pin LQFP Tray | 83 | BUY | |
| Maxim Integrated | IC TRNSLTR BIDIRECTIONAL 12UCSP | 5000 | BUY | |
| Maxim Integrated | IC REG LIN POS ADJ 500MA 8-UMAX | 85 | RFQ |


Product
Brand
Articles
Tools














