Maxim Integrated MAX9737EVKIT+KIT EVAL FOR MAX9737
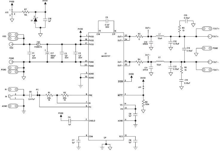
The Maxim Integrated MAX9737EVKIT+ is an evaluation kit for the MAX9737 7W, 1-Channel, Class-D Audio Power Amplifier for CRT Monitor, Computers and Peripherals. This kit includes the MAX9737 amplifier, a power supply, a speaker, and a set of cables and connectors. The MAX9737 amplifier is designed to provide high-quality audio output for CRT monitors, computers, and peripherals. It features a low-noise, low-distortion design, and is capable of delivering up to 7W of power. The kit also includes a power supply and a speaker, allowing users to easily test the amplifier's performance. The included cables and connectors make it easy to connect the amplifier to a variety of devices. The MAX9737EVKIT+ is an ideal solution for evaluating the performance of the MAX9737 amplifier.
- TypeParameter
- Factory Lead Time6 Weeks
- PackagingBox
- Published2008
- Part StatusActive
- Moisture Sensitivity Level (MSL)1 (Unlimited)
- Resistance8Ohm
- Voltage - Supply8V~28V
- Output Type1-Channel (Mono)
- Min Input Voltage8V
- Amplifier TypeClass D
- Max Input Voltage28V
- Utilized IC / PartMAX9737
- Supplied ContentsBoard(s)
- Evaluation KitYes
- Max Output Power13W
- Board TypeFully Populated
- Max Output Power x Channels @ Load13W x 1 @ 4 Ω
- Height30mm
- Length297mm
- Width210mm
- Radiation HardeningNo
- RoHS StatusROHS3 Compliant


Product
Brand
Articles
Tools













