Maxim Integrated MAX9744EVKIT+EV Kits Is Fully Assembled And Tested Surface-Mount Circuit Board
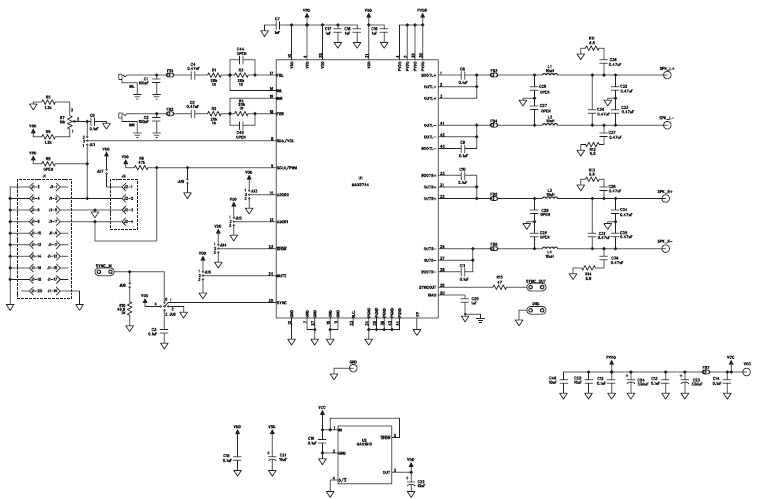
The MAX9744EVKIT+ is an evaluation kit for the MAX9744 20W, 2-Channel, Class-D Audio Power Amplifier for Docking Station, Audio System. This kit includes a MAX9744EVKIT+ board, a MAX9744EVKIT+ power supply, and a MAX9744EVKIT+ software CD. The MAX9744EVKIT+ board features two channels of Class-D audio power amplification, with a maximum output power of 20W per channel. It also includes a headphone amplifier, a low-noise microphone preamplifier, and a stereo line-level input. The MAX9744EVKIT+ power supply provides the necessary power for the board, and the MAX9744EVKIT+ software CD provides the necessary software for configuring and testing the board. The MAX9744EVKIT+ is an ideal solution for designing and testing audio systems for docking stations and other audio applications.
- TypeParameter
- Factory Lead Time6 Weeks
- MountSurface Mount
- PackagingBox
- Part StatusActive
- Moisture Sensitivity Level (MSL)1 (Unlimited)
- Output Power20W
- Evaluation KitYes
- Radiation HardeningNo
- RoHS StatusNon-RoHS Compliant


Product
Brand
Articles
Tools









