Maxim Integrated MAX9768EVKIT+Audio IC Development Tools MAX9768 Eval Kit
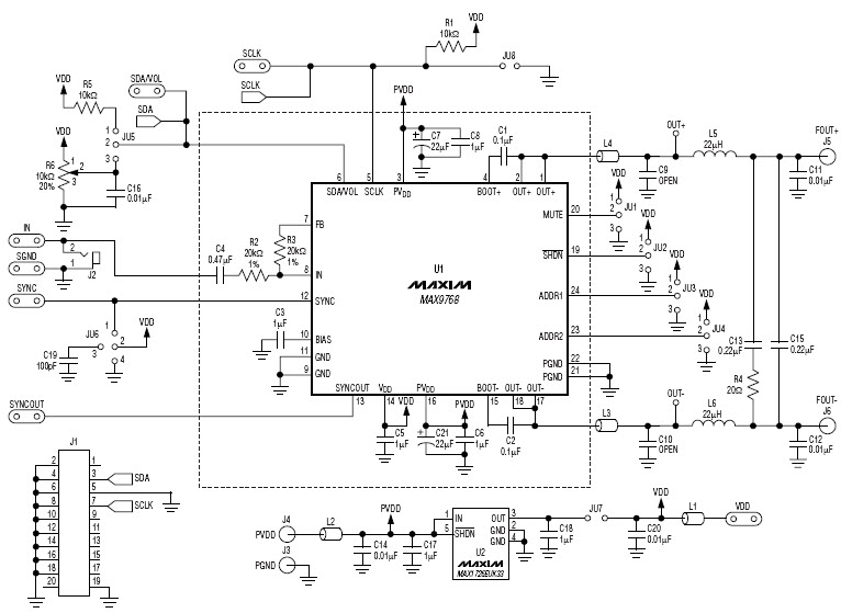
The MAX9768EVKIT+ Evaluation Kit from Maxim Integrated is designed to evaluate the MAX9768 10W, 1-Channel, Class-D Audio Power Amplifier for Flat Panel Display and Consumer Electronics. This kit includes a MAX9768EVKIT+ board, a MAX9768EVKIT+ daughter board, and a MAX9768EVKIT+ power supply. The MAX9768EVKIT+ board features a MAX9768 10W, 1-Channel, Class-D Audio Power Amplifier, a MAX9768EVKIT+ daughter board with a MAX9768EVKIT+ power supply, and a MAX9768EVKIT+ audio input connector. The MAX9768EVKIT+ board also includes a MAX9768EVKIT+ power supply, a MAX9768EVKIT+ audio output connector, and a MAX9768EVKIT+ power switch. The MAX9768EVKIT+ board is designed to provide a complete evaluation platform for the MAX9768 10W, 1-Channel, Class-D Audio Power Amplifier for Flat Panel Display and Consumer Electronics.
- TypeParameter
- Factory Lead Time6 Weeks
- PackagingBox
- Published2007
- Part StatusActive
- Moisture Sensitivity Level (MSL)1 (Unlimited)
- Voltage - Supply4.5V~14V
- Output Type1-Channel (Mono)
- Operating Supply Voltage14V
- InterfaceI2C, USB
- Operating Supply Current3A
- Amplifier TypeClass D
- Utilized IC / PartMAX9768
- Supplied ContentsBoard(s)
- Evaluation KitYes
- Max Output Power10W
- Board TypeFully Populated
- Max Output Power x Channels @ Load10W x 1 @ 8 Ω
- Radiation HardeningNo
- RoHS StatusROHS3 Compliant


Product
Brand
Articles
Tools













