Microchip Technology AT91SAM7X-EKATMEL AT91SAM7X-EK Demonstration Kit, ATMEGA169, AVR Butterfly, 8bit, LCD with 120 Segment, Joystick
Description
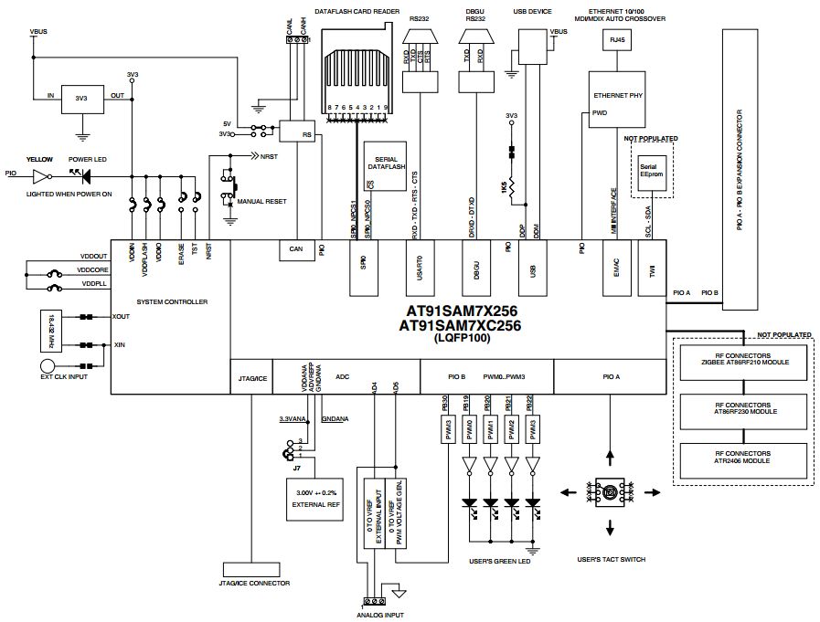
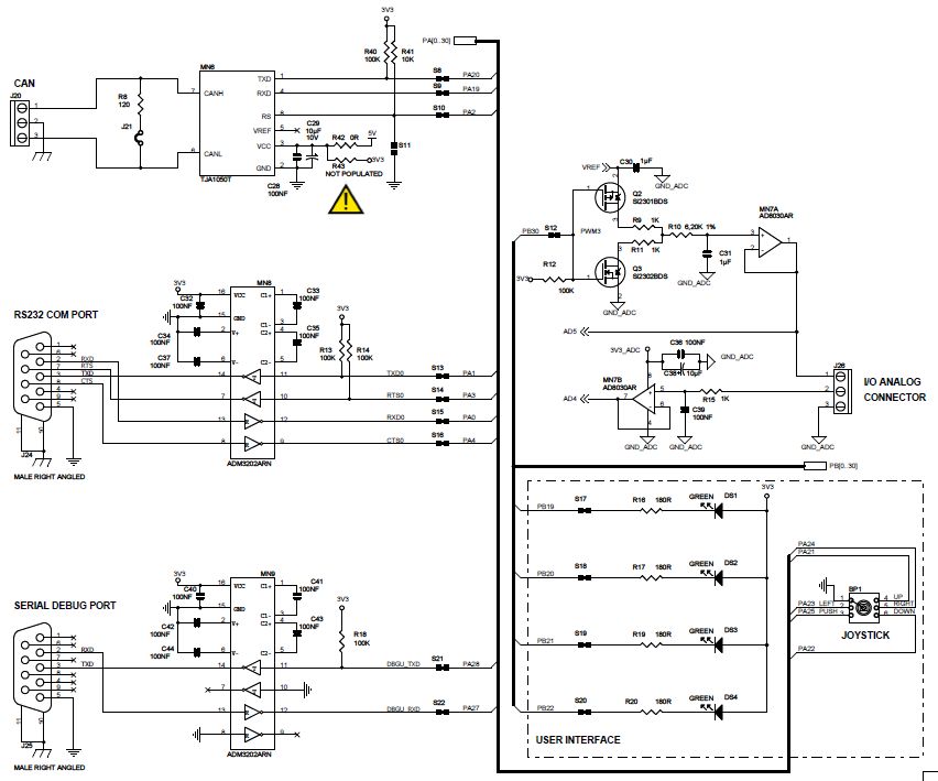
The Microchip Technology AT91SAM7X-EK Evaluation Board is an industrial grade development platform based on the AT91SAM7X 32-bit ARM7 MCU. It is designed to provide a comprehensive evaluation and development environment for the AT91SAM7X MCU. The board features a wide range of peripherals, including Ethernet, USB, CAN, and LCD controllers, as well as a wide range of analog and digital I/O. The board also includes a JTAG interface for debugging and programming, and a comprehensive set of software development tools. The board is ideal for industrial applications, such as motor control, industrial automation, and embedded systems.
Specifications
Microchip Technology technical specifications, attributes, parameters and parts with similar specifications to Microchip Technology .
- TypeParameter
- Factory Lead Time13 Weeks
- Mounting TypeFixed
- Package / Case120
- SeriesAT91SAM7
- Published2007
- Part StatusObsolete
- Moisture Sensitivity Level (MSL)1 (Unlimited)
- TypeMCU 32-Bit
- InterfaceEthernet, RS-232, USB
- Number of Bits32
- Core ProcessorARM7
- Data Bus Width32b
- Utilized IC / PartAT91SAM7X
- Evaluation KitYes
- Core ArchitectureARM
- ContentsBoard(s), Cable(s), Power Supply
- Board TypeEvaluation Platform
- REACH SVHCNo SVHC
- RoHS StatusROHS3 Compliant
- Lead FreeLead Free
0 Similar Products Remaining
Technical Documents
Associated Products
| Part Number | Manufacturer | Description | Stock | RFQ |
|---|---|---|---|---|
| Analog Devices Inc. | ANALOG DEVICES AD8030ARZOperational Amplifier, Dual, 125 MHz, 2 Amplifier, 60 V/s, 2.7V to 12V, SOIC, 8 Pins | 29 | RFQ | |
| Texas Instruments | IC REG LIN 3.3V 400MA SOT223-6 | 0 | RFQ | |
| Texas Instruments | IC REG LIN 3.3V 400MA SOT223-6 | 11 | BUY | |
| Analog Devices Inc. | Dual Transmitter/Receiver RS-232 16-Pin SOIC N T/R | 33 | RFQ | |
| Analog Devices Inc. | High Speed Operational Amplifiers Lo Pwr Hi Spd RRIO | 0 | RFQ | |
| NXP USA Inc. | CAN 1MBd Silent 5V 8-Pin SO T/R | 3226 | RFQ | |
| Analog Devices Inc. | TRANSCEIVER, 3.3V, 460KBPS, 16SOIC | 1000 | RFQ | |
| Analog Devices Inc. | IC TXRX DUAL RS232 3.3V 16SOIC | 52 | RFQ | |
| Texas Instruments | IC REG LIN 3.3V 400MA SOT223-6 | 5172 | RFQ | |
| Texas Instruments | TEXAS INSTRUMENTS LM4120AIM5-3.0/NOPB VOLTAGE REF, SERIES, 3V, SOT-23-5 | 0 | BUY |


Product
Brand
Articles
Tools



























