Microchip Technology AT91SAM9263-EKKIT EVAL FOR AT91SAM9263
Applications:
Embedded System >
Microcontroller
End Products:
IndustrialIndustrial Automation HMIVideo and ImagingHome EntertainmentComputers and PeripheralsSecurity and Access ControlMobile Internet DeviceIndustrial Programmable Logic Controllers (PLCs)Smart PhoneBuilding ManagementNetwork Interface Device
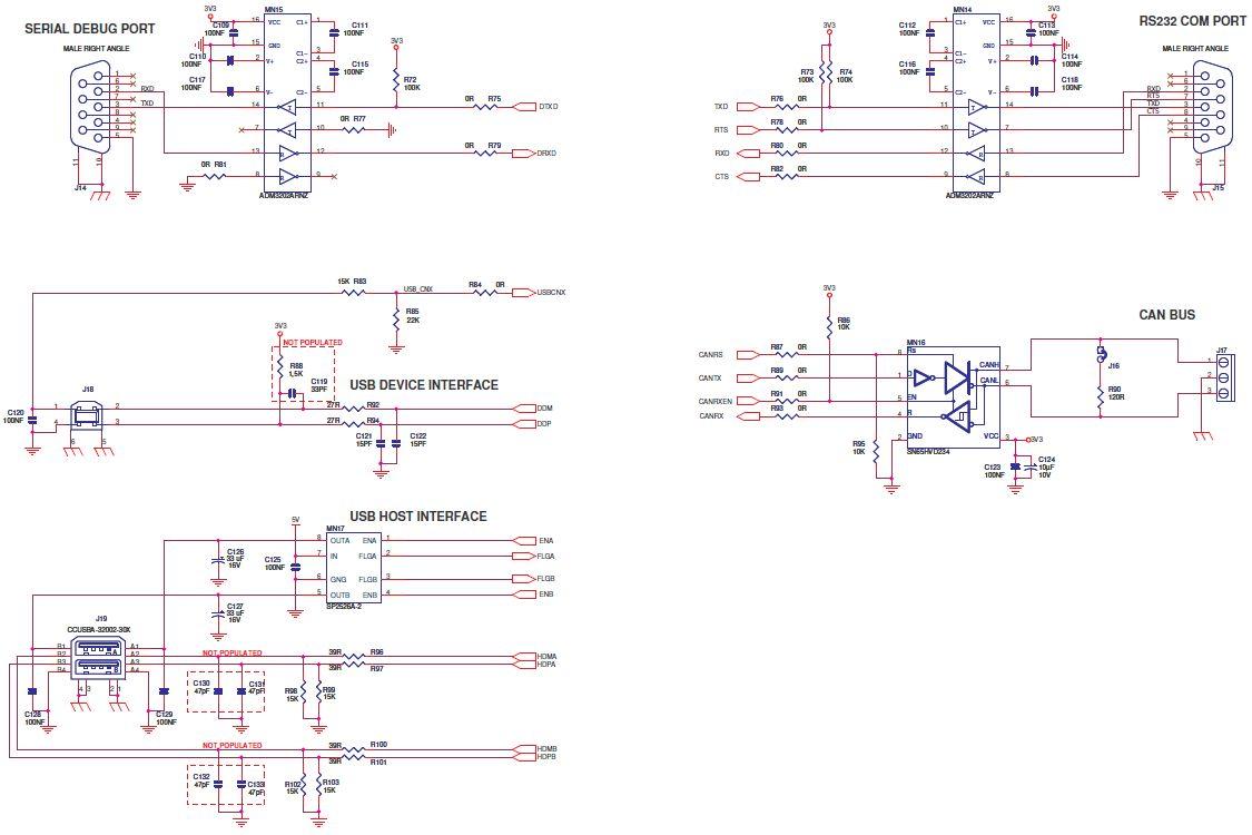
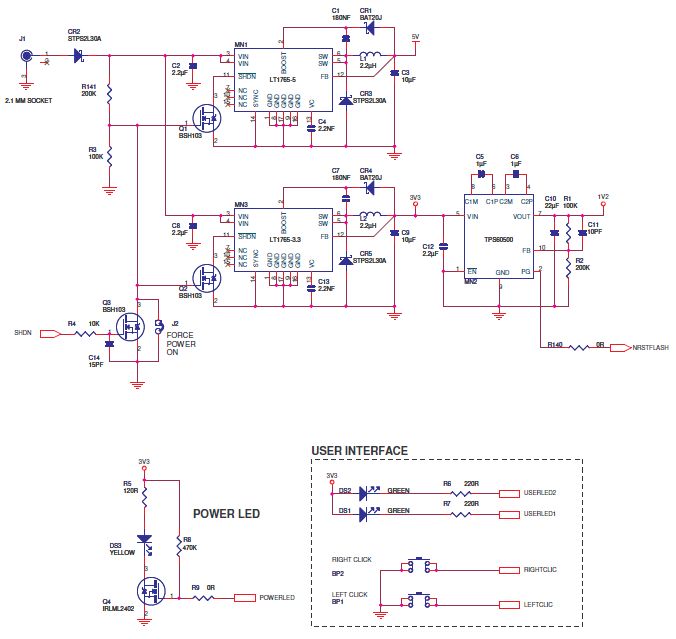
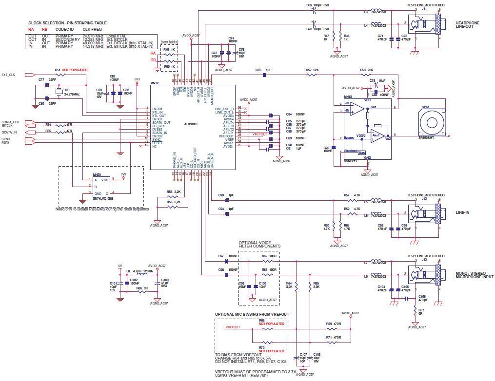
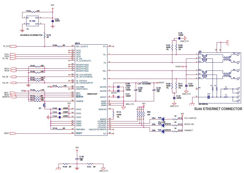
The Microchip Technology AT91SAM9263-EK Evaluation Board is an industrial grade evaluation board based on the AT91SAM9263 32-bit MCU. It is designed to provide a comprehensive platform for evaluating the features and performance of the AT91SAM9263 MCU. The board includes a wide range of peripherals, including Ethernet, USB, LCD, and audio. It also includes a JTAG interface for debugging and programming. The board is designed to operate in a wide range of industrial environments, and is suitable for use in a variety of applications, including industrial automation, medical, and consumer electronics.
- TypeParameter
- Factory Lead Time14 Weeks
- Mounting TypeFixed
- SeriesAT91SAM9
- Published2009
- Part StatusActive
- Moisture Sensitivity Level (MSL)1 (Unlimited)
- TypeMCU 32-Bit
- Base Part NumberAT91SAM9263
- InterfaceEthernet, RS-232, USB
- Number of Bits32
- Core ProcessorARM9
- Data Bus Width32b
- Utilized IC / PartAT91SAM9263
- Evaluation KitYes
- Core ArchitectureARM
- ContentsBoard(s), Cable(s), LCD, Power Supply, Accessories
- Board TypeEvaluation Platform
- REACH SVHCNo SVHC
- RoHS StatusROHS3 Compliant
- Lead FreeLead Free
| Part Number | Manufacturer | Description | Stock | RFQ |
|---|---|---|---|---|
| Texas Instruments | IC REG CHARGE PUMP ADJ 10VSSOP | 30 | RFQ | |
| Texas Instruments | IC TOUCH SCREEN CNTRLR 16SSOP | 29 | BUY | |
| Texas Instruments | IC REG CHARGE PUMP ADJ 10VSSOP | 26 | RFQ | |
| Texas Instruments | TEXAS INSTRUMENTS - SN65HVD234D - TRANSCEIVER CAN, 65HVD234, SOIC8 | 3870 | RFQ | |
| Texas Instruments | IC, ANA SWITCH, SINGLE, SMD | 2153 | RFQ | |
| Analog Devices Inc. | Audio Amp Speaker 1-CH Mono Class-AB 8-Pin SOIC N T/R | 9 | RFQ | |
| Texas Instruments | Logic Gates CONFIGURABLE MULTI FUNCTN GATE | 11994 | RFQ |


Product
Brand
Articles
Tools








































