Microchip Technology AT91SAM9G10-EK2Development Boards & Kits - ARM EVAL KIT SAM9G10 V2
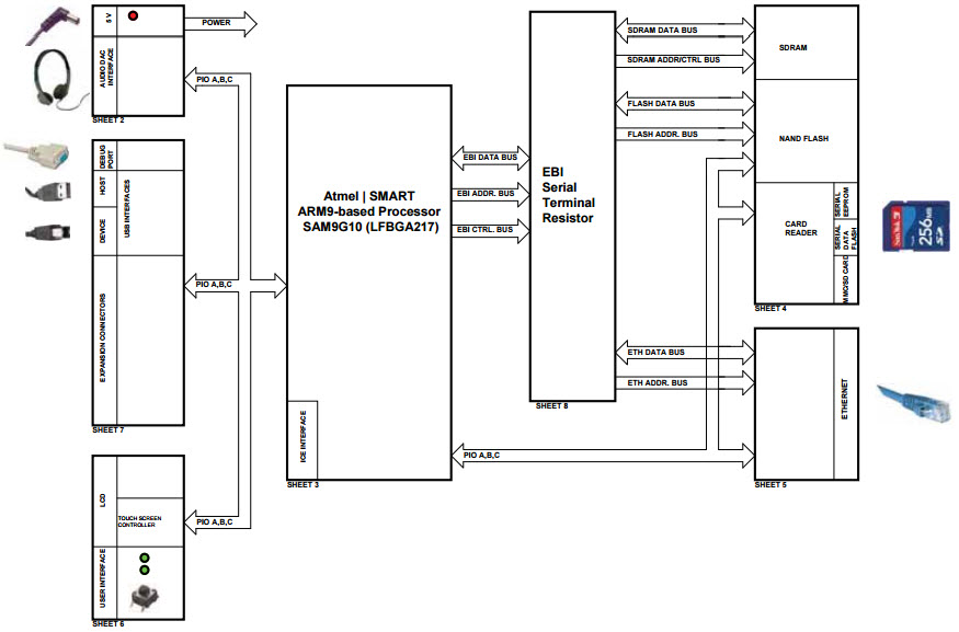
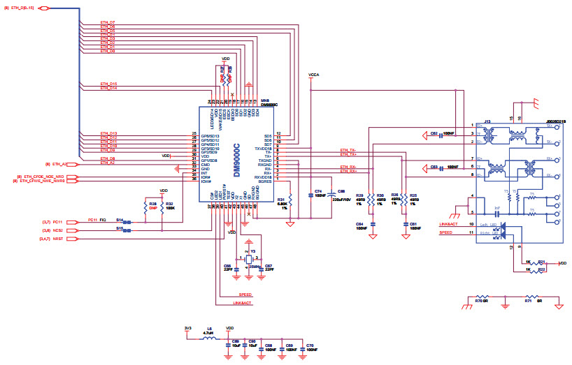
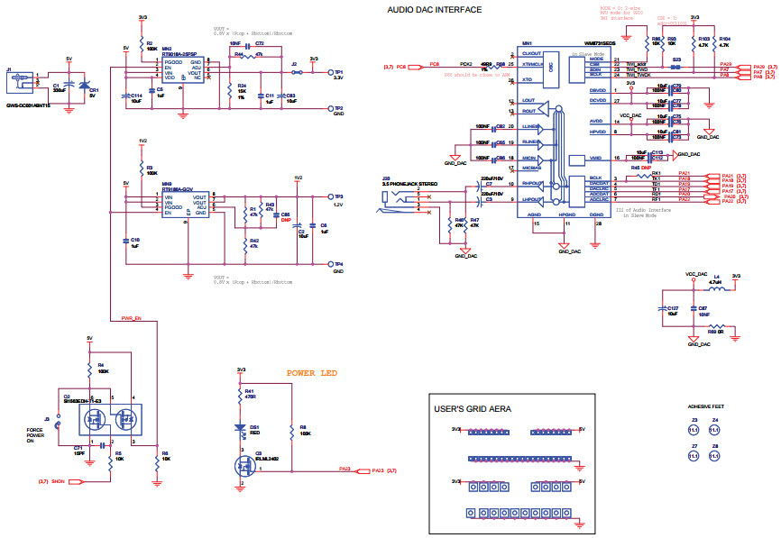
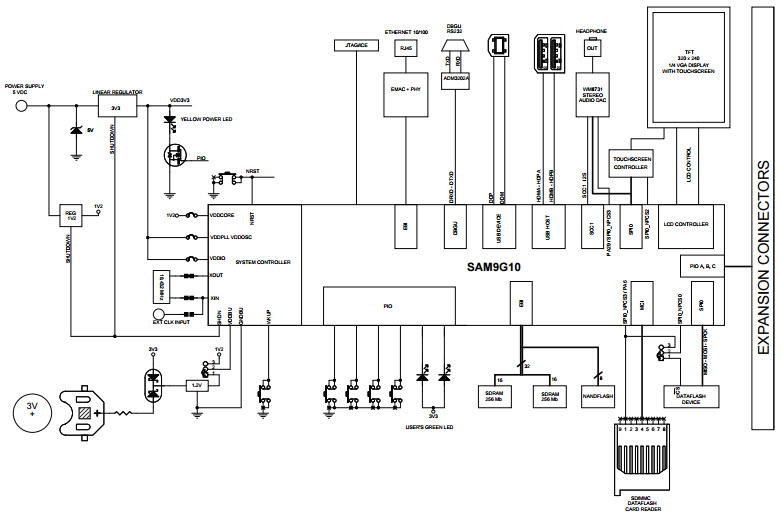
The Microchip Technology AT91SAM9G10-EK2 Evaluation Kit is a comprehensive development platform for the SMART AT91SAM9G10 SAM9G MCU. It includes a range of features to help developers quickly and easily evaluate the capabilities of the MCU, including a JTAG/ICE debugger, a 4.3” LCD display, a 10/100 Ethernet port, and a USB host port. The kit also includes a range of software tools, including a GNU C/C++ compiler, an integrated development environment, and a range of example applications. The Energy Micro EFM32G890F128-STK Starter Kit is a comprehensive development platform for the EFM32G890F128 MCU. It includes a range of features to help developers quickly and easily evaluate the capabilities of the MCU, including a JTAG/ICE debugger, a 4.3” LCD display, a 10/100 Ethernet port, and a USB host port. The kit also includes a range of software tools, including a GNU C/C++ compiler, an integrated development environment, and a range of example applications. The STM32F4DISCOVERY Discovery Kit is a comprehensive development platform for the STM32F4 MCU. It includes a range of features to help developers quickly and easily evaluate the capabilities of the MCU, including a JTAG/ICE debugger, a 4.3” LCD display, a 10/100 Ethernet port, and a USB host port. The kit also includes a range of software tools, including a GNU C/C++ compiler, an integrated development environment, and a range of example applications.
- TypeParameter
- Factory Lead Time14 Weeks
- Mounting TypeFixed
- SeriesAT91SAM9
- Published2009
- Part StatusActive
- Moisture Sensitivity Level (MSL)1 (Unlimited)
- TypeMCU 32-Bit
- Max Operating Temperature85°C
- Base Part NumberAT91SAM9G10
- InterfaceUSB
- Core ProcessorARM9
- Data Bus Width32b
- Utilized IC / PartAT91SAM9G10
- Evaluation KitYes
- Core ArchitectureARM
- ContentsBoard(s), Cable(s), LCD, Power Supply
- Board TypeEvaluation Platform
- RoHS StatusROHS3 Compliant
- Lead FreeLead Free
| Part Number | Manufacturer | Description | Stock | RFQ |
|---|---|---|---|---|
| Richtek USA Inc. | IC REG LIN POS ADJ 500MA 8VDFN | 1251 | BUY | |
| Micron Technology Inc. | IC DRAM 256M PARALLEL 54VFBGA | 1022 | BUY | |
| Micron Technology Inc. | IC DRAM 256M PARALLEL 54VFBGA | 153 | RFQ | |
| Micron Technology Inc. | IC DRAM 256M PARALLEL 54VFBGA | 27 | BUY |


Product
Brand
Articles
Tools





































