Microchip Technology AT91SAM9RL-EKATMEL AT91SAM9RL-EK Evaluation Kit, SAM9Rl64, AC97 Audio Codec,32bit, TWI Serial EEPROM, Multiple Interface
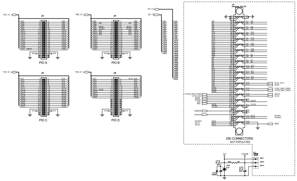
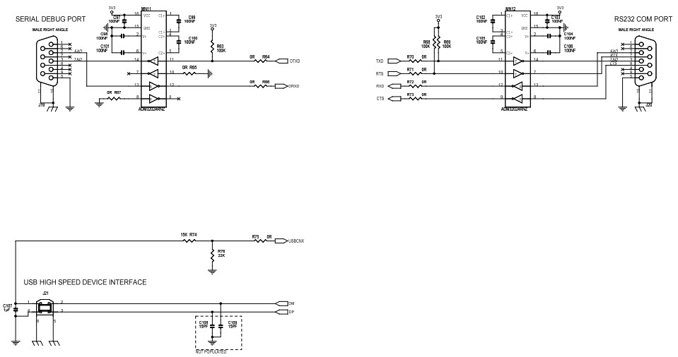
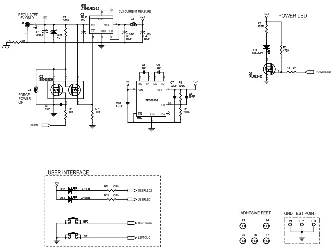
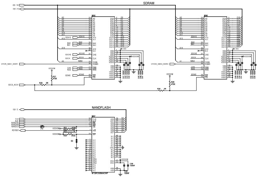
The Microchip Technology AT91SAM9RL-EK Evaluation Kit is designed for applications based on the SAM9R64/SAM9RL64 ARM9 MCUs. It is an industrial grade evaluation kit that provides a comprehensive set of features and peripherals to evaluate the SAM9R64/SAM9RL64 ARM9 MCUs. It includes a base board, a daughter board, and a power supply. The base board features a SAM9RL64 MCU, a 4.3” LCD display, a 10/100 Ethernet port, a USB host port, a USB device port, a microSD card slot, and a JTAG connector. The daughter board provides additional features such as a CAN transceiver, a UART port, a SPI port, and a JTAG connector. The power supply provides a 5V DC input and a 3.3V DC output. The AT91SAM9RL-EK Evaluation Kit is an ideal platform for developing and testing applications based on the SAM9R64/SAM9RL64 ARM9 MCUs.
- TypeParameter
- Factory Lead Time13 Weeks
- Mounting TypeFixed
- Number of Pins217
- SeriesAT91SAM9
- Published1997
- Part StatusActive
- Moisture Sensitivity Level (MSL)1 (Unlimited)
- TypeMCU 32-Bit
- Max Operating Temperature85°C
- Min Operating Temperature-40°C
- Operating Supply Voltage3.3V
- Number of Bits32
- Core ProcessorARM9
- Data Bus Width32b
- Utilized IC / PartAT91SAM9RL
- Evaluation KitYes
- Core ArchitectureARM
- ContentsBoard(s), Cable(s), LCD, Power Supply, Accessories
- Board TypeEvaluation Platform
- REACH SVHCNo SVHC
- RoHS StatusROHS3 Compliant
- Lead FreeLead Free
| Part Number | Manufacturer | Description | Stock | RFQ |
|---|---|---|---|---|
| Texas Instruments | IC REG CHARGE PUMP ADJ 10VSSOP | 26 | RFQ | |
| Analog Devices Inc. | TRANSCEIVER, 3.3V, 460KBPS, 16SOIC | 1000 | RFQ |


Product
Brand
Articles
Tools































