Microchip Technology ATSAMV71-XULTSAM V71 Xplained Ultra SMART ARM-based Microcontroller Evaluation Kit
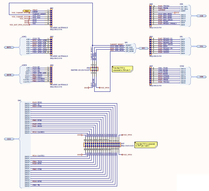
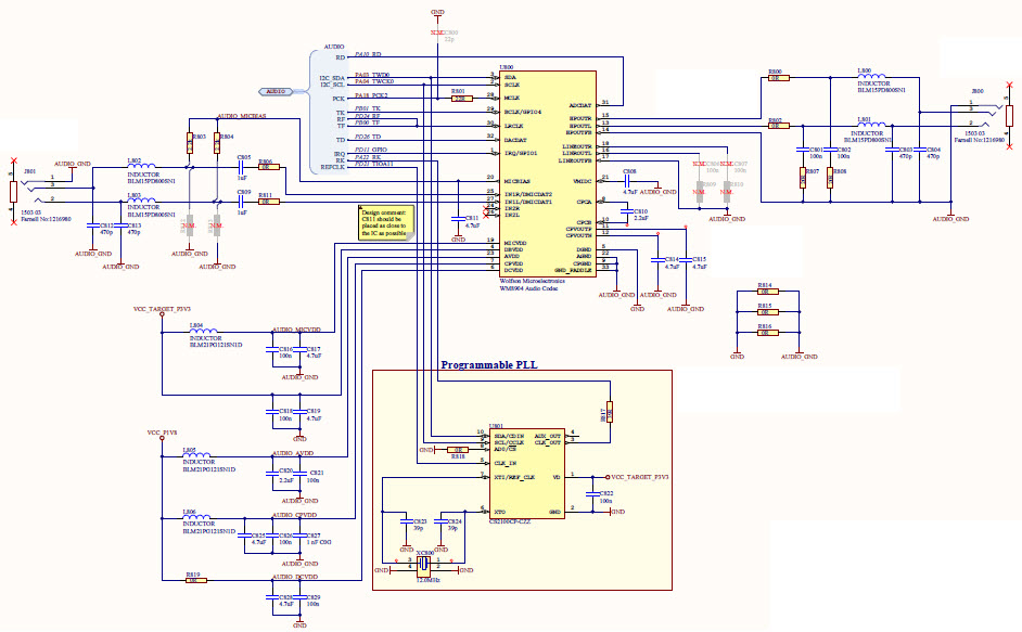
The Microchip Technology ATSAMV71-XULT, SAM V71 Xplained Ultra Evaluation Kit is a comprehensive development platform for evaluating the ATSAMV71Q21 ARM Cortex-M7-based microcontrollers in the SAM V70, SAM S70 and SAM E70 series, Automotive and Transportation Microcontrollers. The kit includes a SAM V71 Xplained Ultra board, a USB cable, a power supply, and a set of expansion boards. The SAM V71 Xplained Ultra board features an ATSAMV71Q21 microcontroller, a QTouch button, an OLED display, a microSD card slot, a USB interface, and a JTAG/SWD connector. The board also includes a range of peripherals, such as a temperature sensor, a light sensor, a 3-axis accelerometer, a 3-axis magnetometer, and a barometer. The kit also includes a range of expansion boards, such as a Wi-Fi/Bluetooth board, a motor control board, a CAN board, and a ZigBee board. The kit provides a comprehensive development environment for evaluating the ATSAMV71Q21 microcontroller and its associated peripherals.
- TypeParameter
- Factory Lead Time14 Weeks
- Mounting TypeFixed
- Memory TypesSDRAM
- Published2015
- Part StatusActive
- Moisture Sensitivity Level (MSL)1 (Unlimited)
- TypeMCU 32-Bit
- Number of Bits32
- Core ProcessorARM® Cortex®-M7
- Utilized IC / PartATSAME70, ATSAMS70, ATSAMV70, ATSAMV71
- Evaluation KitYes
- Core ArchitectureARM
- ContentsBoard(s)
- Board TypeEvaluation Platform
- PlatformSAM V71 Xplained Ultra
- REACH SVHCNo SVHC
- RoHS StatusROHS3 Compliant
- Lead FreeContains Lead
| Part Number | Manufacturer | Description | Stock | RFQ |
|---|---|---|---|---|
| Texas Instruments | IC SUPERVISOR 1 CHANNEL 8VSSOP | 25 | BUY | |
| Micro Crystal AG | Crystal Resonator 0.032768MHz ±20ppm (Tol) 9pF Flexural 60000Ohm 2-Pin SMD T/R | 0 | RFQ | |
| Microchip Technology | IC TXRX CAN VIO 8DFN | 90000 | RFQ | |
| Texas Instruments | IC OR CTRLR SRC SELECT 8TSSOP | 7582 | BUY | |
| Microchip Technology | EEPROM Serial-I2C 2K-bit 256 x 8 1.8V/2.5V/3.3V/5V 8-Pin UDFN EP T/R | 6 | RFQ | |
| Texas Instruments | IC REG BUCK SYNC 5V 2A 16QFN | 244 | RFQ | |
| STMicroelectronics | STMICROELECTRONICS - STMPS2161STR - Power Load Switch, Single High Side, Active Low, 1 Output, 5V, 1A, SOT-23-5 | 30000 | RFQ | |
| ROHM Semiconductor | IC OPAMP GP 1 CIRCUIT 5SSOP | 4500 | RFQ |


Product
Brand
Articles
Tools


















































