Microchip Technology ATMEGA256RFR2-XPRODevelopment Boards & Kits - Wireless ATmega256RFR2 Xplained Pro Evl Kit
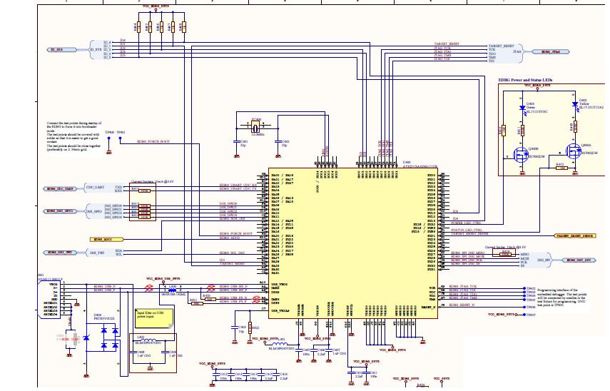
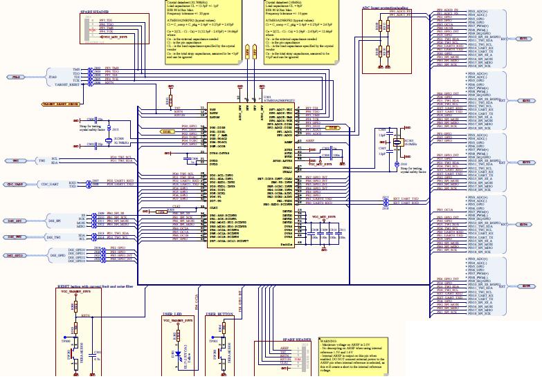
The Microchip Technology ATMEGA256RFR2-XPRO Xplained Pro Evaluation Kit is a comprehensive development platform for the ATmega256RFR2 AVR microcontroller. It is designed to provide a comprehensive set of features for evaluating the ATmega256RFR2 AVR MCU and its capabilities in communications and telecom solutions. The kit includes an ATmega256RFR2 AVR MCU, an Xplained Pro board, and a range of peripherals and components. The board features an on-board debugger, a USB interface, and a range of communication interfaces, including UART, SPI, I2C, and USB. The kit also includes a range of software tools, including Atmel Studio, Atmel START, and Atmel Wireless Studio, to help developers create and debug their applications. The kit is ideal for prototyping and developing applications in the communications and telecom space.
- TypeParameter
- Factory Lead Time14 Weeks
- MountHardware
- Published2010
- SeriesXplained
- PackagingBulk
- Part StatusActive
- Moisture Sensitivity Level (MSL)1 (Unlimited)
- TypeTransceiver; 802.15.4 (ZigBee®)
- Frequency2.4GHz
- Base Part NumberATMEGA256RFR2
- InterfaceUSB
- Number of Bits8
- Data Bus Width32b
- Supplied ContentsBoard(s)
- Evaluation KitYes
- Core ArchitectureAVR
- RoHS StatusROHS3 Compliant
- REACH SVHCNo SVHC
- Lead FreeLead Free
| Part Number | Manufacturer | Description | Stock | RFQ |
|---|---|---|---|---|
| Geyer Electronic | Crystal 0.032768MHz ±20ppm (Tol) 12.5pF FUND 70000Ohm 2-Pin SMD T/R | 0 | RFQ | |
| Microchip Technology | IC MCU 32BIT 256KB FLASH 100BGA | 0 | RFQ | |
| Geyer Electronic | CRYSTAL 32.7680kHz 9pF SMD | 0 | RFQ | |
| Microchip Technology | Microchip ATMEGA256RFR2-ZU, 8bit AVR Microcontroller, 16MHz, 256 kB Flash, 64-Pin VQFN | 0 | RFQ | |
| Microchip Technology | IC RF TXRX MCU 802.15.4 64-VFQFN | 0 | RFQ | |
| GEYER ELECTRONIC e.K. | Crystal 0.032768MHz ±20ppm (Tol) 12.5pF Flexural 50000Ohm 2-Pin SMD T/R | 0 | RFQ |


Product
Brand
Articles
Tools






























