Microchip Technology ATTINY817-XPROATtiny817 Xplained Pro AVR® ATtiny MCU 8-Bit AVR Embedded Evaluation Board
It is a complete development system that includes a Cyclone III FPGA, a power supply, a USB cable, and a software development kit. The board features a variety of peripherals, including a USB port, Ethernet port, and a JTAG port. It also includes a variety of I/O connectors, including a VGA port, audio port, and a variety of other connectors. The board also includes a variety of expansion headers, allowing users to add additional peripherals and components. The board is designed to be used with the Intel Quartus Prime software development suite, which provides a comprehensive set of tools for designing, simulating, and debugging applications based on the Cyclone III FPGA. The board is also compatible with a variety of third-party development tools, such as the Xilinx Vivado Design Suite. The board is ideal for applications such as embedded systems, industrial automation, and digital signal processing.
- TypeParameter
- Factory Lead Time14 Weeks
- Mounting TypeFixed
- SeriesAVR® ATtiny
- Published2016
- Part StatusActive
- Moisture Sensitivity Level (MSL)1 (Unlimited)
- TypeMCU 8-Bit
- Base Part NumberATTINY817
- Core ProcessorAVR
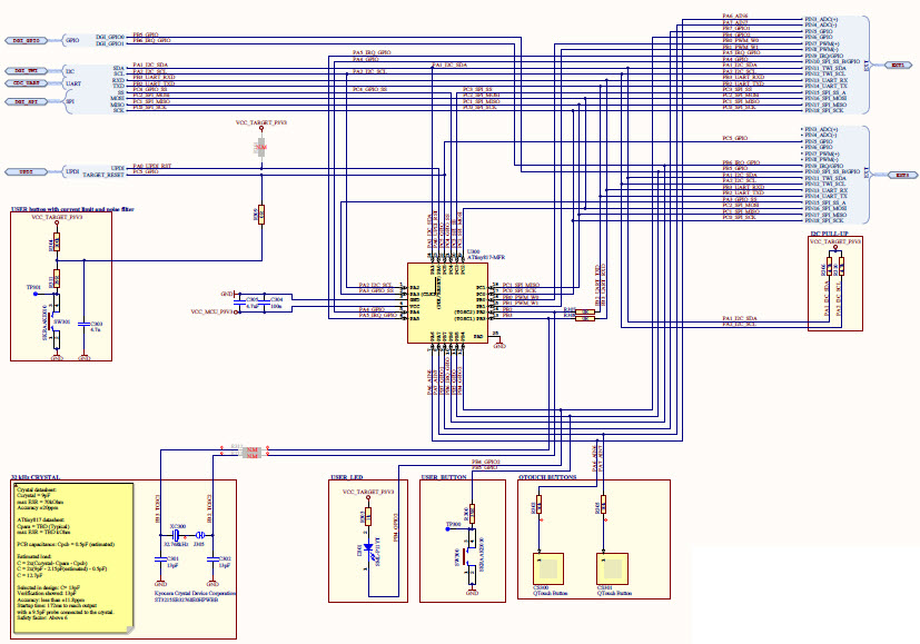
- Utilized IC / PartATtiny817
- Evaluation KitYes
- Core ArchitectureAVR
- ContentsBoard(s)
- Board TypeEvaluation Platform
- PlatformXplained Pro
- RoHS StatusROHS3 Compliant
| Part Number | Manufacturer | Description | Stock | RFQ |
|---|---|---|---|---|
| Microchip Technology | IC MCU 32BIT 256KB FLASH 100BGA | 1088 | RFQ | |
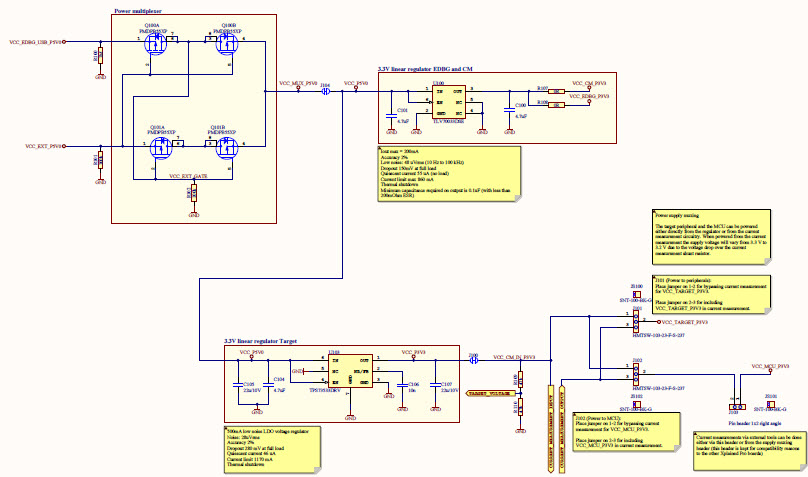
| Texas Instruments | LDO Regulator Pos 3.3V 0.2A 6-Pin WSON T/R | 3000 | RFQ | |
| ON Semiconductor | CMC 100MA 2LN SMD ESD | 17830 | RFQ | |
| Microchip Technology | ARM Microcontrollers - MCU Cortex-M0 128KB FLASH 16KB SRAM | 2987 | RFQ | |
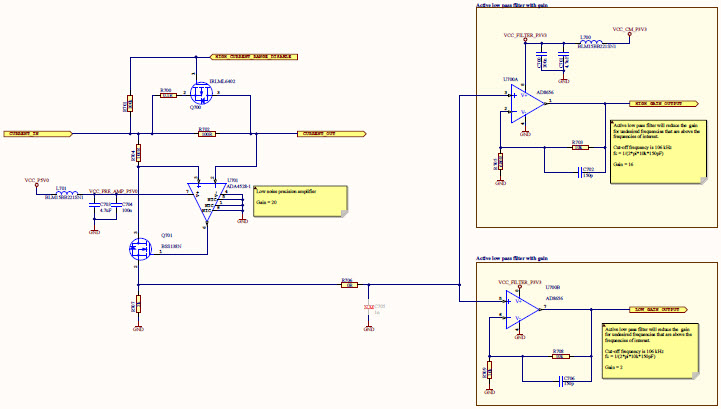
| Analog Devices Inc. | ANALOG DEVICES ADA4528-1ARMZOperational Amplifier, Single, 4 MHz, 1 Amplifier, 0.5 V/s, 2.2V to 5.5V, MSOP, 8 Pins | 8 | RFQ |


Product
Brand
Articles
Tools




































