Microchip Technology ATSAM4L-EKEVAL KIT FOR SAM4LC CORTEX
Applications:
Embedded System >
Microcontroller
End Products:
AudioIndustrial Automation HMIAudioHome EntertainmentComputers and PeripheralsSecurityNotebookPortable AudioFire AlarmPolyphase Electricity MeterIndustrial Programmable Logic Controllers (PLCs)Smart PhoneTabletInstrumentation and Measurement
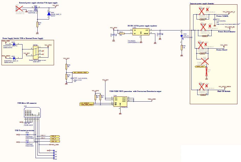
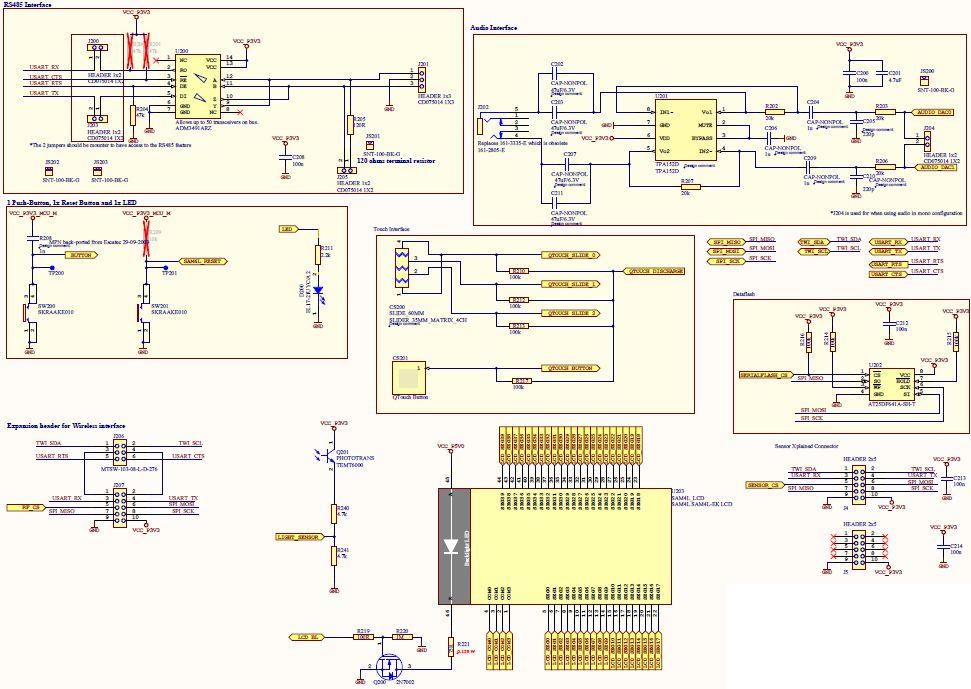
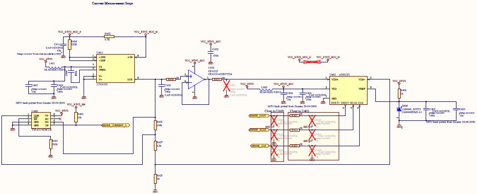
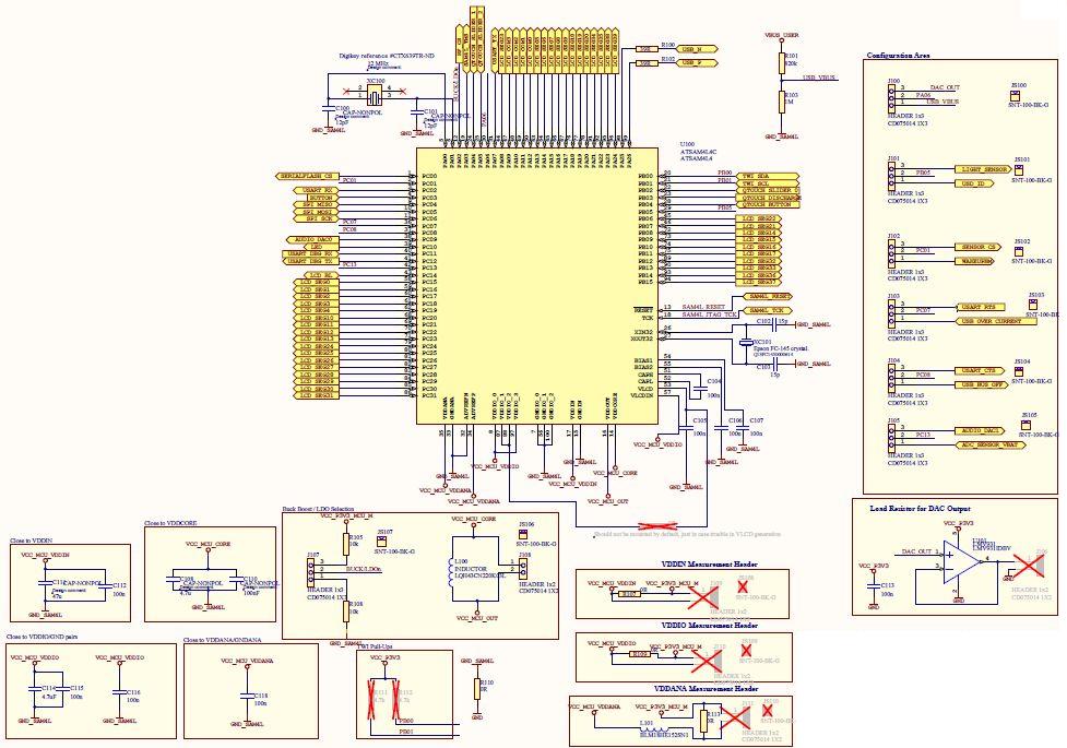
The Microchip Technology ATSAM4L-EK, ATSAM4L-EK, SAM4L-EK Evaluation Kit is a comprehensive development platform for applications running on ATSAM4LC4C Cortex-M4, SAM4L microcontrollers, Audio and Security. It provides a complete set of hardware and software tools to evaluate and develop applications for the SAM4L microcontroller family. The kit includes a SAM4L-EK board, a USB cable, a power supply, and a CD-ROM with the Atmel Studio 7 IDE, the Atmel Software Framework, and the SAM4L-EK board support package. The board features a SAM4LC4C Cortex-M4 processor, a wide range of peripherals, and a variety of connectors for external devices. It also includes an audio codec, a secure element, and a secure bootloader. The kit is ideal for developing applications in the areas of audio, security, and embedded systems.
- TypeParameter
- Factory Lead Time14 Weeks
- Mounting TypeFixed
- SeriesAT91SAM4
- Published2009
- Part StatusActive
- Moisture Sensitivity Level (MSL)1 (Unlimited)
- TypeMCU 32-Bit
- InterfaceUSB
- Number of Bits32
- Core ProcessorARM® Cortex®-M4
- Data Bus Width32b
- Utilized IC / PartATSAM4LC4C
- Evaluation KitYes
- Core ArchitectureARM
- ContentsBoard(s), Cable(s), LCD, J-Link Programmer
- Board TypeEvaluation Platform
- REACH SVHCNo SVHC
- RoHS StatusROHS3 Compliant
- Lead FreeLead Free
| Part Number | Manufacturer | Description | Stock | RFQ |
|---|---|---|---|---|
| Analog Devices Inc. | ANALOG DEVICES - ADM3491ARZ - Transceiver RS422/RS485, 20 Mbps, 3V-3.6V supply, SOIC-14 | 15 | RFQ | |
| Texas Instruments | 0.66A, 2.7-5.5V Single Power Distribution Switch IC Hi-Side MOSFET, Fault eport, Act-Low Enable 8-SOIC -40 to 85 | 1988 | RFQ | |
| Microchip Technology | ARM Microcontrollers - MCU BGA, Green, IND TEMP,CRYPTO MRL B | 7 | BUY | |
| Texas Instruments | IC OPAMP ZER-DRIFT 1CIRC SOT23-5 | 85 | RFQ | |
| Texas Instruments | AMP, POWER, AUDIO, SMD, SOIC8, 152 | 54 | BUY |


Product
Brand
Articles
Tools

































