Microchip Technology ATSAM4S-XPRODevelopment Boards & Kits - ARM SAM4S Xplained Pro Evaluation Kit
Applications:
Embedded System >
Microcontroller
End Products:
AudioIndustrial Automation HMIAudioHome EntertainmentComputers and PeripheralsSecurityNotebookPortable AudioFire AlarmPolyphase Electricity MeterIndustrial Programmable Logic Controllers (PLCs)Smart PhoneTabletInstrumentation and Measurement
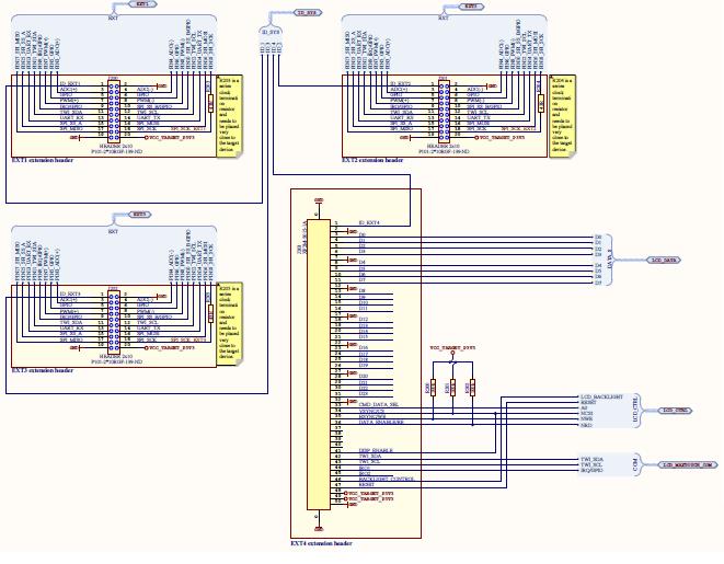
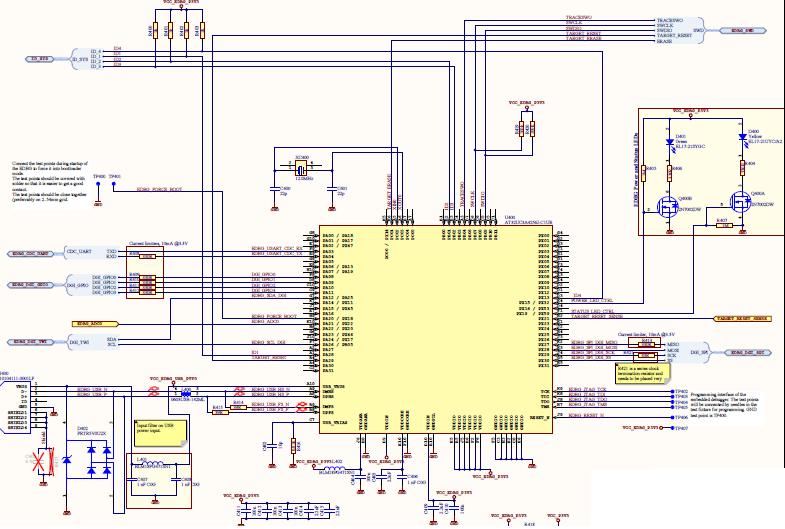
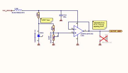
DAC, and other features of the ATSAM4S microcontroller. It includes an onboard debugger, an LCD display, a USB interface, and a variety of peripherals. The kit also includes a comprehensive set of software libraries and example projects to help developers get started quickly. The ATSAM4S-XPRO is ideal for applications such as motor control, audio processing, and industrial automation. It is also suitable for prototyping and development of embedded systems. The kit is compatible with the Atmel Studio development environment and supports a wide range of development tools.
- TypeParameter
- Factory Lead Time14 Weeks
- Mounting TypeFixed
- PackagingBulk
- SeriesAT91SAM4
- Published2013
- Part StatusActive
- Moisture Sensitivity Level (MSL)1 (Unlimited)
- TypeMCU 32-Bit
- Operating Supply Voltage5V
- InterfaceUSB
- Number of Bits32
- Core ProcessorARM® Cortex®-M4
- Data Bus Width32b
- Utilized IC / PartATSAM4SD32C
- Evaluation KitYes
- Core ArchitectureARM
- ContentsBoard(s)
- Board TypeEvaluation Platform
- PlatformSAM4S Xplained Pro
- REACH SVHCNo SVHC
- RoHS StatusROHS3 Compliant
- Lead FreeLead Free
| Part Number | Manufacturer | Description | Stock | RFQ |
|---|---|---|---|---|
| Microchip Technology | MCU 32-bit SAM4S ARM Cortex M4 RISC 2048KB Flash 1.2V/3.3V 100-Pin LQFP Tray | 1230 | RFQ | |
| Microchip Technology | ARM Microcontrollers - MCU LQFP Green IND TEMPMRL A | 19 | RFQ | |
| Microchip Technology | IC MCU 32BIT 256KB FLASH 100BGA | 1088 | RFQ | |
| Texas Instruments | IC OR CTRLR SRC SELECT 8TSSOP | 7582 | BUY | |
| Micron Technology Inc. | SLC NAND Flash Parallel 3.3V 2G-bit 256M x 8 48-Pin TSOP-I Tray | 9900 | RFQ | |
| Micron Technology Inc. | IC FLASH 2G PARALLEL 48TSOP I | 1000 | RFQ |


Product
Brand
Articles
Tools































