Microchip Technology ATSAM4S-XSTKDevelopment Boards & Kits - ARM SAM4S Xplained Pro Starter Kit
Applications:
Embedded System >
Microcontroller
End Products:
AudioIndustrial Automation HMIAudioHome EntertainmentComputers and PeripheralsSecurityNotebookPortable AudioFire AlarmPolyphase Electricity MeterIndustrial Programmable Logic Controllers (PLCs)Smart PhoneTabletInstrumentation and Measurement
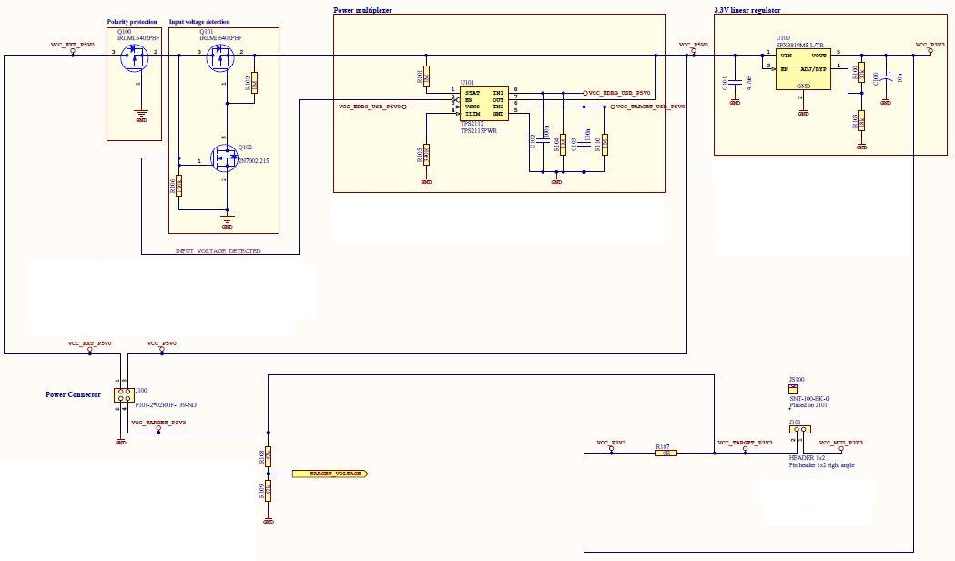
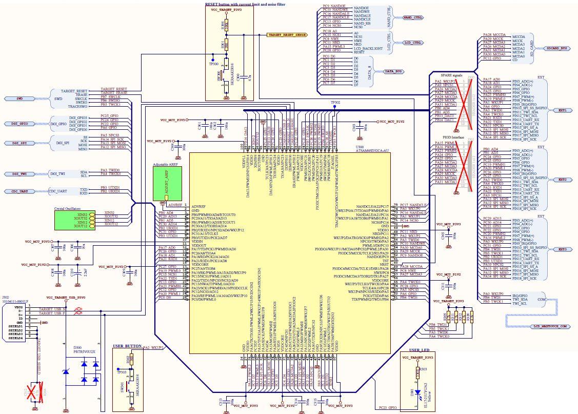
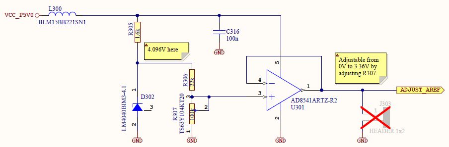
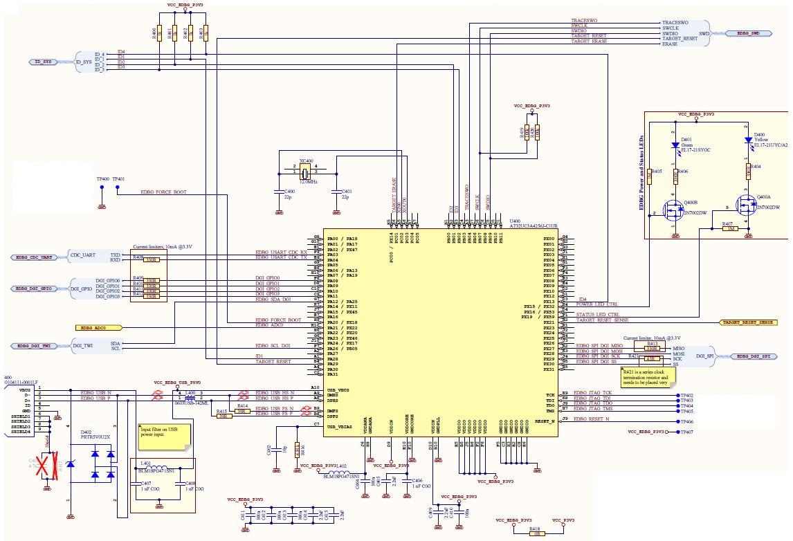
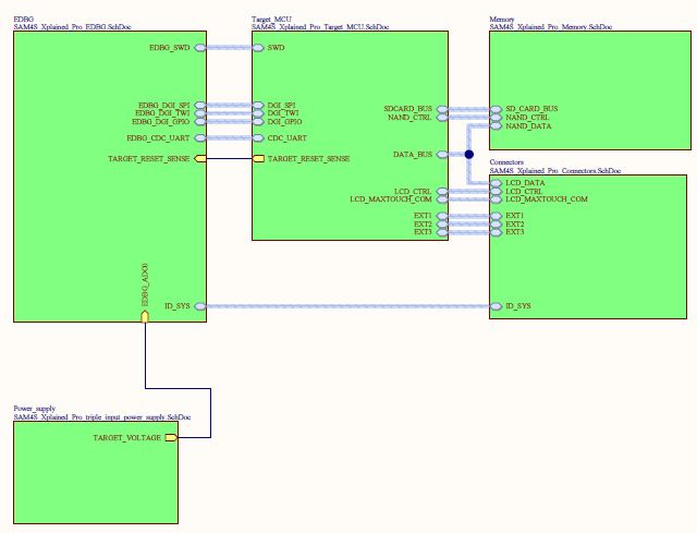
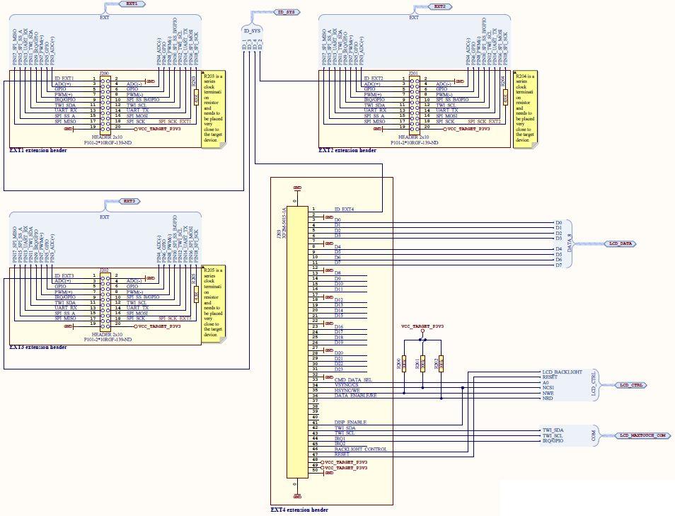
The Microchip Technology ATSAM4S-XSTK, ATSAM4S-XSTK, SAM4S Xplained Pro Starter Kit is an evaluation and prototyping platform for the SAM4S Cortex-M4 processor-based microcontroller. It is designed to help developers quickly and easily evaluate and prototype their applications. The kit includes a SAM4S Xplained Pro board, an Atmel Embedded Debugger (EDBG), and a variety of expansion boards. It also includes a comprehensive set of software tools, including Atmel Studio 7, Atmel Software Framework, and Atmel CryptoAuthentication. The kit is ideal for applications that require audio, security, and connectivity. It features an audio codec, a secure element, and a variety of wireless connectivity options, including Wi-Fi, Bluetooth, and NFC. The kit also includes a variety of sensors, including an accelerometer, a gyroscope, and a magnetometer. The SAM4S Xplained Pro Starter Kit is a great way to get started with the SAM4S Cortex-M4 processor-based microcontroller.
- TypeParameter
- Factory Lead Time14 Weeks
- MountHardware
- Mounting TypeFixed
- PackagingBulk
- SeriesAT91SAM4
- Published2013
- Part StatusActive
- Moisture Sensitivity Level (MSL)1 (Unlimited)
- TypeMCU 32-Bit
- Operating Supply Voltage5V
- InterfaceUSB
- Number of Bits32
- Core ProcessorARM® Cortex®-M4
- Data Bus Width32b
- Utilized IC / PartATSAM4SD32C
- Evaluation KitYes
- Core ArchitectureARM
- ContentsBoard(s), Cable(s), OLED
- Board TypeEvaluation Platform
- PlatformSAM4S Xplained Pro
- REACH SVHCNo SVHC
- RoHS StatusROHS3 Compliant
- Lead FreeLead Free
| Part Number | Manufacturer | Description | Stock | RFQ |
|---|---|---|---|---|
| Microchip Technology | MCU 32-bit SAM4S ARM Cortex M4 RISC 2048KB Flash 1.2V/3.3V 100-Pin LQFP Tray | 1230 | RFQ | |
| Microchip Technology | IC MCU 32BIT 256KB FLASH 100BGA | 1088 | RFQ | |
| Texas Instruments | IC OR CTRLR SRC SELECT 8TSSOP | 7582 | BUY | |
| Micron Technology Inc. | SLC NAND Flash Parallel 3.3V 2G-bit 256M x 8 48-Pin TSOP-I Tray | 9900 | RFQ |


Product
Brand
Articles
Tools

































