Microchip Technology ATSAMC21-XPROATSAMC21J18A Microcontroller Xplained Pro Evaluation Kit
Description
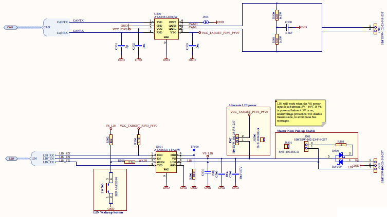
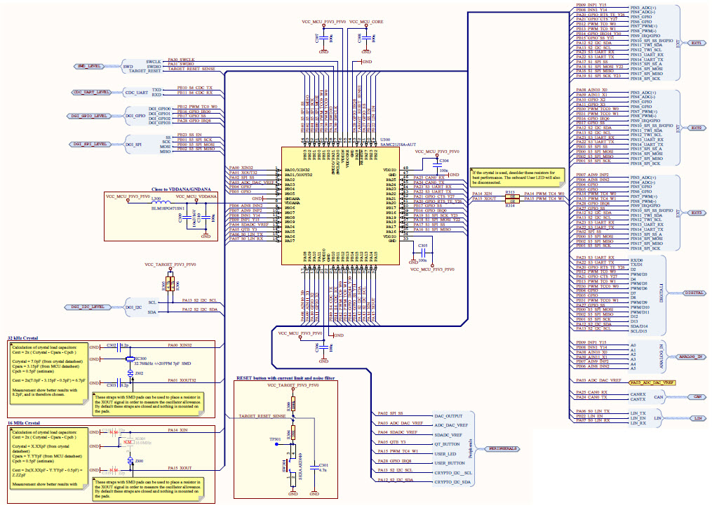
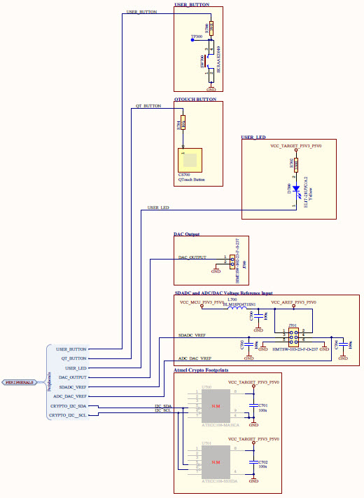
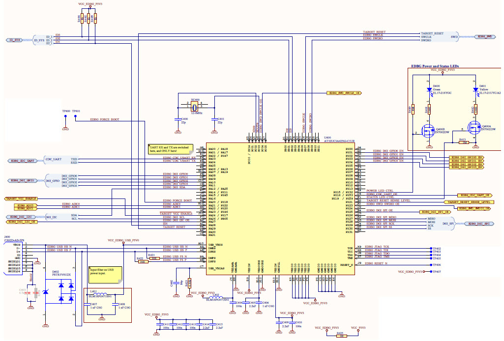
Microcontroller. It is a complete development platform for the ATSAMC21J18A, featuring an on-board Embedded Debugger, a QTouch button, an RGB LED, and a USB interface. The kit also includes an Atmel Studio 7 integrated development environment (IDE) and a comprehensive set of example projects. The ATSAMC21-XPRO is ideal for automotive and transportation applications, such as engine control, powertrain control, and body control. It is also suitable for industrial applications, such as motor control, HVAC, and lighting control. The ATSAMC21-XPRO is a great choice for prototyping and development of applications that require low power consumption, high performance, and reliable operation.
Specifications
Microchip Technology technical specifications, attributes, parameters and parts with similar specifications to Microchip Technology .
- TypeParameter
- Factory Lead Time14 Weeks
- Mounting TypeFixed
- SeriesSAM C
- Published2015
- Part StatusActive
- Moisture Sensitivity Level (MSL)1 (Unlimited)
- TypeMCU 32-Bit
- Number of Bits32
- Utilized IC / PartATSAMC21
- Evaluation KitYes
- Core ArchitectureARM
- ContentsBoard(s)
- Board TypeEvaluation Platform
- PlatformSAM C21 Xplained Pro
- REACH SVHCNo SVHC
- RoHS StatusROHS3 Compliant
- Lead FreeLead Free
0 Similar Products Remaining
Technical Documents
Associated Products
| Part Number | Manufacturer | Description | Stock | RFQ |
|---|---|---|---|---|
| Texas Instruments | IC TRNSLTR BIDIRECTIONAL SC70-6 | 11982 | RFQ | |
| Microchip Technology | IC MCU 32BIT 256KB FLASH 100BGA | 0 | RFQ | |
| Microchip Technology | IC MCU 32BIT 256KB FLASH 64TQFP | 1750 | RFQ |


Product
Brand
Articles
Tools






































