Microchip Technology ATSAMD10-XMINIATSAMD10 32-Bit ARM Based Microcontroller Mini Board Evaluation Kit
Description
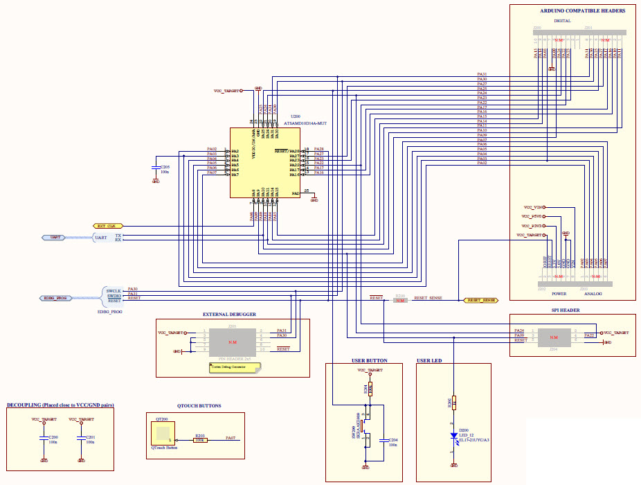
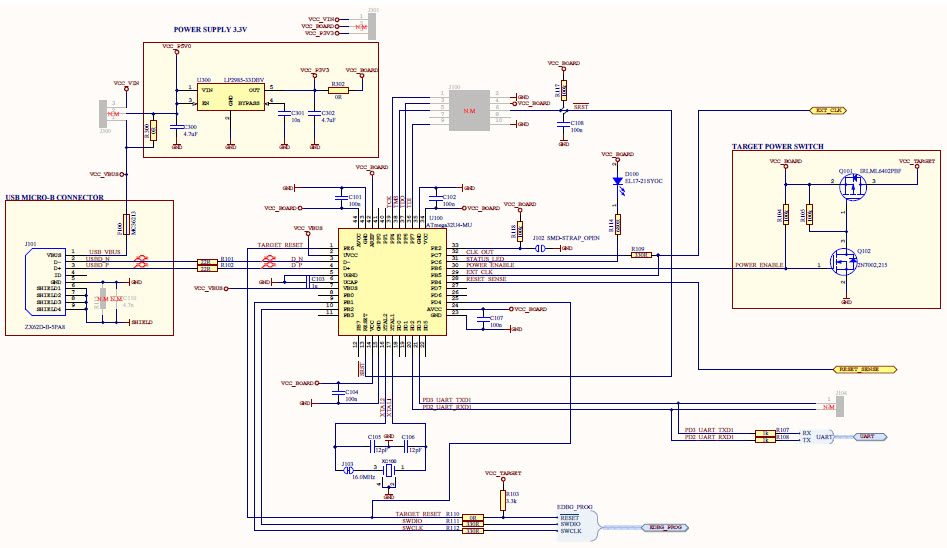
Microcontroller. It is a low-cost, low-power, and low-footprint evaluation board that is designed to help users quickly evaluate the features of the ATSAMD10 microcontroller. The board includes an on-board debugger, a USB interface, and a variety of peripherals. It also includes a variety of example projects to help users get started quickly. The board is ideal for automotive and transportation applications, such as motor control, power management, and safety systems. It is also suitable for a wide range of other applications, such as consumer electronics, industrial automation, and medical devices. The board is compatible with the Atmel Studio development environment, and is supported by a wide range of third-party development tools.
Specifications
Microchip Technology technical specifications, attributes, parameters and parts with similar specifications to Microchip Technology .
- TypeParameter
- Factory Lead Time14 Weeks
- Mounting TypeFixed
- SeriesSAM D
- Published2015
- Part StatusActive
- Moisture Sensitivity Level (MSL)1 (Unlimited)
- TypeMCU 32-Bit
- Number of Bits32
- Core ProcessorARM® Cortex®-M0+
- Data Bus Width32b
- Utilized IC / PartATSAMD10
- Evaluation KitYes
- Core ArchitectureARM
- ContentsBoard(s)
- Board TypeEvaluation Platform
- PlatformSAM D10 Xplained Mini
- REACH SVHCNo SVHC
- RoHS StatusROHS3 Compliant
- Lead FreeLead Free
0 Similar Products Remaining
Technical Documents
Associated Products
| Part Number | Manufacturer | Description | Stock | RFQ |
|---|---|---|---|---|
| STMicroelectronics | LDS3985 Series 3.3 V 300 mA Fixed Low Noise LDO BiCMOS Regulator - SOT-23-5 | 15000 | RFQ |


Product
Brand
Articles
Tools




















