Microchip Technology ATSAMD11-XPROSAM D11 XPLAINED PRO ATSAMD11
Description
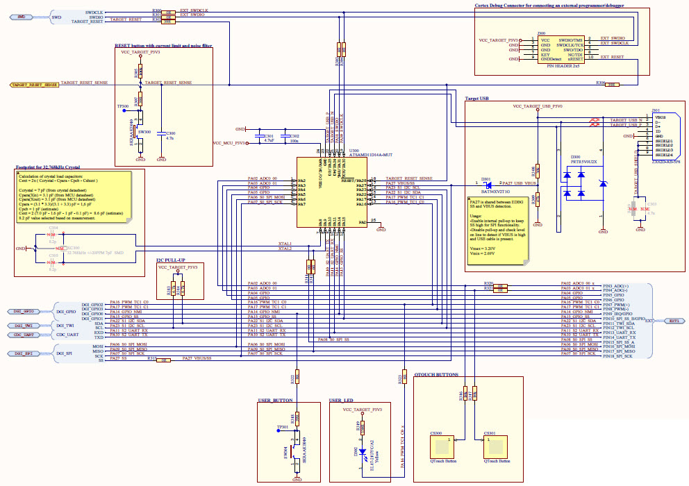
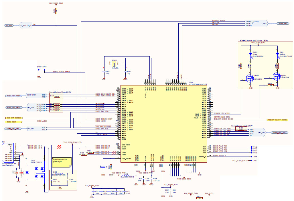
Microcontroller. It is a low-power, low-cost, and high-performance microcontroller with a wide range of features. It has a 32-bit ARM Cortex-M0+ processor, up to 32KB of Flash memory, up to 8KB of SRAM, and up to 8KB of EEPROM. It also has a wide range of peripherals, including a 10-bit ADC, a 10-bit DAC, a 12-bit PWM, and a 12-bit Timer/Counter. The kit also includes an on-board debugger, a USB interface, and a range of expansion headers. The ATSAMD11-XPRO is ideal for applications such as automotive, industrial, and consumer electronics. It is also suitable for low-power applications such as wearables and IoT devices.
Specifications
Microchip Technology technical specifications, attributes, parameters and parts with similar specifications to Microchip Technology .
- TypeParameter
- Factory Lead Time14 Weeks
- Mounting TypeFixed
- SeriesSAM D
- Published2004
- Part StatusActive
- Moisture Sensitivity Level (MSL)1 (Unlimited)
- TypeMCU 32-Bit
- Number of Bits32
- Core ProcessorARM® Cortex®-M0+
- Utilized IC / PartATSAMD11
- Evaluation KitYes
- Core ArchitectureARM
- ContentsBoard(s)
- Board TypeEvaluation Platform
- PlatformSAM D11 Xplained Pro
- REACH SVHCNo SVHC
- RoHS StatusROHS3 Compliant
- Lead FreeLead Free
0 Similar Products Remaining
Technical Documents
Associated Products
| Part Number | Manufacturer | Description | Stock | RFQ |
|---|---|---|---|---|
| Microchip Technology | MICROCHIP - ATSAMD11D14A-MUT - ARM MCU, seria SAM D, SAM32 Family SAM D1X Series Microcontrollers, ARM Cortex-M0 , 32 bity, 48 MHz | 0 | RFQ | |
| Microchip Technology | IC MCU 32BIT 256KB FLASH 100BGA | 0 | RFQ | |
| Texas Instruments | IC OR CTRLR SRC SELECT 8TSSOP | 0 | RFQ |


Product
Brand
Articles
Tools




























