Microchip Technology ATSTK521Daughter Cards & OEM Boards ATSTK500 expansion module for AT90PWM81
Description
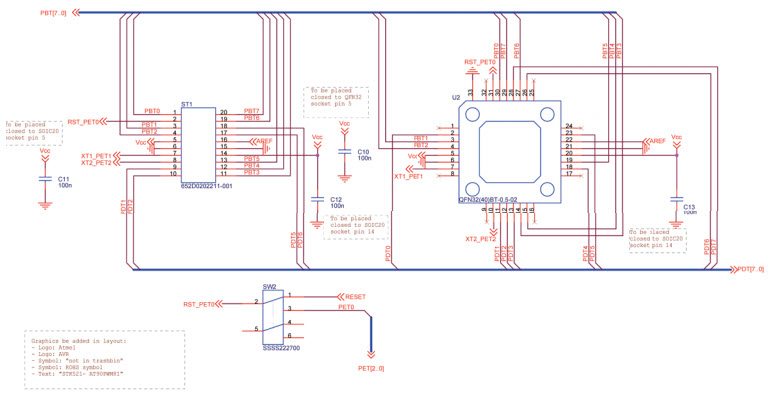
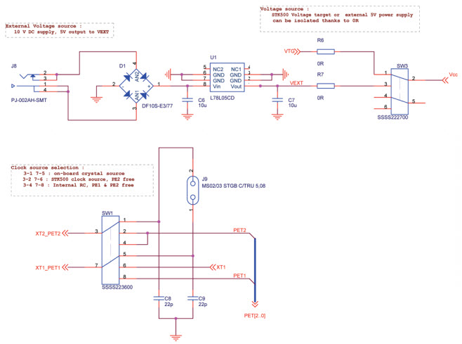
The Microchip Technology ATSTK521-ATSTK521 is a development board and hardware expansion module for the STK500 Starter Kit based on the AT90PWM81 AVR MCU. It is designed to provide a comprehensive platform for the development of lighting control systems. The board features a wide range of peripherals, including a 16-bit timer, a 10-bit analog-to-digital converter, a real-time clock, and a USB interface. It also includes a variety of I/O ports, including UART, SPI, and I2C. The board is powered by a 3.3V power supply and is compatible with the STK500 development environment. The ATSTK521-ATSTK521 is an ideal solution for developing lighting control systems that require high performance and low power consumption.
Specifications
Microchip Technology technical specifications, attributes, parameters and parts with similar specifications to Microchip Technology .
- TypeParameter
- Factory Lead Time14 Weeks
- Package / CaseModule
- Published2002
- Part StatusActive
- Moisture Sensitivity Level (MSL)1 (Unlimited)
- Max Operating Temperature50°C
- Min Operating Temperature0°C
- Operating Supply Voltage5.5V
- Accessory TypeExpansion Module
- Data Bus Width8b
- Core ArchitectureAVR
- REACH SVHCNo SVHC
- RoHS StatusROHS3 Compliant
- Lead FreeLead Free
0 Similar Products Remaining
Technical Documents
Associated Products
| Part Number | Manufacturer | Description | Stock | RFQ |
|---|---|---|---|---|
| NXP USA Inc. | NXP - P82B715TD,118 - IC, BUS EXTENDER, I2C, 8SOIC | 4500 | RFQ |


Product
Brand
Articles
Tools

















