Microchip Technology ATxmegaA3BU-XPLDKIT EVAL XPLAINED ATXMEGA256A3BU
Description
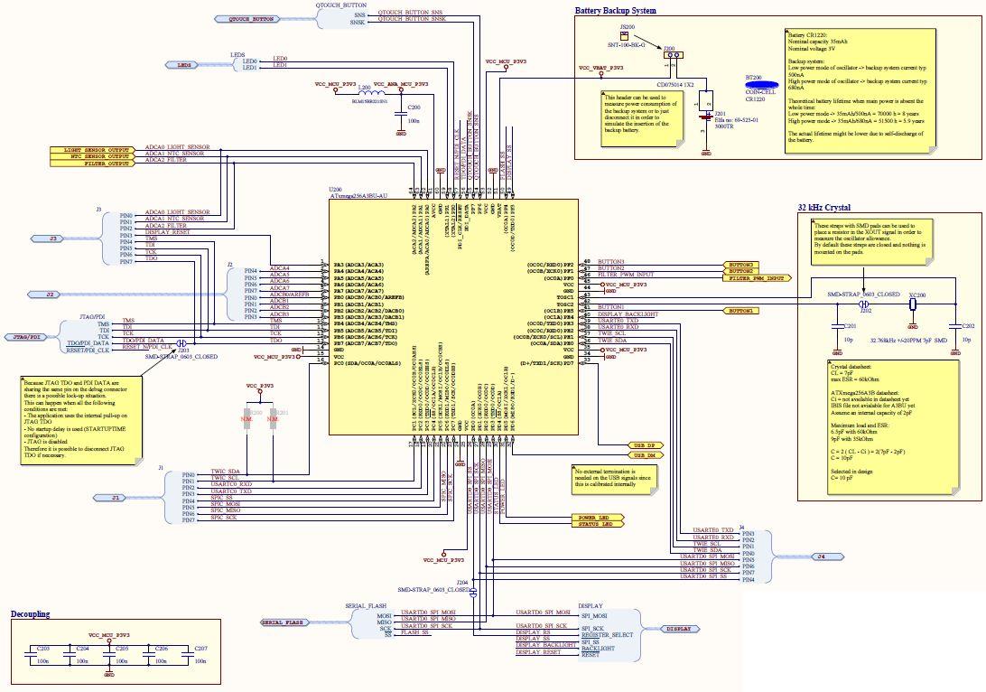
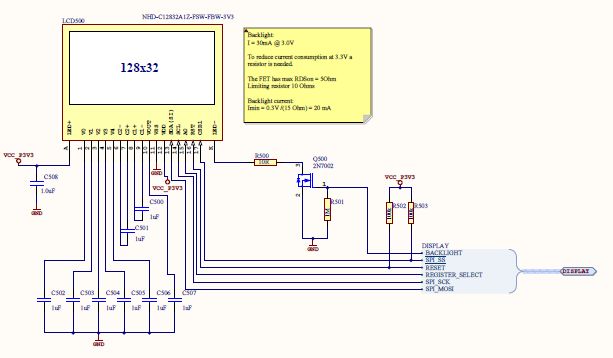
It is a low-cost evaluation and development platform for the Atmel AVR XMEGA A3BU microcontroller. It features an ATxmega256A3BU MCU with 256KB of Flash, 8KB of SRAM, and a wide range of peripherals. The kit includes an on-board debugger, a USB interface, and a range of expansion headers for connecting external components. The kit also includes a range of example projects and tutorials to help users get started quickly. The ATxmegaA3BU-XPLD is ideal for industrial applications, such as motor control, power management, and data acquisition. It is also suitable for prototyping and development of embedded systems.
Specifications
Microchip Technology technical specifications, attributes, parameters and parts with similar specifications to Microchip Technology .
- TypeParameter
- Factory Lead Time14 Weeks
- Mounting TypeFixed
- SeriesAVR® ATxmega
- Published2011
- Part StatusActive
- Moisture Sensitivity Level (MSL)1 (Unlimited)
- TypeMCU 16-Bit
- InterfaceUSB
- Number of Bits32
- Core ProcessorAVR
- Data Bus Width32b
- Utilized IC / PartATxmega256A3BU
- Evaluation KitYes
- Core ArchitectureAVR
- ContentsBoard(s), LCD
- Board TypeEvaluation Platform
- PlatformXMEGA-A3BU Xplained
- REACH SVHCNo SVHC
- RoHS StatusROHS3 Compliant
- Lead FreeLead Free
0 Similar Products Remaining
Technical Documents
Associated Products
| Part Number | Manufacturer | Description | Stock | RFQ |
|---|---|---|---|---|
| ON Semiconductor | LDO Regulator Pos 3.3V 1A 4-Pin(3 Tab) SOT-223 T/R | 8000 | RFQ | |
| Microchip Technology | MCU 8-bit/16-bit XMEGA AVR RISC 256KB Flash 1.8V/2.5V/3.3V 64-Pin TQFP | 2700 | RFQ |


Product
Brand
Articles
Tools






























