Microchip Technology ATXMEGAB1-XPLDKIT EVAL FOR ATXMEGAB1
Description
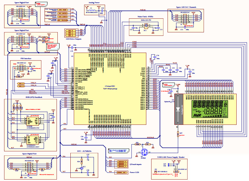
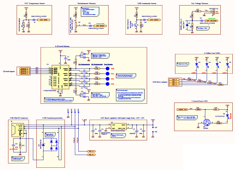
Microcontroller. It is a complete development platform that includes a XMEGA-B1 Xplained board, an Atmel AVR XMEGA128B1 MCU, and a USB cable. The board features a wide range of peripherals, including an LCD display, a temperature sensor, an accelerometer, a light sensor, a joystick, and a USB port. The board also includes a JTAG connector for programming and debugging. The board is powered by a 3.3V power supply and can be used with Atmel Studio or other development tools. The board is ideal for automotive and transportation applications, such as engine control, powertrain control, and vehicle safety systems.
Specifications
Microchip Technology technical specifications, attributes, parameters and parts with similar specifications to Microchip Technology .
- TypeParameter
- Factory Lead Time13 Weeks
- Package / CaseModule
- PackagingBulk
- SeriesAVR® ATxmega
- Published2011
- Part StatusObsolete
- Moisture Sensitivity Level (MSL)1 (Unlimited)
- InterfaceUSB
- Number of Bits32
- Data Bus Width8b
- Utilized IC / PartATmega2560
- Evaluation KitYes
- Core ArchitectureAVR
- Main PurposeMCU
- Kit TypeStarter Kit
- Interconnect SystemArduino MEGA R3 Shield
- Suggested Programming EnvironmentArduino IDE
- Included MCU/MPU Board(s)Arduino MEGA ADK R3
- REACH SVHCNo SVHC
- RoHS StatusROHS3 Compliant
- Lead FreeLead Free
0 Similar Products Remaining
Technical Documents
Associated Products
| Part Number | Manufacturer | Description | Stock | RFQ |
|---|---|---|---|---|
| Microchip Technology | Capacitive Touch Screen 4 Key 20-Pin VQFN EP | 0 | RFQ | |
| ON Semiconductor | LDO Regulator Pos 3.3V 1A 4-Pin(3 Tab) SOT-223 T/R | 8000 | RFQ | |
| Microchip Technology | MCU 8-bit/16-bit XMEGA AVR RISC 128KB Flash 1.8V/2.5V/3.3V 100-Pin TQFP | 10006 | RFQ |


Product
Brand
Articles
Tools
























