Microchip Technology DM320007PIC32 STARTER KIT W/ FPU PIC32MZ
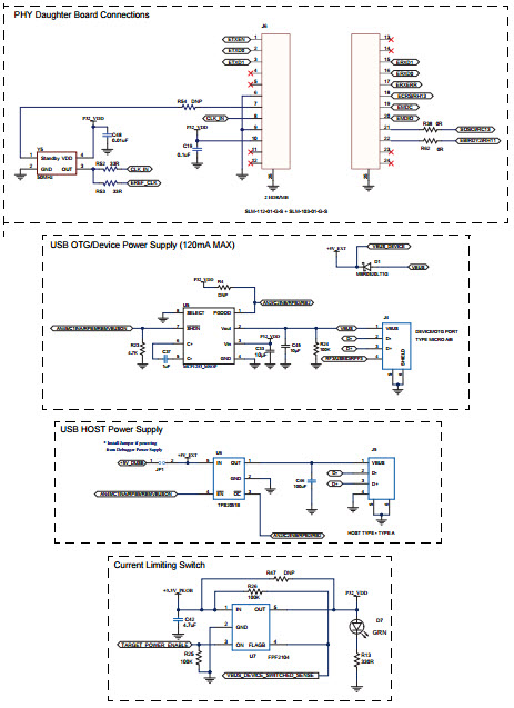
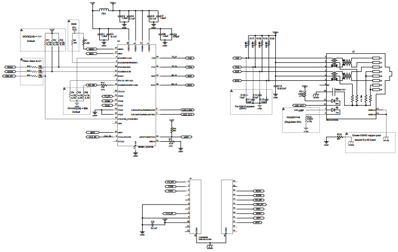
The Microchip Technology DM320007-DM320007, DM320007, PIC32MZ Embedded Connectivity with Floating Point Unit (FPU) Starter Kit Using PIC32MZ2048EFH144-I/PH is a comprehensive development platform for consumer electronics applications. It includes a PIC32MZ2048EFH144-I/PH microcontroller with a floating point unit (FPU) and a wide range of peripherals and connectivity options. The kit includes a USB-based debugger, a USB-to-UART bridge, an Ethernet port, an LCD display, an audio codec, and a variety of other components. The kit also includes a comprehensive suite of development tools, including the MPLAB X Integrated Development Environment (IDE), the MPLAB Harmony Configurator (MHC), and the MPLAB Code Configurator (MCC). This starter kit provides a great platform for developing consumer electronics applications with the PIC32MZ microcontroller.
- TypeParameter
- Factory Lead Time14 Weeks
- Mounting TypeFixed
- Number of Pins40
- SeriesPIC®
- Published2015
- Part StatusActive
- Moisture Sensitivity Level (MSL)1 (Unlimited)
- TypeMCU 32-Bit
- Number of Bits32
- Core ProcessorMIPS32® M4K™
- Utilized IC / PartPIC32MZ
- Evaluation KitYes
- Core ArchitecturePIC
- ContentsBoard(s)
- Board TypeEvaluation Platform
- PlatformPIC32 Starter Kit with FPU
- REACH SVHCNo SVHC
- RoHS StatusROHS3 Compliant
- Lead FreeLead Free
| Part Number | Manufacturer | Description | Stock | RFQ |
|---|---|---|---|---|
| Microchip Technology | MICROCHIP - 25LC256-I/ST - SERIAL EEPROM, 256KBIT, 10MHZ, TSSOP-8 | 0 | RFQ | |
| Microchip Technology | IC MCU 16BIT 256KB FLASH 64TQFP | 160 | RFQ | |
| Microchip Technology | Small Footprint Mii/rmii 10/100 Energy Efficient Ethernet Transceiver 32 QFN 5X5X0.9MM T/r | 0 | RFQ | |
| Kyocera International Inc. Electronic Components | CRYSTAL 24.0000MHZ 8PF SMD | 0 | RFQ | |
| Microchip Technology | MII/RMII 10/100 Energy Efficient Ethernet Transceiver with flexPWR Technology | 0 | BUY | |
| Microchip Technology | IC REG LINEAR 3.3V 1.5A 8DFN | 0 | RFQ | |
| Microchip Technology | IC REG SWITCHD CAP PROG 8MSOP | 0 | RFQ | |
| Abracon LLC | MEMS OSC XO 50.0000MHZ CMOS SMD | 0 | RFQ | |
| Abracon LLC | MEMS OSC XO 24.0000MHZ LVCMOS | 0 | RFQ |


Product
Brand
Articles
Tools







































