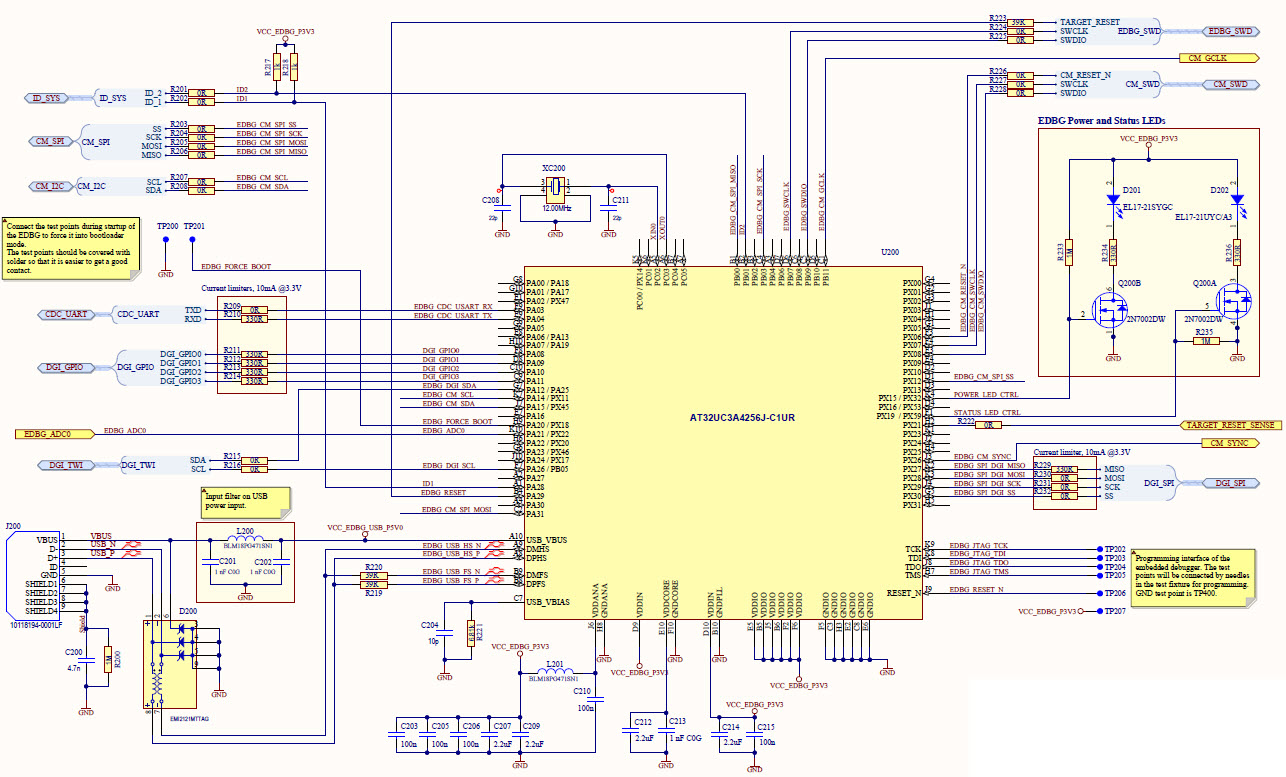
Microchip Technology DM320205SAM L11 XPLAIND PRO ATSAML11E16A
The Microchip Technology DM320205-DM320205 SAML11 Xplained Pro Evaluation Kit is a comprehensive development platform for automotive and transportation applications. It is designed to enable rapid prototyping and evaluation of the SAML11 microcontroller, which is a low-power, high-performance 32-bit ARM Cortex-M23-based MCU. The kit includes a SAML11 Xplained Pro board, a debugger, and a range of accessories. It also features an on-board debugger, a wide range of peripherals, and a comprehensive set of software tools. The kit is ideal for developing automotive and transportation applications such as engine control, powertrain control, and safety systems. It is also suitable for developing applications in the industrial, medical, and consumer markets.
- TypeParameter
- Factory Lead Time14 Weeks
- Mounting TypeFixed
- SeriesSAM L11
- Part StatusActive
- Moisture Sensitivity Level (MSL)1 (Unlimited)
- TypeMCU 32-Bit
- Core ProcessorARM® Cortex®-M23
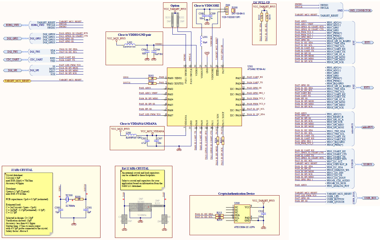
- Utilized IC / PartATSAML11E16A
- ContentsBoard(s)
- Board TypeEvaluation Platform
- PlatformSAM L11 Xplained Pro
- RoHS StatusROHS3 Compliant
| Part Number | Manufacturer | Description | Stock | RFQ |
|---|---|---|---|---|
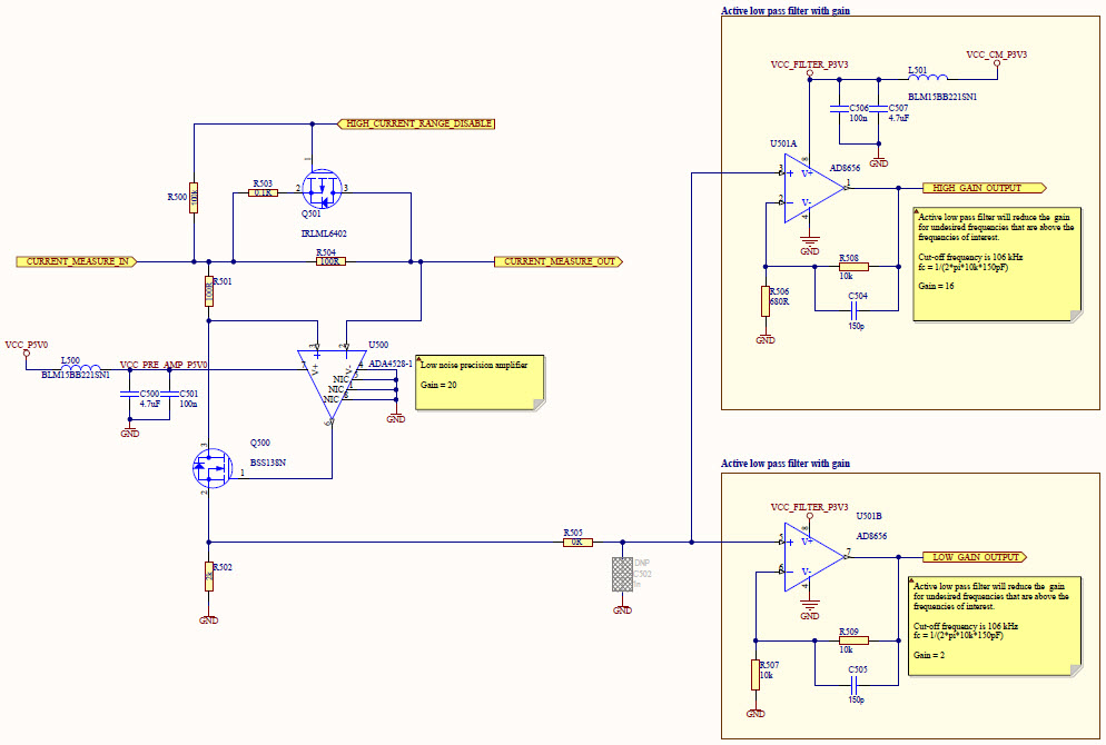
| Analog Devices Inc. | ANALOG DEVICES - AD8656ARMZ - Operational Amplifier, Dual, 2 Amplifier, 28 MHz, 11 V/µs, 2.7V to 5.5V, MSOP, 8 Pins | 0 | RFQ | |
| Microchip Technology | IC MCU 32BIT 256KB FLASH 100BGA | 1088 | RFQ | |
| Texas Instruments | IC REG LINEAR 3.3V 200MA 6WSON | 2500 | BUY | |
| Texas Instruments | LDO Regulator Pos 3.3V 0.2A 6-Pin WSON T/R | 3000 | RFQ | |
| Microchip Technology | MCU 32-Bit ARM Cortex M23 RISC 64KB Flash 3.3V 32-Pin TQFP Tray/Tube | 80 | RFQ | |
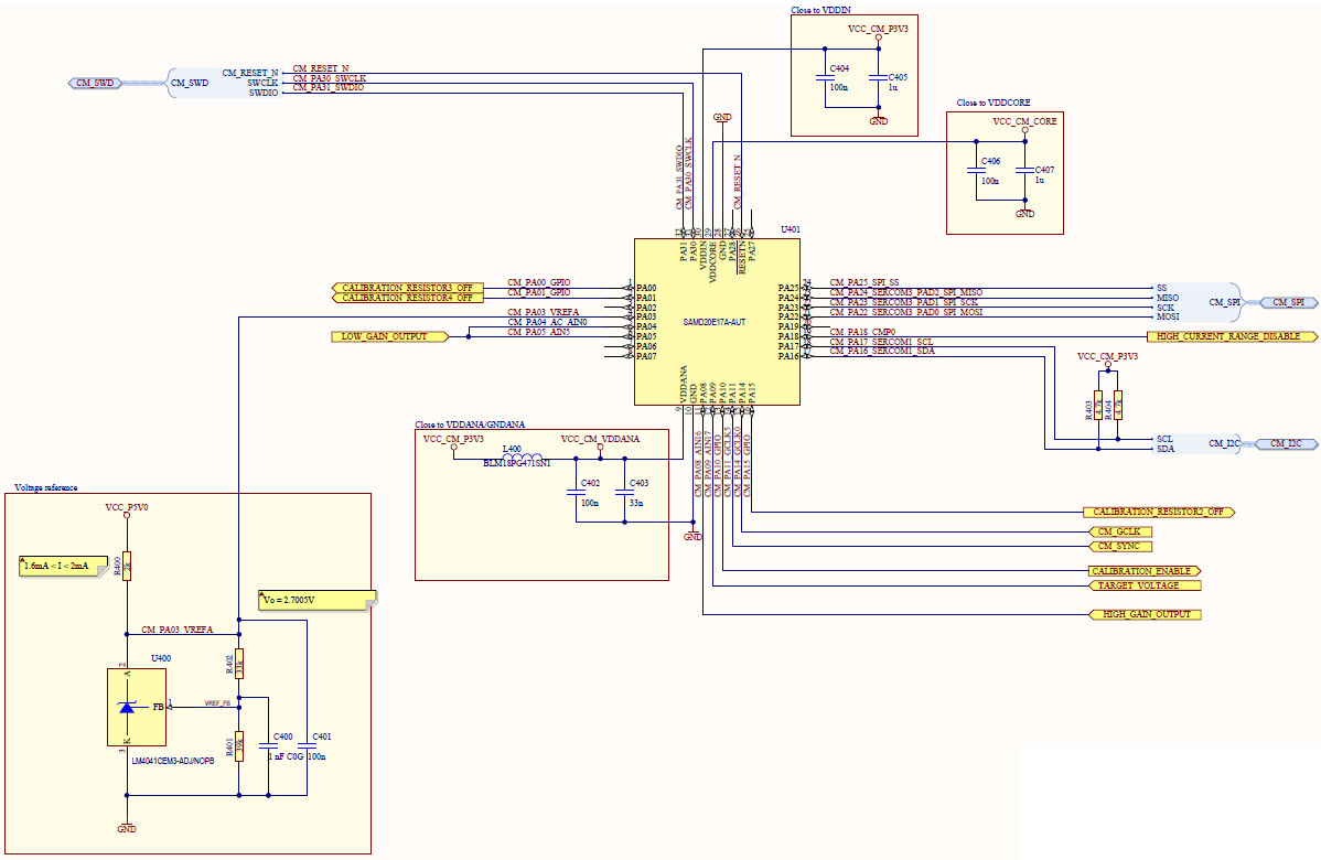
| Microchip Technology | ARM Microcontrollers - MCU Cortex-M0 128KB FLASH 16KB SRAM | 2987 | RFQ | |
| Analog Devices Inc. | ANALOG DEVICES ADA4528-1ARMZOperational Amplifier, Single, 4 MHz, 1 Amplifier, 0.5 V/s, 2.2V to 5.5V, MSOP, 8 Pins | 8 | RFQ |


Product
Brand
Articles
Tools


































