Microchip Technology EVB-LAN9500A-MIIEVALUATION BOARD LAN9500-ABZJ
Description
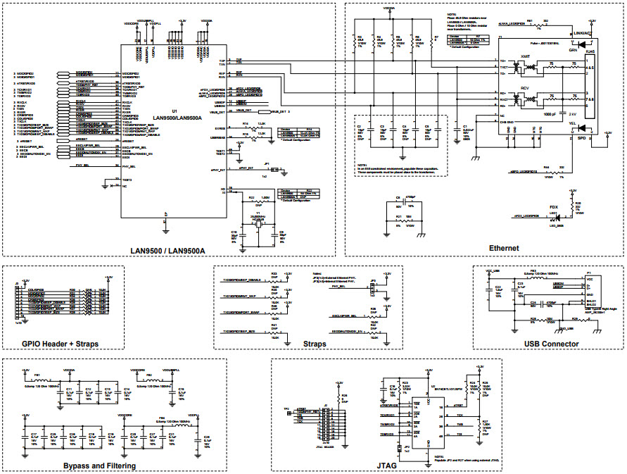
The Microchip Technology EVB-LAN9500A-MII is a customer evaluation board designed to evaluate the performance of the LAN9500A High-Speed USB 2.0 to 10/100 Ethernet controller. It features an MII interface, audio jack, and a USB 2.0 port. The board is designed to provide a simple and easy way to evaluate the performance of the LAN9500A controller. It is ideal for applications such as industrial automation, medical, and consumer electronics. The board also includes a 10/100 Ethernet port, allowing for easy connection to a network. The board is also compatible with Windows, Linux, and Mac OS X operating systems.
Specifications
Microchip Technology technical specifications, attributes, parameters and parts with similar specifications to Microchip Technology .
- TypeParameter
- Factory Lead Time16 Weeks
- Package / Case100
- Series0133
- Published2008
- Part StatusActive
- Moisture Sensitivity Level (MSL)2 (1 Year)
- TypeInterface
- Base Part NumberLAN9500A
- FunctionEthernet Controller (PHY and MAC)
- Utilized IC / PartLAN9500
- Supplied ContentsBoard(s)
- Evaluation KitYes
- Primary AttributesSingle Chip Hi-Speed USB to 10/100 Ethernet
- EmbeddedNo
- Secondary AttributesFull Duplex and HP Auto-MDIX Support, 10BASE-T and 100BASE-TX
- REACH SVHCNo SVHC
- RoHS StatusROHS3 Compliant
0 Similar Products Remaining
Technical Documents
Associated Products
| Part Number | Manufacturer | Description | Stock | RFQ |
|---|---|---|---|---|
| Microchip Technology | IC USB 2.0-10/100 ETH CRTL 56QFN | 9866 | BUY | |
| Texas Instruments | TEXAS INSTRUMENTS LP38693MP-3.3/NOPB IC, V REG LDO 0.5A 3.3V, SMD, 38693,REEL | 17 | BUY | |
| Microchip Technology | IC RESET GEN 2.63V VTH SOT143-4 | 6000 | BUY | |
| Texas Instruments | TEXAS INSTRUMENTS SN74CBTLV3125PW IC, BUS SWITCH, QUAD FET, SMD | 894 | RFQ |


Product
Brand
Articles
Tools

























