Microchip Technology KSZ8081RNB-EVALBOARD EVALUATION FOR KSZ8081RNB
Description
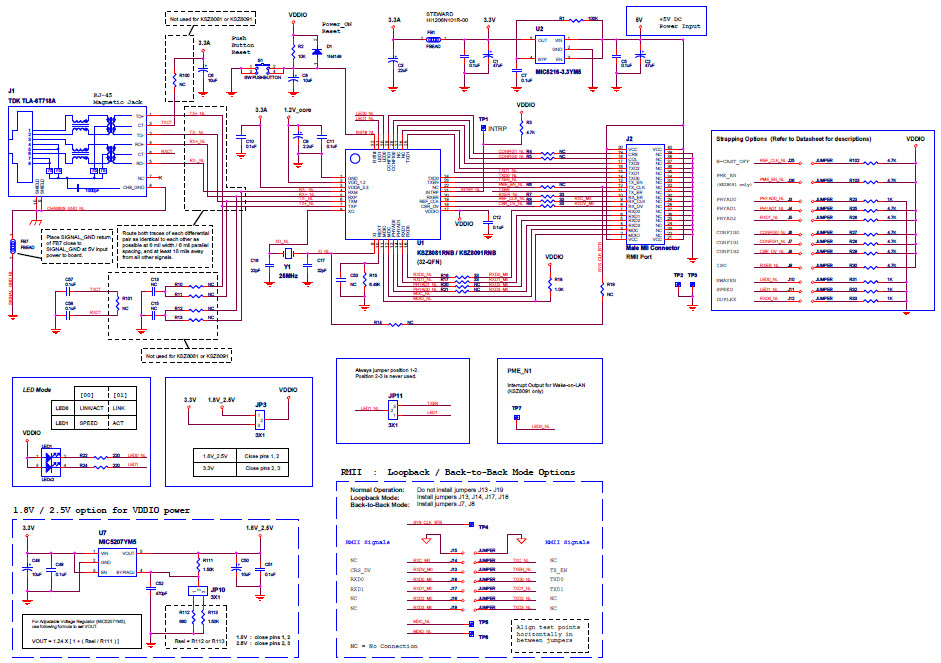
The Microchip Technology KSZ8081RNB-EVAL is an evaluation board for the KSZ8081RNB 10Base-T/100Base-TX Physical Layer Transceiver, designed for consumer electronics. It is a low-cost, easy-to-use platform for evaluating the performance of the KSZ8081RNB transceiver. The board includes a 10Base-T/100Base-TX Ethernet port, a USB port, and a power supply. It also includes a variety of test points and connectors for connecting to external devices. The board is designed to be used with the Microchip KSZ8081RNB transceiver, and is ideal for evaluating the performance of the transceiver in a variety of consumer electronics applications.
Specifications
Microchip Technology technical specifications, attributes, parameters and parts with similar specifications to Microchip Technology .
- TypeParameter
- Package / Case100
- PackagingBulk
- Published2012
- Part StatusActive
- Moisture Sensitivity Level (MSL)1 (Unlimited)
- TypeInterface
- Max Operating Temperature70°C
- Min Operating Temperature0°C
- Base Part NumberKSZ8081
- FunctionEthernet PHY
- Operating Supply Voltage3.3V
- Utilized IC / PartKSZ8081RNB
- Supplied ContentsBoard(s)
- Evaluation KitYes
- EmbeddedNo
- RoHS StatusROHS3 Compliant
- Lead FreeLead Free
0 Similar Products Remaining
Technical Documents
Associated Products
| Part Number | Manufacturer | Description | Stock | RFQ |
|---|---|---|---|---|
| Microchip Technology | 5000 | RFQ | ||
| Microchip Technology | IC TRANSCEIVER FULL 1/1 24QFN | 10282 | RFQ | |
| Microchip Technology | IC TRANSCEIVER FULL 1/1 24QFN | 2800 | RFQ | |
| Microchip Technology | IC TRANSCEIVER FULL 1/1 32QFN | 100 | RFQ | |
| Microchip Technology | IC REG LIN POS ADJ 180MA SOT23-5 | 7 | RFQ | |
| Microchip Technology | IC TXRX ETHERNET 24QFN | 8000 | RFQ | |
| Microchip Technology | IC REG LINEAR 3.3V 500MA SOT23-5 | 12000 | RFQ | |
| Microchip Technology | IC TRANSCEIVER FULL 1/1 32QFN | 3777 | RFQ | |
| Microchip Technology | IC TRANSCEIVER FULL 1/1 24QFN | 74 | RFQ | |
| Microchip Technology | IC TRANSCEIVER FULL 1/1 24QFN | 260 | BUY |


Product
Brand
Articles
Tools





















