Microchip Technology MCP6XXXEV-AMP3BOARD AMPLIFIER EVAL 3 MCP6XXX
Description
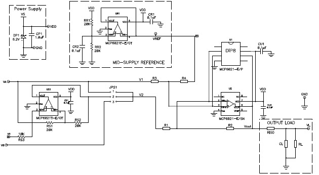
Microchip Technology's MCP6XXXEV-AMP3 is an analog amplification solution designed for automotive, audio, and industrial applications. It features a wide range of features, including low-noise operation, high-efficiency power conversion, and a wide operating temperature range. The MCP6XXXEV-AMP3 also offers a wide range of output power levels, from 1W to 10W, and can be used in a variety of applications, including automotive audio systems, industrial audio systems, and home audio systems. The MCP6XXXEV-AMP3 is designed to provide reliable performance and long-term reliability, making it an ideal choice for automotive, audio, and industrial applications.
Specifications
Microchip Technology technical specifications, attributes, parameters and parts with similar specifications to Microchip Technology .
- TypeParameter
- Factory Lead Time14 Weeks
- Published2007
- Part StatusActive
- Moisture Sensitivity Level (MSL)1 (Unlimited)
- Amplifier TypeGeneral Purpose
- Utilized IC / Part8-DIP Package
- Supplied ContentsBoard(s), Accessories
- Evaluation KitYes
- Board TypePartially Populated
- Channels per IC1 - Single
- RoHS StatusROHS3 Compliant
- Radiation HardeningNo
0 Similar Products Remaining
Technical Documents
Associated Products
| Part Number | Manufacturer | Description | Stock | RFQ |
|---|---|---|---|---|
| Microchip Technology | IC OPAMP GP 1 CIRCUIT 8TSSOP | 8810 | RFQ | |
| Microchip Technology | IC OPAMP GP 10MHZ RRO SOT23-5 | 94 | RFQ | |
| Microchip Technology | IC OPAMP GP 10MHZ RRO SOT23-5 | 15000 | RFQ | |
| Microchip Technology | IC OPAMP GP 1 CIRCUIT 8SOIC | 3000 | RFQ |


Product
Brand
Articles
Tools


















