Microchip Technology MIC22705YML EVBOARD EVAL FOR MIC22705YML
Description
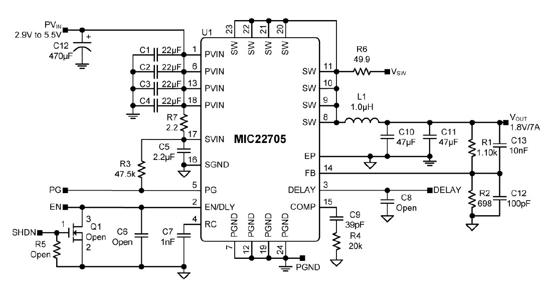
The Microchip Technology MIC22705YML-EV is a 1.8V DC to DC single output power supply designed for use in computers, peripherals, consumer electronics, and industrial applications. It features a wide input voltage range of 4.5V to 28V, and a maximum output current of 1.5A. The MIC22705YML-EV is designed to be highly efficient, with a typical efficiency of up to 95%. It also features a low quiescent current of only 10µA, and a low shutdown current of 1µA. The MIC22705YML-EV is protected against over-voltage, over-current, and short-circuit conditions, and is RoHS compliant. It is available in a small, thermally enhanced, 8-pin MLP package.
Specifications
Microchip Technology technical specifications, attributes, parameters and parts with similar specifications to Microchip Technology .
- TypeParameter
- PackagingBulk
- Part StatusActive
- Moisture Sensitivity Level (MSL)1 (Unlimited)
- Max Operating Temperature125°C
- Min Operating Temperature-40°C
- Base Part NumberMIC22705
- Current - Output7A
- Voltage - Output1.8V
- Frequency - Switching1MHz
- Utilized IC / PartMIC22705
- Supplied ContentsBoard(s)
- Evaluation KitYes
- Board TypeFully Populated
- Main PurposeDC/DC, Step Down
- Outputs and Type1, Non-Isolated
- Regulator TopologyBuck
- RoHS StatusROHS3 Compliant
- REACH SVHCNo SVHC
- Lead FreeContains Lead
0 Similar Products Remaining
Technical Documents
Associated Products
| Part Number | Manufacturer | Description | Stock | RFQ |
|---|---|---|---|---|
| Microchip Technology | LDO Regulator Pos 1.8V 0.15A 4-Pin TDFN EP T/R | 30000 | BUY |


Product
Brand
Articles
Tools














