Microchip Technology MIC23450-AAAYML EVEVAL BOARD 3MHZ 2A BUCK REG
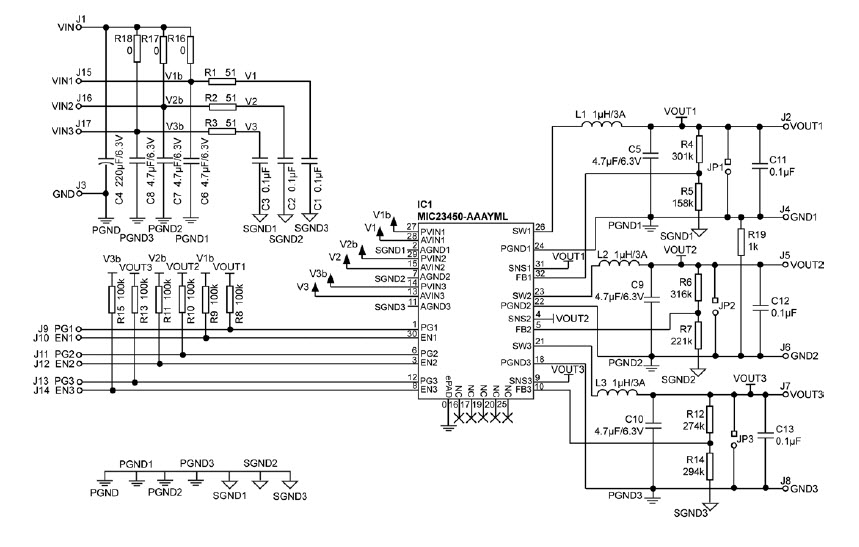
The Microchip Technology MIC23450-AAAYML EV Evaluation Board is a powerful and versatile tool for evaluating the MIC23450-AAAYMLEV 3MHz PWM 2A triple buck regulator with hyper light load and power good, Video and Imaging. This board features a wide range of features, including adjustable output voltage, adjustable switching frequency, adjustable current limit, and adjustable soft start. It also includes a power good indicator, a power good output, and a power good input. The board also includes a wide range of protection features, such as over-voltage, over-current, and short-circuit protection. This board is ideal for testing and evaluating the performance of the MIC23450-AAAYMLEV 3MHz PWM 2A triple buck regulator with hyper light load and power good, Video and Imaging.
- TypeParameter
- Voltage-Input2.7V~5.5V
- SeriesHyperLight Load®
- Part StatusActive
- Moisture Sensitivity Level (MSL)1 (Unlimited)
- Max Operating Temperature125°C
- Min Operating Temperature-40°C
- Base Part NumberMIC23450
- Current - Output2A 2A 2A
- Voltage - Output1.2V 1.5V 1.8V
- Frequency - Switching3MHz
- Utilized IC / PartMIC23450
- Supplied ContentsBoard(s)
- Evaluation KitYes
- Board TypeFully Populated
- Main PurposeDC/DC, Step Down
- Outputs and Type3, Non-Isolated
- Regulator TopologyBuck
- RoHS StatusROHS3 Compliant
- Lead FreeLead Free
| Part Number | Manufacturer | Description | Stock | RFQ |
|---|---|---|---|---|
| Analog Devices, Inc. | 0 | RFQ | ||
| Analog Devices, Inc. | 0 | RFQ | ||
| Analog Devices, Inc. | 0 | RFQ | ||
| Linear Technology/Analog Devices | IC OPAMP VFB 1 CIRCUIT TSOT23-5 | 0 | RFQ |


Product
Brand
Articles
Tools













