Microchip Technology RN-4020-PICTAILRN4020 Bluetooth Low Energy PICtail/PICtail Plus Development Kit
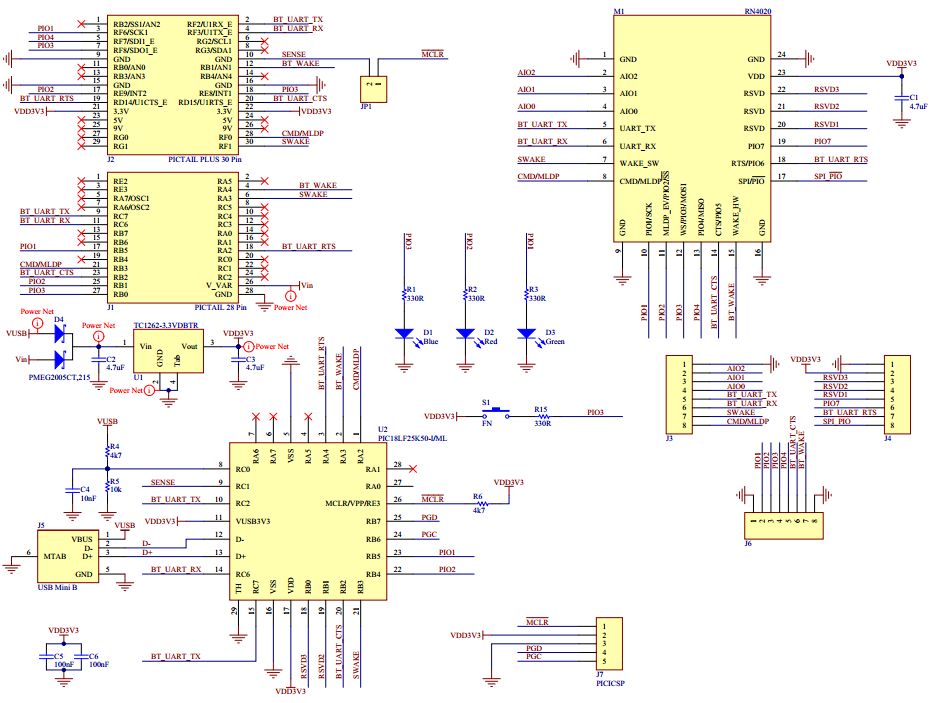
The Microchip Technology RN-4020-PICTAIL is a Bluetooth Low Energy (BLE) development platform that enables developers to quickly and easily create BLE-enabled applications. The platform consists of the RN4020 Bluetooth Low Energy PICtail/PICtail Plus Board, the Lighting Sensor Board, and the RN4020-PICTAIL Plus Board. The RN4020 Bluetooth Low Energy PICtail/PICtail Plus Board is a development board that allows developers to quickly and easily create BLE-enabled applications. It features an RN4020 Bluetooth Low Energy module, a PICtail/PICtail Plus connector, and a USB connector. The Lighting Sensor Board is an add-on board that allows developers to quickly and easily add lighting sensing capabilities to their applications. It features a light sensor, a PICtail/PICtail Plus connector, and a USB connector. The RN4020-PICTAIL Plus Board is an add-on board that allows developers to quickly and easily add additional features to their applications. It features an RN4020 Bluetooth Low Energy module, a PICtail/PICtail Plus connector, and a USB connector.
- TypeParameter
- Factory Lead Time14 Weeks
- Package / CaseModule
- SeriesPICtail™ Plus
- Published2014
- Part StatusActive
- Moisture Sensitivity Level (MSL)1 (Unlimited)
- TypeTransceiver; Bluetooth® Smart 4.x Low Energy (BLE)
- Max Operating Temperature85°C
- Min Operating Temperature-30°C
- Frequency2.4GHz
- Operating Supply Voltage3.6V
- InterfaceUART, USB
- Supplied ContentsBoard(s)
- Evaluation KitYes
- Core ArchitecturePIC
- REACH SVHCNo SVHC
- RoHS StatusROHS3 Compliant
- Lead FreeLead Free
| Part Number | Manufacturer | Description | Stock | RFQ |
|---|---|---|---|---|
| Microchip Technology | IC REG LIN 3.3V 500MA SOT223-3 | 6229 | RFQ |


Product
Brand
Articles
Tools

























