MikroElektronika MIKROE-3247MUX CLICK
Description
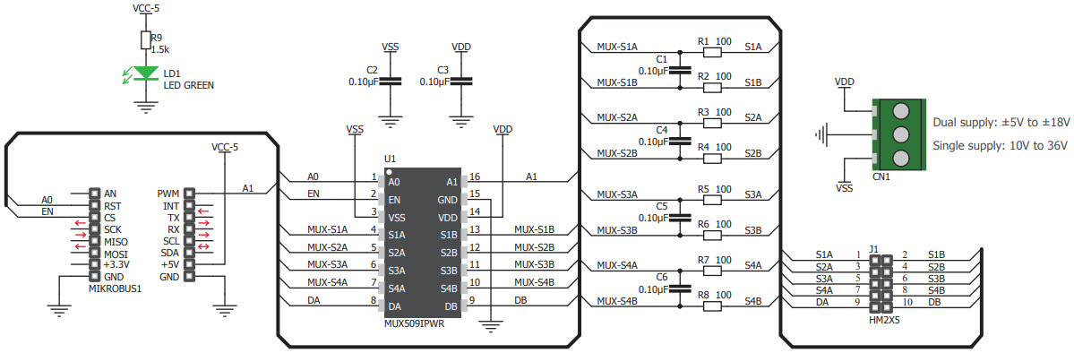
The MikroElektronika MIKROE-3247 MUX Click board is a versatile and powerful solution for precise analog multiplexing and power management. It is based on the MUX509 IC, which is a high-performance, low-power, 8-channel multiplexer with integrated power management. The board features 8 analog inputs, 8 digital outputs, and a power management IC, allowing for precise control of analog signals. It also features a wide range of features, such as adjustable gain, adjustable offset, and adjustable slew rate. The board is ideal for applications such as data acquisition, signal conditioning, and power management. It is also compatible with a wide range of microcontrollers, making it a great choice for embedded systems.
Specifications
MikroElektronika technical specifications, attributes, parameters and parts with similar specifications to MikroElektronika .
- TypeParameter
- Factory Lead Time4 Weeks
- Part StatusActive
- Moisture Sensitivity Level (MSL)1 (Unlimited)
- TypeInterface
- FunctionMultiplexer (MUX)
- Utilized IC / PartMUX509
- ContentsBoard(s)
- PlatformmikroBUS™ Click™
- RoHS StatusROHS3 Compliant
0 Similar Products Remaining
Technical Documents


Product
Brand
Articles
Tools

















