Nuvoton Technology Corporation of America NU-LB-MINI51Mini51 Microcontroller Development Board
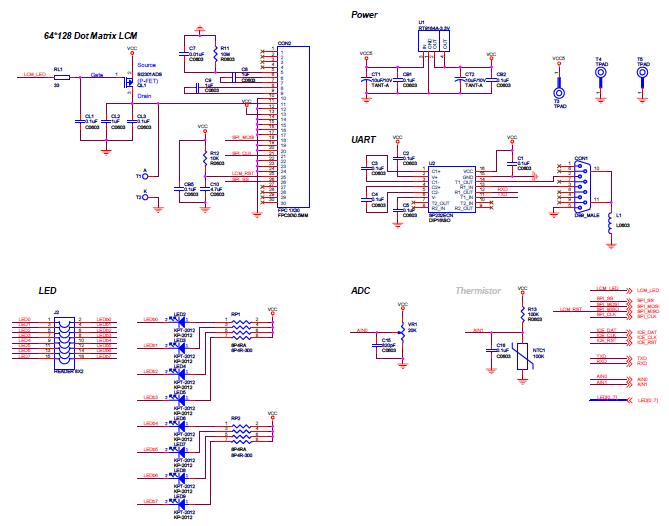
Nuvoton Technology Corporation's NU-LB-MINI51 Development Board is a powerful instrumentation and measurement microcontroller (MCU) based on the NuMicro Mini51 Series. It is designed to provide users with a comprehensive set of features and capabilities for a wide range of applications. The board includes a 32-bit ARM Cortex-M0 core, a wide range of peripherals, and a variety of development tools. It is capable of running up to 48MHz and supports up to 32KB of Flash memory. The board also features a variety of analog and digital I/O, including UART, I2C, SPI, PWM, and ADC. Additionally, the board is equipped with a USB 2.0 interface, an LCD display, and a JTAG interface for debugging. The NU-LB-MINI51 Development Board is an ideal solution for instrumentation and measurement applications.
- TypeParameter
- Mounting TypeFixed
- SeriesNuMicro™
- Published2011
- Part StatusObsolete
- Moisture Sensitivity Level (MSL)1 (Unlimited)
- TypeMCU 32-Bit
- Core ProcessorARM® Cortex®-M0
- Utilized IC / PartMINI54LAN
- ContentsBoard(s), Cable(s), LCD
- Board TypeEvaluation Platform
| Part Number | Manufacturer | Description | Stock | RFQ |
|---|---|---|---|---|
| Microchip Technology | EEPROM Serial-I2C 64K-bit 8K x 8 3.3V/5V 8-Pin TDFN EP T/R | 3463 | BUY | |
| Microchip Technology | EEPROM, SER, 64K, 2.5V, 1/4ARRAY, 8TSSOP | 39 | RFQ | |
| Microchip Technology | IC EEPROM 64KBIT 400KHZ 8SOIC | 0 | RFQ | |
| Microchip Technology | EEPROM Serial-I2C 64K-bit 8K x 8 3.3V/5V Automotive 8-Pin SOIC N | 15000 | BUY | |
| Microchip Technology | IC EEPROM 64K I2C 400KHZ 8DIP | 498 | BUY | |
| Microchip Technology | IC EEPROM 64KBIT 400KHZ 8TDFN | 3576 | BUY | |
| Microchip Technology | IC EEPROM 64KBIT 400KHZ SOT23-5 | 5000 | BUY | |
| Microchip Technology | MICROCHIP 24LC64F-I/P EEPROM, 64 Kbit, 8K x 8bit, 400 kHz, I2C, DIP, 8 Pins | 8408 | RFQ | |
| Microchip Technology | EEPROM Serial-I2C 64K-bit 8K x 8 3.3V/5V Automotive 8-Pin MSOP T/R | 27 | RFQ | |
| Microchip Technology | EEPROM Serial-I2C 64K-bit 8K x 8 3.3V/5V Automotive 8-Pin TSSOP | 90 | BUY | |
| Microchip Technology | EEPROM Serial-I2C 64K-bit 8K x 8 3.3V/5V 8-Pin MSOP T/R | 7809 | RFQ | |
| Microchip Technology | EEPROM Serial-I2C 64K-bit 8K x 8 3.3V/5V 8-Pin MSOP | 312 | RFQ |


Product
Brand
Articles
Tools

























