NXP USA Inc. DEMO9S08QG8EFREESCALE SEMICONDUCTOR DEMO9S08QG8E MC9S08QG8, USB TO BDM, DEMO BOARD
Description
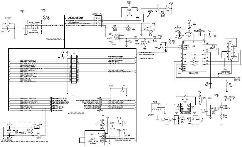
The NXP Semiconductors DEMO9S08QG8E-E is a demonstration board for the MC9S08QG8 high-performance, S08 microcontroller family, designed for consumer electronics applications. It features a 32-bit S08 core with up to 32KB of Flash memory, 2KB of RAM, and a wide range of peripherals. The board includes a USB-based debug interface, a 3.3V power supply, and a variety of on-board connectors for easy connection to external devices. The board also includes a range of example applications to help users get started quickly. The DEMO9S08QG8E-E is an ideal platform for developing and testing consumer electronics applications.
Specifications
NXP USA Inc. technical specifications, attributes, parameters and parts with similar specifications to NXP USA Inc. .
- TypeParameter
- Factory Lead Time12 Weeks
- Mounting TypeFixed
- SeriesHCS08
- Published2005
- Part StatusActive
- Moisture Sensitivity Level (MSL)1 (Unlimited)
- TypeMCU 8-Bit
- Utilized IC / PartMC9S08QG8
- ContentsBoard(s)
- Board TypeEvaluation Platform
- RoHS StatusROHS3 Compliant
0 Similar Products Remaining
Technical Documents
Associated Products
| Part Number | Manufacturer | Description | Stock | RFQ |
|---|---|---|---|---|
| STMicroelectronics | STMICROELECTRONICS L4931CD33-TR Fixed LDO Voltage Regulator, 5.3V to 20V, 400mV Dropout, 3.3Vout, 300mAout, SOIC-8 | 2500 | RFQ | |
| STMicroelectronics | IC REG LINEAR 3.3V 250MA 8SO | 10027 | RFQ | |
| STMicroelectronics | Linear Voltage Regulators VLDO 0.4V 250mA Low Quiescent SO-8 | 0 | RFQ |


Product
Brand
Articles
Tools














