NXP USA Inc. TRK-USB-S12G128Development Boards & Kits - Other Processors S12G128 STRAKMiniUSB
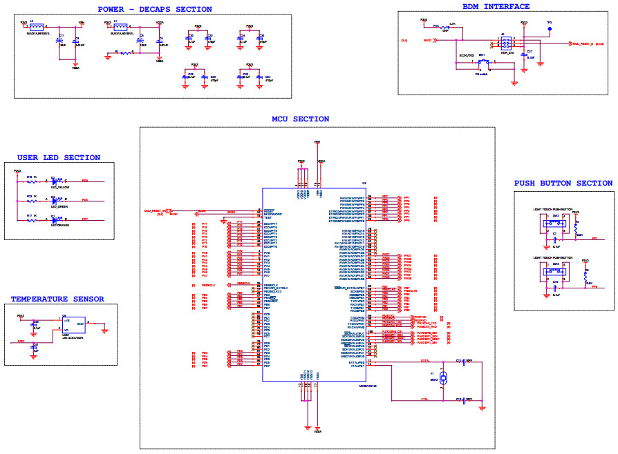
The NXP Semiconductors TRK-USB-S12G128 is a starterTRAK USB development system for automotive applications. It is designed to provide a comprehensive development platform for automotive and transportation applications. The system includes a S12G128 microcontroller, a USB interface, and a range of development tools. The S12G128 microcontroller is a 32-bit, low-power, high-performance device that is ideal for automotive applications. The USB interface allows for easy connection to a PC for programming and debugging. The development tools include a C compiler, an assembler, a debugger, and a simulator. The system also includes a range of example programs and tutorials to help users get started quickly. The TRK-USB-S12G128 is an ideal solution for automotive and transportation applications.
- TypeParameter
- Factory Lead Time11 Weeks
- Mounting TypeFixed
- SeriesHCS12
- Published2012
- Part StatusActive
- Moisture Sensitivity Level (MSL)1 (Unlimited)
- TypeMCU 16-Bit
- Utilized IC / PartMC9S12G128
- ContentsBoard(s)
- Board TypeEvaluation Platform
- PlatformStarterTRAK
- RoHS StatusROHS3 Compliant
| Part Number | Manufacturer | Description | Stock | RFQ |
|---|---|---|---|---|
| Texas Instruments | IC INVERTER 1CH 1-INP SOT23-5 | 880 | BUY | |
| Texas Instruments | IC INVERTER 1CH 1-INP 6SON | 10000 | RFQ | |
| Texas Instruments | IC INVERTER SGL 1-INPUT SOT23-5 | 756 | RFQ | |
| Microchip Technology | MICREL SEMICONDUCTOR MIC2026-1YM.Power Distribution Switch, Current Limited, High Side, Active High, 2 Outputs, 5.5V, 0.9A, SOIC-8 | 570 | RFQ | |
| Texas Instruments | TEXAS INSTRUMENTS LM61CIM3/NOPB IC, TEMP SENSOR, SMD, SOT-23-3,FULL REEL | 10000 | RFQ | |
| Texas Instruments | IC INVERTER 1CH 1-INP 5SOT | 1937 | BUY | |
| Texas Instruments | Inverter 1-Element CMOS 5-Pin SC-70 T/R | 2733 | BUY | |
| Texas Instruments | IC INVERTER 1CH 1-INP SOT23-5 | 11 | RFQ | |
| Texas Instruments | IC INVERTER 1CH 1-INP SOT23-5 | 711 | RFQ |


Product
Brand
Articles
Tools

























