NXP USA Inc. TSSEVBBOARD EVALUATION TOUCH SENSING
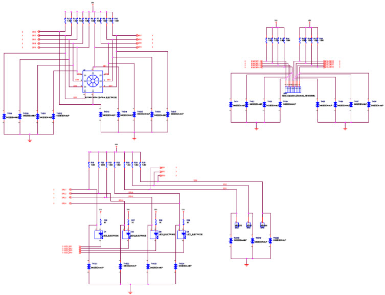
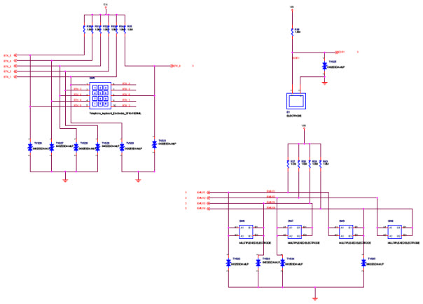
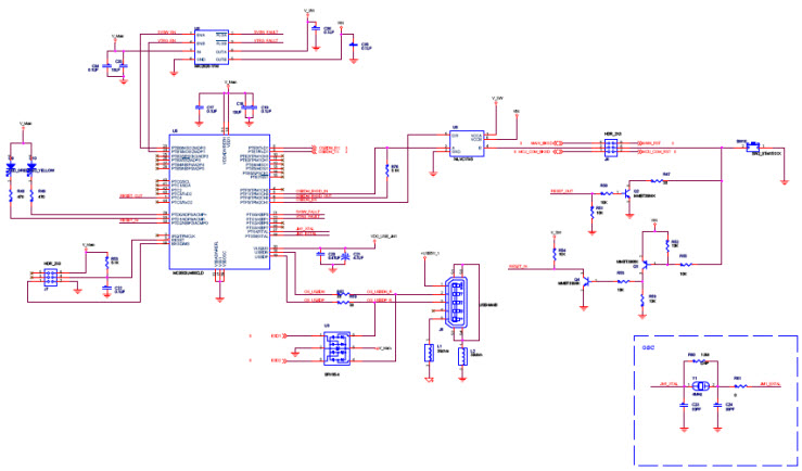
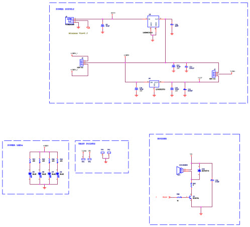
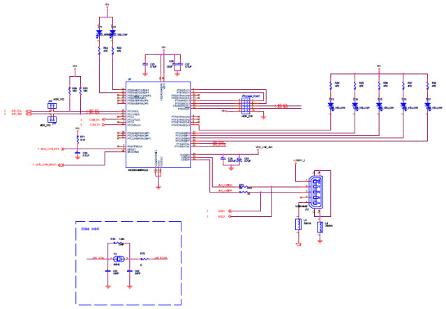
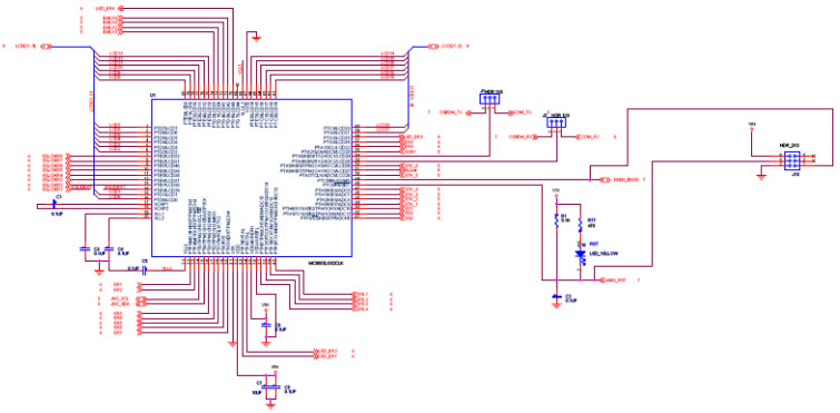
The NXP Semiconductors TSSEVB-TSSEVB, TSSEVB, Touch Sensing Evaluation Board is a comprehensive development platform for automotive and transportation applications. It is based on the MC9S08JM60 MCU and provides a complete solution for evaluating and developing touch sensing applications. The board includes a touch sensing controller, a touch sensing interface, and a touch sensing display. It also includes a variety of software and hardware components, such as a debugger, a power supply, and a USB interface. The board is designed to be used with the NXP Semiconductors MC9S08JM60 MCU and is compatible with a variety of automotive and transportation applications. The board is ideal for evaluating and developing touch sensing applications, and it provides a comprehensive development platform for automotive and transportation applications.
- TypeParameter
- Factory Lead Time11 Weeks
- PackagingBox
- Published2010
- Part StatusActive
- Moisture Sensitivity Level (MSL)1 (Unlimited)
- InterfaceUSB
- Supplied ContentsBoard(s), Cable(s)
- Sensor TypeTouch, Capacitive
- EmbeddedYes, MCU, 8-Bit
- RoHS StatusROHS3 Compliant
| Part Number | Manufacturer | Description | Stock | RFQ |
|---|---|---|---|---|
| Texas Instruments | IC REG LIN 5V 1A DDPAK/TO263-3 | 26200 | RFQ | |
| Microchip Technology | MICREL SEMICONDUCTOR MIC2026-1YM.Power Distribution Switch, Current Limited, High Side, Active High, 2 Outputs, 5.5V, 0.9A, SOIC-8 | 570 | RFQ | |
| Texas Instruments | TEXAS INSTRUMENTS - SN74LVC1T45DBVR - Transceiver, 74LVC1T245, 1.65 V to 5.5 V, SOT-23-6 | 10000 | RFQ | |
| STMicroelectronics | STMICROELECTRONICS LD1085D2T33RFixed LDO Voltage Regulator, 6.3V to 30V, 1.3V Dropout, 3.3Vout, 3Aout, TO-263-3 | 4631 | RFQ | |
| Abracon LLC | CRYSTAL 4.0000MHZ 18PF SMD | 17000 | RFQ |


Product
Brand
Articles
Tools


































