NXP USA Inc. TWR-KV10Z32NXP TWR-KV10Z32 Development Board, Tower System Module, Rapid Prototyping & Tool Re-use Capability
Description
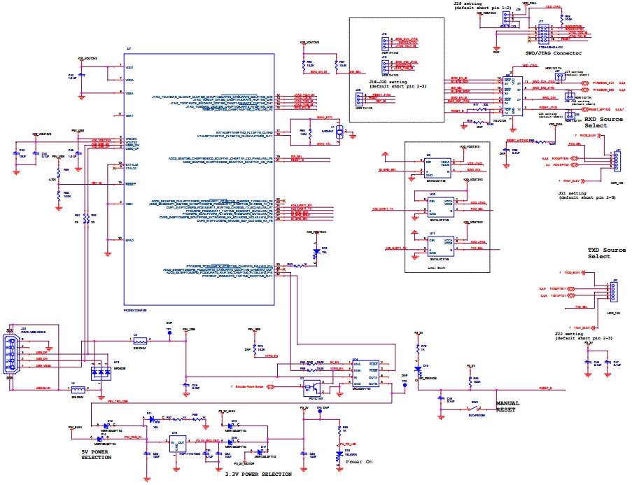
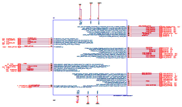
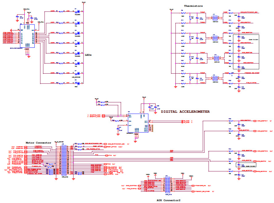
The NXP Semiconductors TWR-KV10Z32 is a Kinetis KV1x Family Tower System Module designed for industrial automation applications. It features a 32-bit ARM Cortex-M0+ processor, up to 128KB of Flash memory, and up to 16KB of SRAM. It also includes a variety of peripherals, such as a 12-bit ADC, a 12-bit DAC, a CAN controller, and a USB 2.0 full-speed controller. The module is designed to be used in a variety of industrial automation applications, such as motor control, industrial networking, and embedded control. It is also designed to be used in harsh environments, with an operating temperature range of -40°C to +85°C.
Specifications
NXP USA Inc. technical specifications, attributes, parameters and parts with similar specifications to NXP USA Inc. .
- TypeParameter
- Factory Lead Time11 Weeks
- Mounting TypeFixed
- SeriesKinetis
- Published2002
- Part StatusActive
- Moisture Sensitivity Level (MSL)1 (Unlimited)
- TypeMCU 32-Bit
- Core ProcessorARM® Cortex®-M0+
- Utilized IC / PartKV1x
- ContentsBoard(s)
- Board TypeEvaluation Platform
- PlatformTower System
- RoHS StatusROHS3 Compliant
0 Similar Products Remaining
Technical Documents
Associated Products
| Part Number | Manufacturer | Description | Stock | RFQ |
|---|---|---|---|---|
| Nexperia USA Inc. | IC BUF NON-INVERT 3.6V 14TSSOP | 10 | BUY | |
| Texas Instruments | IC TRNSLTR BIDIRECTIONAL SC70-6 | 11982 | RFQ | |
| Texas Instruments | IC TRNSLTR BIDIRECTIONAL 6SOT | 1990 | RFQ | |
| Texas Instruments | IC BUS TRANSCVR TRI-ST SOT23-6 | 33 | RFQ | |
| Texas Instruments | TEXAS INSTRUMENTS SN74LVC1T45MDCKREP 1I/P SINGLE, VOLTAGE TRANSLATOR, 6-SC-70 | 0 | RFQ | |
| Nexperia USA Inc. | IC BUFF NON-INVERT 3.6V 14DHVQFN | 2846 | RFQ | |
| Texas Instruments | IC TRNSLTR BIDIRECTIONAL 6USON | 40 | BUY | |
| Texas Instruments | IC BUS TRANSCVR TRI-ST SOT23-6 | 7900 | BUY | |
| Texas Instruments | IC TRNSLTR BIDIRECTIONAL SC70-6 | 173875 | BUY | |
| NXP USA Inc. | Buffers & Line Drivers Quadbufferline drvr w/5V input/outputs | 0 | RFQ |


Product
Brand
Articles
Tools


































