ON Semiconductor ONS321B12VGEVBEvaluation Board For A Single Phase Buck Converter
Description
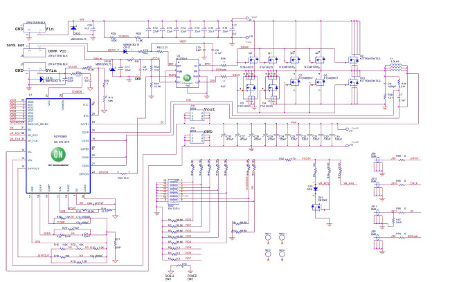
The ONS321B12VGEVB-VGEVB is a 12 Vgs MOSFET Evaluation Board from ON Semiconductor. It is designed to help engineers evaluate the performance of MOSFETs in a variety of applications. The board features a wide range of components, including a power supply, a voltage regulator, a current monitor, and a temperature sensor. It also includes a variety of test points and connectors for easy connection to a computer or peripheral device. The board is designed to be used with a variety of MOSFETs, including the ON Semiconductor ONS321B12VGEVB. This evaluation board is an ideal tool for engineers who need to quickly and accurately evaluate the performance of MOSFETs in their applications.
Specifications
ON Semiconductor technical specifications, attributes, parameters and parts with similar specifications to ON Semiconductor .
- TypeParameter
- Factory Lead Time52 Weeks
- Published2012
- Part StatusActive
- Moisture Sensitivity Level (MSL)1 (Unlimited)
- Voltage - Output0.8V~1.55V
- Frequency - Switching330kHz
- Utilized IC / PartNCP5386
- Supplied ContentsBoard(s)
- Evaluation KitYes
- Board TypeFully Populated
- Main PurposeDC/DC, Step Down
- Outputs and Type1, Non-Isolated
- Regulator TopologyBuck
- RoHS StatusROHS3 Compliant
0 Similar Products Remaining
Technical Documents
Associated Products
| Part Number | Manufacturer | Description | Stock | RFQ |
|---|---|---|---|---|
| ON Semiconductor | ON SEMICONDUCTOR - NUD4001DR2G - LED DRIVER, LINEAR, NSOIC-8 | 100 | RFQ | |
| ON Semiconductor | LED DRVR 3Segment Automotive 8-Pin SOIC N T/R | 20 | BUY |


Product
Brand
Articles
Tools









