STMicroelectronics EVAL-RHF1401V2RHF1401K1 30 Msps 14-Bit Analog to Digital Converter Evaluation Board
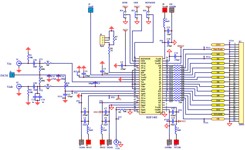
Grade is an evaluation board designed to evaluate the performance of the RHF1201 14-bit, 30 MSPS Analog-to-Digital Converter (ADC). The board is designed to meet the requirements of military and aerospace applications, and is capable of operating in temperatures ranging from -55°C to +125°C. The board features a wide range of input and output connectors, allowing for easy connection to external test equipment. The board also includes a variety of test and evaluation features, such as a built-in oscilloscope, a signal generator, and a power supply. The board also includes a USB interface for easy connection to a PC, allowing for easy data acquisition and analysis. The board is designed to provide a complete solution for evaluating the performance of the RHF1201 ADC, and is ideal for use in a variety of applications, including radar, communications, and medical imaging.


Product
Brand
Articles
Tools











