STMicroelectronics NUCLEO-F429ZINUCLEO-144 STM32F429ZI EVAL BRD
Description
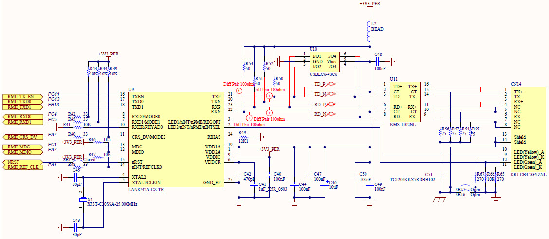
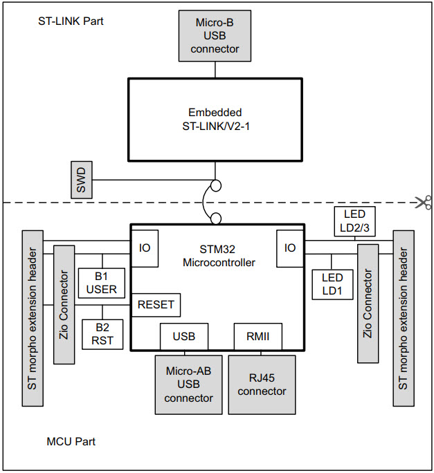
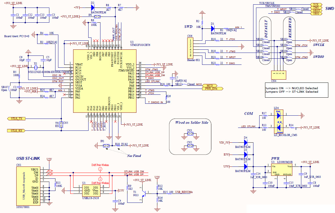
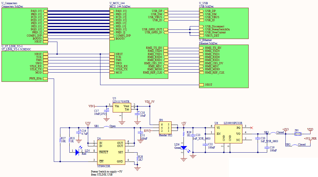
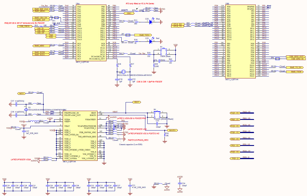
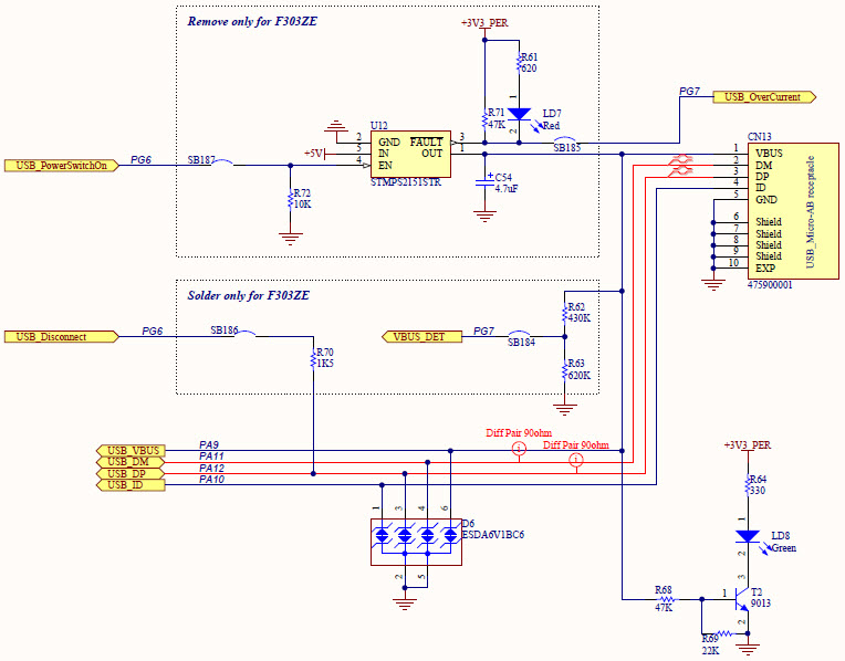
The STMicroelectronics NUCLEO-F429ZI is a STM32 Nucleo-144 Development Board with an STM32F429ZIT6 MCU. It is designed to support Arduino, ST Zio and Morpho, making it a great choice for consumer electronics projects. It features an ARM Cortex-M4 core with a maximum clock speed of 180 MHz, 2 MB of Flash memory, and 256 KB of SRAM. It also has a wide range of peripherals, including USB OTG, Ethernet, CAN, and multiple serial communication interfaces. The board also includes an ST-LINK/V2-1 debugger/programmer, allowing for easy programming and debugging. With its wide range of features and support for multiple development platforms, the STMicroelectronics NUCLEO-F429ZI is an ideal choice for consumer electronics projects.
Specifications
STMicroelectronics technical specifications, attributes, parameters and parts with similar specifications to STMicroelectronics .
- TypeParameter
- Mounting TypeFixed
- SeriesSTM32F4
- Part StatusActive
- Moisture Sensitivity Level (MSL)1 (Unlimited)
- TypeMCU 32-Bit
- Number of Bits32
- Core ProcessorARM® Cortex®-M4
- Utilized IC / PartSTM32F429ZI, mbed-Enabled Development
- Evaluation KitYes
- Core ArchitectureARM
- ContentsBoard(s)
- Board TypeEvaluation Platform
- PlatformNucleo-144
- REACH SVHCNo SVHC
- RoHS StatusROHS3 Compliant
- Lead FreeLead Free
0 Similar Products Remaining
Technical Documents
Associated Products
| Part Number | Manufacturer | Description | Stock | RFQ |
|---|---|---|---|---|
| NDK | Crystal 0.032768MHz ±20ppm (Tol) 9pF Flexural 70000Ohm Automotive 2-Pin SMD | 45 | RFQ | |
| NDK America, Inc. | CRYSTAL 8MHZ 8PF SMD | 0 | RFQ | |
| NDK America, Inc. | Crystal 32.7680KHZ 6PF SMD | 5275 | RFQ | |
| STMicroelectronics | IC REG LINEAR 3.3V 150MA SOT23-5 | 6000 | RFQ | |
| NDK America, Inc. | CRYSTAL 32.768KHZ 6PF SMD | 999999 | BUY | |
| NIHON INTER ELECTRONICS CORP | Crystal 8MHz 8pF 2-Pin SMD (Alt: NX3225GD-8.000M-STD-CRA-3) | 0 | RFQ | |
| STMicroelectronics | STMICROELECTRONICS - LD1117S50TR - Fixed LDO Voltage Regulator, 6.5V to 15V, 1.1V Dropout, 5Vout, 800mAout, SOT-223-3 | 45000 | RFQ | |
| NDK America, Inc. | Crystal 32.768KHZ 12.5PF SMD | 724 | BUY |


Product
Brand
Articles
Tools































