STMicroelectronics NUCLEO-L053R8STMICROELECTRONICS NUCLEO-L053R8 Development Board, 32Bit STM32L053R8 MCU, Cortex-M0+, LQFP64 Package
Description
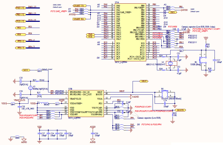
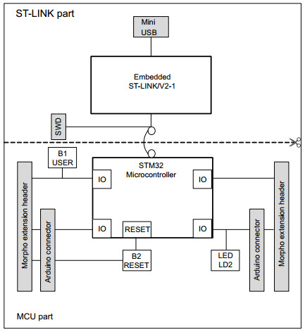
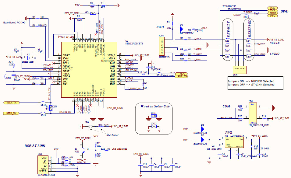
The STMicroelectronics NUCLEO-L053R8 is a STM32 Nucleo Development Board with an STM32L053R8T6 microcontroller unit (MCU). It is designed to support both Arduino and ST morpho connectivity, making it an ideal choice for consumer electronics applications. The board features a wide range of peripherals, including a USB port, an LCD display, and a variety of sensors. It also includes an onboard debugger and programmer, allowing for easy debugging and programming of the MCU. The board is also compatible with a range of development tools, making it easy to develop and deploy applications.
Specifications
STMicroelectronics technical specifications, attributes, parameters and parts with similar specifications to STMicroelectronics .
- TypeParameter
- Mounting TypeFixed
- SeriesSTM32L0
- Part StatusActive
- Moisture Sensitivity Level (MSL)1 (Unlimited)
- TypeMCU 32-Bit
- Operating Supply Voltage12V
- InterfaceUSB
- Number of Bits32
- Core ProcessorARM® Cortex®-M0+
- Data Bus Width32b
- Utilized IC / PartSTM32L053R8, mbed-Enabled Development
- Evaluation KitYes
- Core ArchitectureARM
- ContentsBoard(s)
- Board TypeEvaluation Platform
- PlatformNucleo-64
- REACH SVHCNo SVHC
- RoHS StatusROHS3 Compliant
- Lead FreeLead Free
0 Similar Products Remaining
Technical Documents
Associated Products
| Part Number | Manufacturer | Description | Stock | RFQ |
|---|---|---|---|---|
| Nexperia USA Inc. | Voltage Level Translator 1-CH Bidirectional 6-Pin XSON T/R | 10351 | BUY | |
| Nexperia USA Inc. | IC TRNSLTR BIDIRECTIONAL 6XSON | 897 | BUY | |
| Nexperia | Voltage Level Translator 1-CH Bidirectional 6-Pin XSON | 10000 | RFQ | |
| Nexperia USA Inc. | Voltage Level Translator 1-CH Bidirectional Automotive 6-Pin TSSOP T/R | 30000 | BUY | |
| Nexperia USA Inc. | IC TRNSLTR BIDIRECTIONAL 6XSON | 4119 | BUY | |
| Nexperia USA Inc. | IC TRNSLTR BIDIRECTIONAL 6TSSOP | 3000 | BUY | |
| Nexperia USA Inc. | 74LVC_LVCH1T45-Q100 - Dual supply translating transceiver; 3-state | 10000 | RFQ |


Product
Brand
Articles
Tools


























