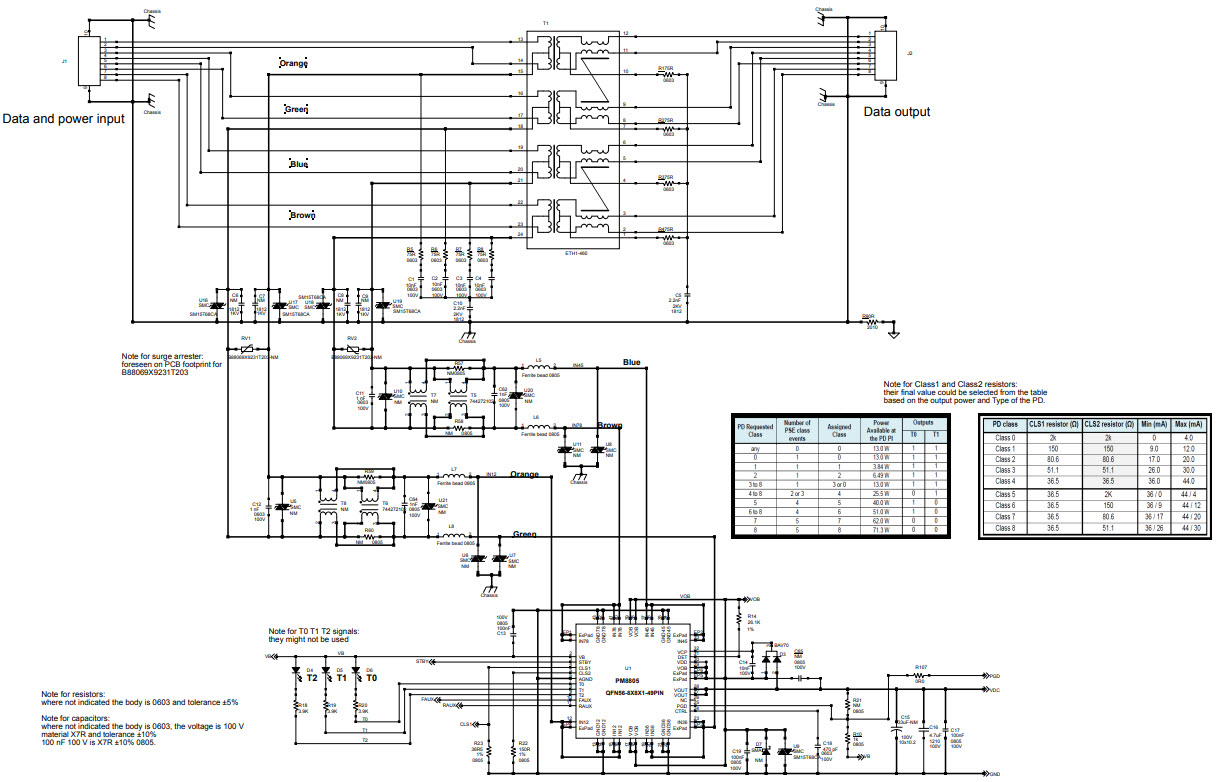
STMicroelectronics STEVAL-POE002V1POWER OVER ETHERNET - PD CONVERT
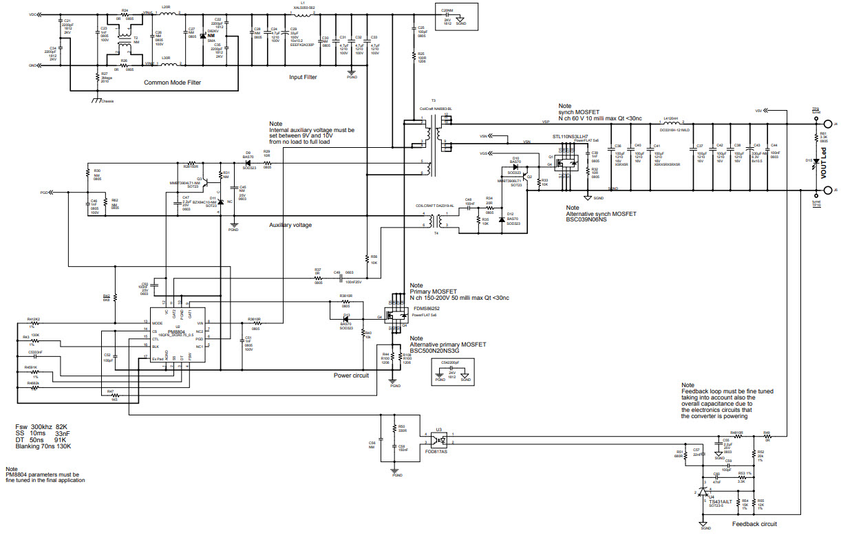
The STMicroelectronics STEVAL-POE002V1 is a 5V/8A synchronous flyback converter reference design that is compliant with the IEEE 802.3bt Power over Ethernet (PoE) standard. This reference design is ideal for consumer electronics applications that require a reliable and efficient power source. The STEVAL-POE002V1 features a wide input voltage range of 36V to 57V, allowing it to be used in a variety of PoE applications. It also features a high efficiency of up to 94%, making it an ideal choice for applications that require a low power consumption. The STEVAL-POE002V1 also features a wide operating temperature range of -40°C to +85°C, making it suitable for use in a variety of environments. Additionally, the STEVAL-POE002V1 is designed to meet the safety requirements of UL60950-1 and EN60950-1, making it a safe and reliable choice for consumer electronics applications.
- TypeParameter
- Factory Lead Time10 Weeks
- Part StatusActive
- Moisture Sensitivity Level (MSL)1 (Unlimited)
- TypePower Management
- FunctionPower over Ethernet (PoE)
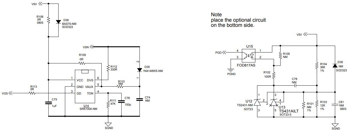
- Utilized IC / PartPM8804, PM8805
- Supplied ContentsBoard(s)
| Part Number | Manufacturer | Description | Stock | RFQ |
|---|---|---|---|---|
| STMicroelectronics | IC VREF SHUNT ADJ SOT23-3 | 995 | BUY | |
| STMicroelectronics | IC VREF SHUNT ADJ SOT23-5 | 0 | RFQ | |
| STMicroelectronics | STMICROELECTRONICS - PM8805TR - Power Over Ethernet (POE) Controller, 57V Input, 2A Output, 33.5V UVLO, VFQFPN-43 | 80 | RFQ | |
| STMicroelectronics | DIODE SCHOTTKY 70V 70MA SOD323 | 12040 | RFQ | |
| STMicroelectronics | ADAPTIVE SYNCHRONOUS RECTIFICATI | 3000 | RFQ | |
| STMicroelectronics | ADAPTIVE SYNCHRONOUS RECTIFICATI | 2500 | RFQ | |
| STMicroelectronics | IC VREF SHUNT ADJ SOT23-3 | 3031 | RFQ | |
| STMicroelectronics | IC VREF SHUNT ADJ SOT23-3 | 5900 | BUY | |
| ON Semiconductor | OPTOISOLATOR 5KV TRANSISTOR 4SMD | 990 | RFQ | |
| STMicroelectronics | PM8804 Series 75 V 1 MHz PWM Peak Current Mode Controller - VFQFPN-16 | 5000 | RFQ |


Product
Brand
Articles
Tools
























