STMicroelectronics STEVAL-POE005V1HIGH POWER POE PD, FORWARD ACTIV
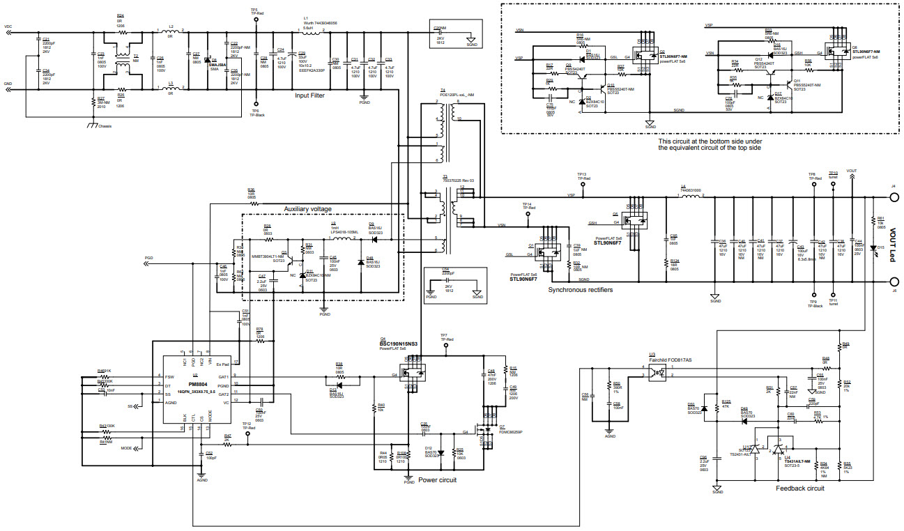
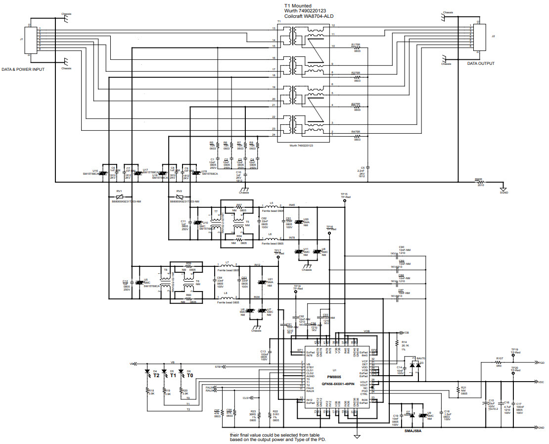
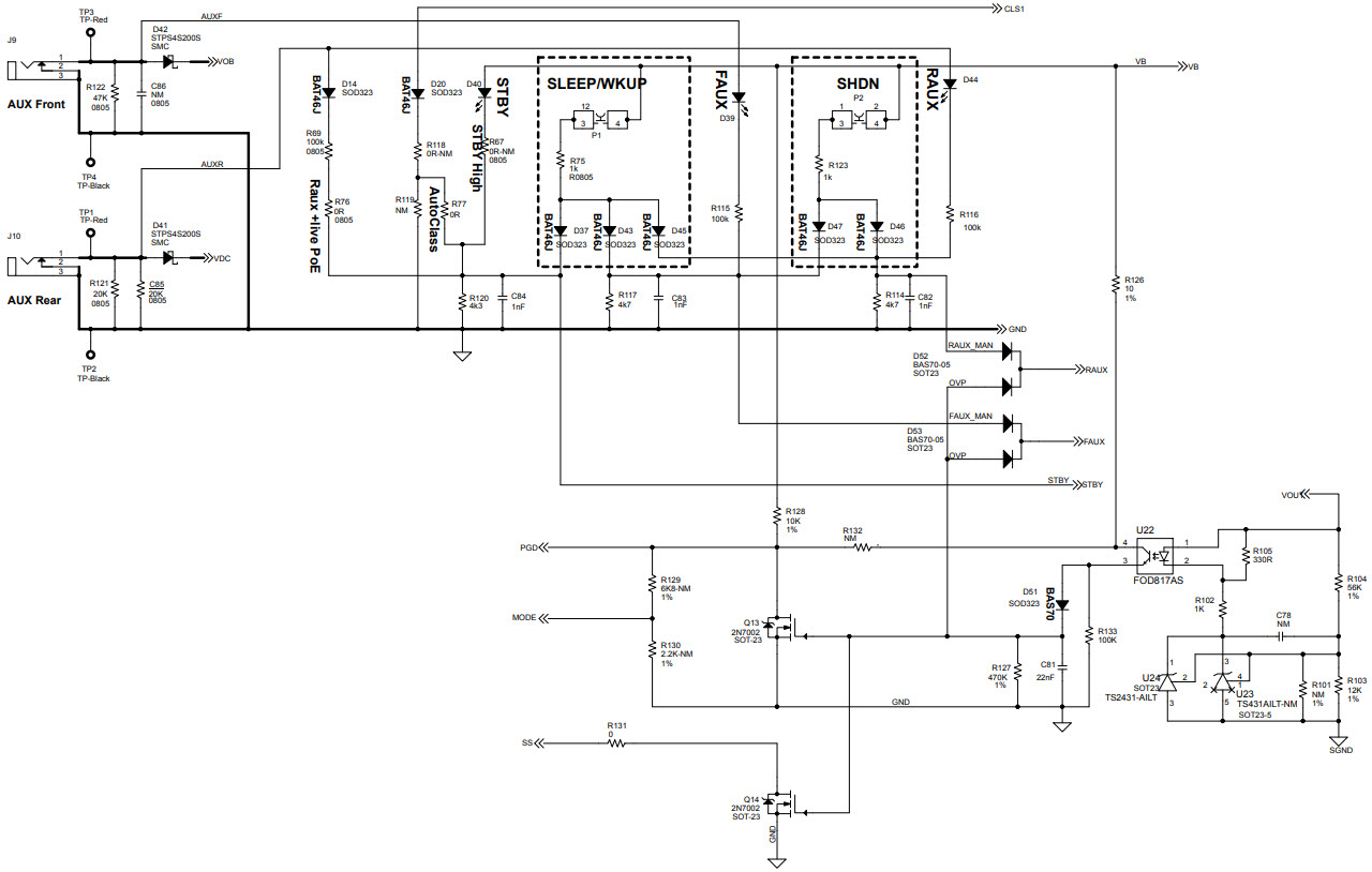
The STMicroelectronics STEVAL-POE005V1 is a 12V/8A Active Clamp Forward Converter, Power Over Ethernet (PoE) - IEEE 802.3bt compliant Reference Design, Industrial Grade. It is designed to provide a reliable and efficient power source for industrial applications. The STEVAL-POE005V1 features a wide input voltage range of 36V to 57V, and is capable of delivering up to 8A of output current. It is compliant with the IEEE 802.3bt standard, and is designed to meet the requirements of industrial applications. The STEVAL-POE005V1 also features a wide operating temperature range of -40°C to +85°C, and is designed to provide reliable operation in harsh environments. The STEVAL-POE005V1 is an ideal solution for powering industrial applications such as industrial automation, robotics, and machine vision.
- TypeParameter
- Factory Lead Time20 Weeks
- Part StatusActive
- Moisture Sensitivity Level (MSL)1 (Unlimited)
- TypePower Management
- FunctionPower over Ethernet (PoE)
- Utilized IC / PartPM8804, PM8805
- Supplied ContentsBoard(s)


Product
Brand
Articles
Tools

















