STMicroelectronics STEVAL-POE003V1HIGH POWER POE PD / 5 V UP TO 20
Description
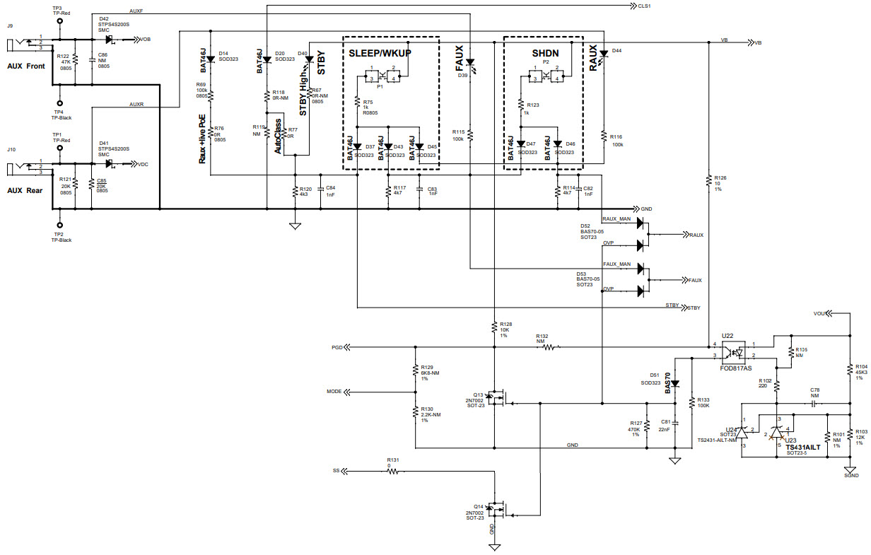
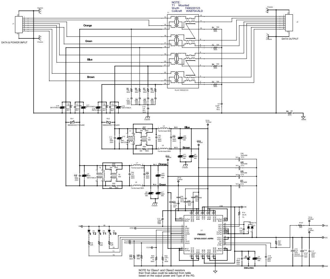
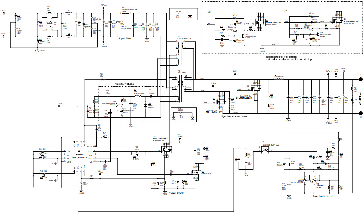
The STMicroelectronics STEVAL-POE003V1 is a 5V/20A Active Clamp Forward Converter, Power Over Ethernet (PoE) - IEEE 802.3bt compliant Reference Design. It is designed for consumer electronics applications and is compliant with the IEEE 802.3bt standard. It features a wide input voltage range of 36V to 57V, a high efficiency of up to 95%, and a low standby power consumption of less than 0.5W. The STEVAL-POE003V1 also features a wide range of protections, including over-voltage, over-temperature, and short-circuit protection. It is also designed to be highly reliable and is backed by a 3-year warranty.
Specifications
STMicroelectronics technical specifications, attributes, parameters and parts with similar specifications to STMicroelectronics .
- TypeParameter
- Factory Lead Time20 Weeks
- Part StatusActive
- Moisture Sensitivity Level (MSL)1 (Unlimited)
- TypePower Management
- FunctionPower over Ethernet (PoE)
- Utilized IC / PartPM8804, PM8805
- Supplied ContentsBoard(s)
0 Similar Products Remaining
Technical Documents
Associated Products
| Part Number | Manufacturer | Description | Stock | RFQ |
|---|---|---|---|---|
| Infineon | 0 | RFQ | ||
| Infineon Technologies | TRANS RF NPN 25GHZ 4.5V SOT343 | 70 | BUY | |
| Infineon Technologies | Trans GP BJT NPN 4.5V 0.035A 4-Pin(3 Tab) SOT-343 T/R | 17374 | RFQ | |
| Infineon Technologies | TRANS RF NPN 25GHZ 4.5V SOT343 | 15000 | BUY |


Product
Brand
Articles
Tools
















