STMicroelectronics STM32F072B-DISCOSTMICROELECTRONICS STM32F072B-DISCODevelopment Kit, For STM32F072B Discovery Line, On-board ST-LINK/V2, Extension Header
Description
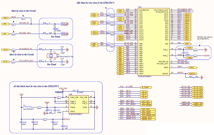
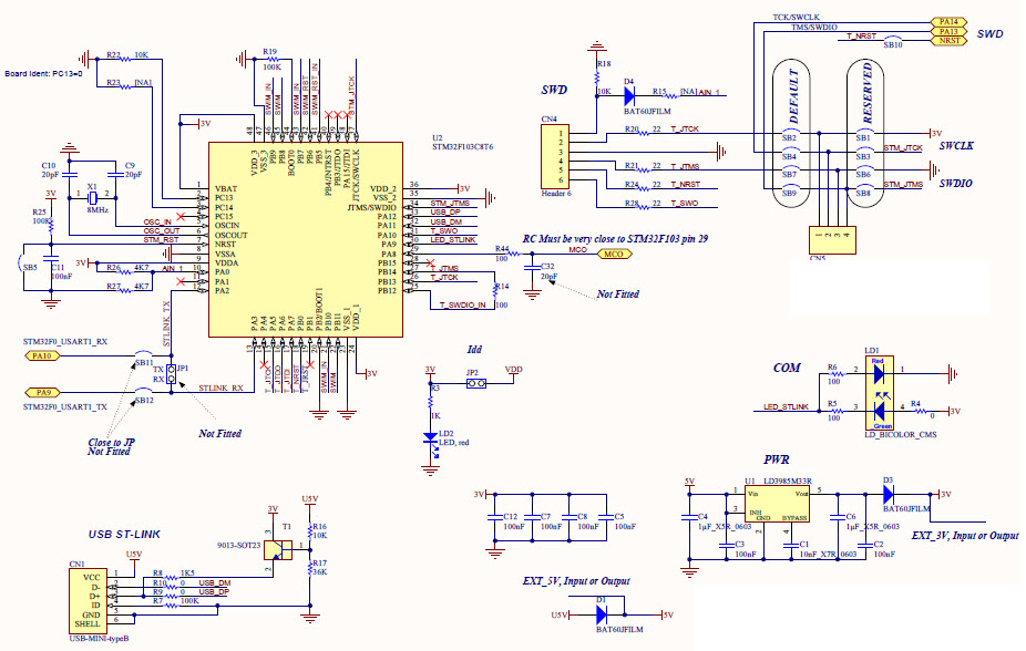
features, STM32F072B-DISCO is a Discovery kit with STM32F072RB MCU. It is a low-cost entry-level development board that helps users to explore the features of the STM32F072RB microcontroller. It includes an ST-LINK/V2-1 debugger/programmer, two ST MEMS, digital accelerometer and digital microphone, one audio DAC with integrated class D speaker driver, LEDs and push buttons and an USB OTG micro-AB connector. The board also features a wide range of security features such as secure boot, secure firmware update, secure debug, secure storage, secure communication and secure authentication. The board is ideal for applications such as motor control, industrial automation, home automation, medical, and consumer applications.
Specifications
STMicroelectronics technical specifications, attributes, parameters and parts with similar specifications to STMicroelectronics .
- TypeParameter
- Mounting TypeFixed
- Memory TypesSRAM
- Part StatusActive
- Moisture Sensitivity Level (MSL)1 (Unlimited)
- TypeMCU 32-Bit
- Operating Supply Voltage5V
- InterfaceUSB
- Memory Size16kB
- Number of Bits32
- Core ProcessorARM® Cortex®-M0
- Utilized IC / PartSTM32 F0
- Evaluation KitYes
- Core ArchitectureARM
- ContentsBoard(s)
- Board TypeEvaluation Platform
- PlatformDiscovery
- REACH SVHCNo SVHC
- RoHS StatusROHS3 Compliant
- Lead FreeLead Free
0 Similar Products Remaining
Technical Documents
Associated Products
| Part Number | Manufacturer | Description | Stock | RFQ |
|---|---|---|---|---|
| STMicroelectronics | POWER MANAGEMENT | 20 | BUY | |
| STMicroelectronics | 38 V, 2 A SYNCHRONOUS STEP-DOWN | 26 | RFQ | |
| STMicroelectronics | POWER MANAGEMENT | 26 | RFQ | |
| STMicroelectronics | POWER MANAGEMENT | 26 | RFQ | |
| STMicroelectronics | 38 V, 2 A SYNCHRONOUS STEP-DOWN | 4800 | RFQ | |
| STMicroelectronics | 38 V, 2 A SYNCHRONOUS STEP-DOWN | 17 | BUY |


Product
Brand
Articles
Tools

























