88E1512-A0-NNP2C000 Energy-Efficient Ethernet Transceiver: Features, Pinout, and Datasheet
56 Terminations Receivers 4/4 Drivers/Receivers 1 Functions









56 Terminations Receivers 4/4 Drivers/Receivers 1 Functions
The Alaska® 88E1512-A0-NNP2C000 is a physical layer device with one 10/100/1000 Gigabit Ethernet transceiver. This article mainly introduces features, pinout, datasheet and other detailed information about Marvell Semiconductor, Inc. 88E1512-A0-NNP2C000.

What is ENERGY-EFFICIENT ETHERNET? What does ENERGY-EFFICIENT ETHERNET mean?
- 88E1512-A0-NNP2C000 Description
- 88E1512-A0-NNP2C000 Pinout
- 88E1512-A0-NNP2C000 CAD Model
- 88E1512-A0-NNP2C000 Features
- Specifications
- 88E1512-A0-NNP2C000 Functional Block Diagram
- 88E1512-A0-NNP2C000 Commercial Package Marking
- 88E1512-A0-NNP2C000 Part Order Numbering
- 88E1512-A0-NNP2C000 Layout
- 88E1512-A0-NNP2C000 Alternatives
- 88E1512-A0-NNP2C000 Application
- 88E1512-A0-NNP2C000 Package
- 88E1512-A0-NNP2C000 Manufacturer
- Trend Analysis
- Datasheet PDF
88E1512-A0-NNP2C000 Description
The Alaska ® 88E1512-A0-NNP2C000 is a physical layer device with one 10/100/1000 Gigabit Ethernet transceiver. The Ethernet physical layer element of the 1000BASE-T, 100BASE-TX, and 10BASE-T specifications is implemented by the transceiver. It's built with conventional digital CMOS technology and includes all of the active circuitry needed to accomplish the physical layer functions for data transmission and reception over standard CAT 5 unshielded twisted pair.
For direct connection to a MAC/Switch port, the device supports the RGMII (Reduced pin count GMII) and SGMII. SFP modules that enable 1000BASE-X, 100BASE-FX and SGMII can also be connected with the SGMII on the media/line side. With RGMII as the MAC interface, it can also run Copper /Fiber Auto-media apps. SGMII works at 1.25 Gbps across a single differential pair, decreasing the MAC interface's power consumption and the number of I/Os.
MDI termination resistors are included in the PHY of the device. By minimizing the number of external components, this resistor integration simplifies board layout and lowers board cost. The new Marvell ® calibrated resistor method will meet or surpass the IEEE 802.3 return loss specifications in terms of precision.
To create all essential voltages, the device incorporates an integrated switching voltage regulator. A single 3.3V supply can power the device. The device supports LVCMOS I/O standards of 1.8V, 2.5V, and 3.3V.
Synchronous Ethernet (SyncE) and Precise Timing Protocol (PTP) Time Stamping are supported by the 88E1512-A0-NNP2C000 device, which is based on IEEE1588 version 2 and IEEE802.1AS. The 88E1512-A0-NNP2C000 device is IEEE 802.3az-2010 compatible and supports IEEE 802.3az-2010 Energy Efficient Ethernet (EEE).
The device includes the Marvell Advanced Virtual Cable Tester® (VCTTM) feature, which uses Time Domain Reflectometry (TDR) technology to identify potential cable problems remotely, minimizing the need for equipment returns and service calls. The Alaska gadget uses VCT to detect and report potential cabling problems such as pair swaps, pair polarity, and severe pair skew. The gadget will also detect cable openings, shorts, or any impedance mismatch in the cable, correctly indicating the distance to the issue within one meter.
At a data rate of Gigabits per second, the device uses advanced mixed-signal processing to accomplish equalization, echo and crosstalk cancellation, data recovery, and error correction. With very low power dissipation, the gadget achieves stable performance in noisy situations.
88E1512-A0-NNP2C000 Pinout
88E1512-A0-NNP2C000 CAD Model
88E1512-A0-NNP2C000 Features
• 10/100/1000BASE-T IEEE 802.3 compliant
• Multiple Operating Modes
- RGMII to Copper
- SGMII to Copper (88E1512/88E1514 device only)
- RGMII to Fiber/SGMII (88E1512 device only)
- RGMII to Copper/Fiber/SGMII with Auto-Media Detect (88E1512 device only)
- Copper to Fiber (1000BASE-X) (88E1512/88E1514)
• Four RGMII timing modes including integrated delays - This eliminates the need for adding trace delays on the PCB
• Supports 1000BASE-X and 100BASE-FX on the Fiber interface along with SGMII (88E1512 device only)
• Supports LVCMOS I/O Standards on the RGMII
• Supports Energy Efficient Ethernet (EEE) - IEEE 802.3az-2010 compliant
- EEE Buffering
- Incorporates EEE buffering for seamless support of legacy MACs
• Ultra-Low Power
• Integrated MDI termination resistors that eliminate passive components
• Integrated Switching Voltage Regulators
• Supports Green Ethernet
- Active Power Save Mode
- Energy Detect and Energy Detect+ low power modes
• IEEE1588 version 2 Time Stamping
• Synchronous Ethernet (SyncE) Clock Recovery
• Three loopback modes for diagnostics
• “Downshift” mode for two-pair cable installations
• Fully integrated digital adaptive equalizers, echo cancellers, and crosstalk cancellers
• Advanced digital baseline wander correction
• Automatic MDI/MDIX crossover at all speeds of operation
• Automatic polarity correction
• IEEE 802.3 compliant Auto-Negotiation
• Software programmable LED modes including LED testing
• MDC/XMDIO Management Interface
• CRC checker, packet counter
• Packet generation
• Wake on LAN (WOL) event detection
• Advanced Virtual Cable Tester® (VCT™) n Auto-Calibration for MAC Interface outputs
• Temperature Sensor
• Supports single 3.3V supply when using an internal switching regulator
• I/O pads can be supplied with 1.8V, 2.5V, or 3.3V
• Commercial grade, Industrial grade
• 56-Pin QFN 8 mm x 8 mm Green package with EPAD
Specifications
- TypeParameter
- Factory Lead Time16 Weeks
- Mounting Type
The "Mounting Type" in electronic components refers to the method used to attach or connect a component to a circuit board or other substrate, such as through-hole, surface-mount, or panel mount.
Surface Mount - Package / Case
refers to the protective housing that encases an electronic component, providing mechanical support, electrical connections, and thermal management.
56-VFQFN Exposed Pad - Surface Mount
having leads that are designed to be soldered on the side of a circuit board that the body of the component is mounted on.
YES - Operating Temperature
The operating temperature is the range of ambient temperature within which a power supply, or any other electrical equipment, operate in. This ranges from a minimum operating temperature, to a peak or maximum operating temperature, outside which, the power supply may fail.
0°C~70°C TA - Series
In electronic components, the "Series" refers to a group of products that share similar characteristics, designs, or functionalities, often produced by the same manufacturer. These components within a series typically have common specifications but may vary in terms of voltage, power, or packaging to meet different application needs. The series name helps identify and differentiate between various product lines within a manufacturer's catalog.
Alaska® - Published2011
- Part Status
Parts can have many statuses as they progress through the configuration, analysis, review, and approval stages.
Active - Moisture Sensitivity Level (MSL)
Moisture Sensitivity Level (MSL) is a standardized rating that indicates the susceptibility of electronic components, particularly semiconductors, to moisture-induced damage during storage and the soldering process, defining the allowable exposure time to ambient conditions before they require special handling or baking to prevent failures
3 (168 Hours) - Number of Terminations56
- TypeTransceiver
- HTS Code
HTS (Harmonized Tariff Schedule) codes are product classification codes between 8-1 digits. The first six digits are an HS code, and the countries of import assign the subsequent digits to provide additional classification. U.S. HTS codes are 1 digits and are administered by the U.S. International Trade Commission.
8542.39.00.01 - Voltage - Supply
Voltage - Supply refers to the range of voltage levels that an electronic component or circuit is designed to operate with. It indicates the minimum and maximum supply voltage that can be applied for the device to function properly. Providing supply voltages outside this range can lead to malfunction, damage, or reduced performance. This parameter is critical for ensuring compatibility between different components in a circuit.
1.71V~1.89V 2.38V~2.62V 3.14V~3.46V - Terminal Position
In electronic components, the term "Terminal Position" refers to the physical location of the connection points on the component where external electrical connections can be made. These connection points, known as terminals, are typically used to attach wires, leads, or other components to the main body of the electronic component. The terminal position is important for ensuring proper connectivity and functionality of the component within a circuit. It is often specified in technical datasheets or component specifications to help designers and engineers understand how to properly integrate the component into their circuit designs.
QUAD - Terminal Form
Occurring at or forming the end of a series, succession, or the like; closing; concluding.
NO LEAD - Number of Functions1
- Supply Voltage
Supply voltage refers to the electrical potential difference provided to an electronic component or circuit. It is crucial for the proper operation of devices, as it powers their functions and determines performance characteristics. The supply voltage must be within specified limits to ensure reliability and prevent damage to components. Different electronic devices have specific supply voltage requirements, which can vary widely depending on their design and intended application.
3.3V - JESD-30 Code
JESD-30 Code refers to a standardized descriptive designation system established by JEDEC for semiconductor-device packages. This system provides a systematic method for generating designators that convey essential information about the package's physical characteristics, such as size and shape, which aids in component identification and selection. By using JESD-30 codes, manufacturers and engineers can ensure consistency and clarity in the specification of semiconductor packages across various applications and industries.
S-XQCC-N56 - Data Rate
Data Rate is defined as the amount of data transmitted during a specified time period over a network. It is the speed at which data is transferred from one device to another or between a peripheral device and the computer. It is generally measured in Mega bits per second(Mbps) or Mega bytes per second(MBps).
10Mbps, 100Mbps, 1Gbps - Protocol
In electronic components, the parameter "Protocol" refers to a set of rules and standards that govern the communication between devices. It defines the format, timing, sequencing, and error checking methods for data exchange between different components or systems. Protocols ensure that devices can understand and interpret data correctly, enabling them to communicate effectively with each other. Common examples of protocols in electronics include USB, Ethernet, SPI, I2C, and Bluetooth, each with its own specifications for data transmission. Understanding and adhering to protocols is essential for ensuring compatibility and reliable communication between electronic devices.
IEEE 802.3, IEEE 1588 - Number of Drivers/Receivers4/4
- Duplex
In the context of electronic components, "Duplex" refers to a type of communication system that allows for bidirectional data flow. It enables two devices to communicate with each other simultaneously, allowing for both sending and receiving of data at the same time. Duplex communication can be further categorized into two types: half-duplex, where data can be transmitted in both directions but not at the same time, and full-duplex, where data can be sent and received simultaneously. This parameter is crucial in networking and telecommunications systems to ensure efficient and effective data transmission between devices.
Full, Half - Number of Transceivers1
- RoHS Status
RoHS means “Restriction of Certain Hazardous Substances” in the “Hazardous Substances Directive” in electrical and electronic equipment.
RoHS Compliant
88E1512-A0-NNP2C000 Functional Block Diagram
88E1512-A0-NNP2C000 Commercial Package Marking
88E1512-A0-NNP2C000 Part Order Numbering
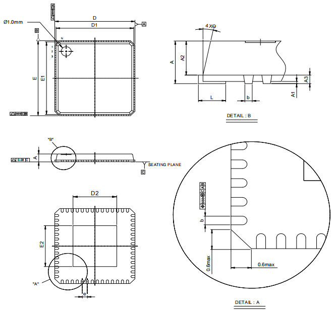
88E1512-A0-NNP2C000 Layout
Electrical Interface
Internally, the 1.25 GHz SERDES interface's input and output buffers are terminated by 50 impedance. There are no external terminations required. Register 26 1.2:0 can be programmed to change the output swing. Current Mode Logic (CML) buffers are used in the 1.25 GHz SERDES I/Os. CML I/Os can be utilized to link to PECL or LVDS I/Os on other components.
CML I/Os

CML Inputs

CML Outputs
88E1512-A0-NNP2C000 Alternatives
| Part Number | Description | Manufacturer |
| 88E1111-B2-RCJ1C000TELECOMMUNICATION CIRCUITS | Ethernet Transceiver, CMOS, PQFP128, ROHS COMPLIANT, PLASTIC, QFP-128 | Marvell Technology Group Ltd |
| TLK111PTRTELECOMMUNICATION CIRCUITS | Industrial temperature 10/100-Mbps Ethernet physical layer transceiver 48-LQFP -40 to 85 | Texas Instruments |
| DP83867ERGZRTELECOMMUNICATION CIRCUITS | Extended temperature, robust low-latency gigabit Ethernet PHY transceiver with SGMII 48-VQFN -40 to 105 | Texas Instruments |
| 1894-32KLFTELECOMMUNICATION CIRCUITS | Ethernet Transceiver, 1-Trnsvr, CMOS, 5 X 5 MM, ROHS COMPLIANT, QFN-32 | Integrated Device Technology Inc |
| 1894-32KLFTTELECOMMUNICATION CIRCUITS | Ethernet Transceiver, 1-Trnsvr, CMOS | Renesas Electronics Corporation |
| 88E1111-XX-CAA1I000TELECOMMUNICATION CIRCUITS | Ethernet Transceiver, 1-Trnsvr, CMOS, ROHS COMPLIANT, BCC-96 | Marvell Technology Group Ltd |
| 88E1111-XX-NDC2I000TELECOMMUNICATION CIRCUITS | Ethernet Transceiver, CMOS, 9 X 9 MM, GREEN, QFN-96 | Marvell Technology Group Ltd |
| 88E1111-B0-CAA-C000TELECOMMUNICATION CIRCUITS | Ethernet Transceiver, CMOS, BCC-96 | Marvell Technology Group Ltd |
| TLK111PTTELECOMMUNICATION CIRCUITS | Industrial temperature 10/100-Mbps Ethernet physical layer transceiver 48-LQFP -40 to 85 | Texas Instruments |
| 88E1111-B2-BAB2C000-P123TELECOMMUNICATION CIRCUITS | Ethernet Transceiver, CMOS, PBGA117, TFBGA-117 | Marvell Technology Group Ltd |
88E1512-A0-NNP2C000 Application
• Auto-media applications with RGMII as the MAC interface.
88E1512-A0-NNP2C000 Package
88E1512-A0-NNP2C000 Manufacturer
Marvell was the first company to transform the digital storage business by transporting data at speeds previously unimaginable. The company's storage, network infrastructure, and wireless connectivity solutions all use that same ground-breaking technology today. Marvell's semiconductor solutions continue to impact the enterprise, cloud, automotive, industrial, and consumer markets, thanks to its superior intellectual property and deep system-level knowledge.
Trend Analysis
Datasheet PDF
- Datasheets :
What does energy efficient Ethernet do?
The Institute of Electrical and Electronics Engineers (IEEE) 802.3az standard, Energy Efficient Ethernet (EEE), decreases the power consumption of physical layer devices (PHYs) during periods of low link utilization. When the link is idle, EEE saves energy by switching a portion of the transmission circuit to low power mode.
Should I enable Energy Efficient Ethernet?
Ethernet is most commonly used in servers, so it is best to keep it on when connected to a server. However, if you are just using one device then energy-efficient ethernet should be disabled to save power.
Does Energy Efficient Ethernet affect performance?
Energy-efficient Ethernet DOES affect performance. Exactly how much will be dependent on the specific Ethernet chipsets involved. Some experts claim up to a drop of 15 %. The biggest effect on performance will be against short-term latency.
CD4051BM Analog Switch: Pinout, CAD Model and Specification14 August 20243160
SS16 DIODE Schottky Rectifier 60 V 1 A SMA[FAQ]: Datasheet, Features, and Applications10 March 20221790
MAX3600A Laser Driver: Datasheet, Pinout, Circuit31 August 2021305
STM32F303VCT6 Microcontroller: 32-Bit, Pinout , Features and Datasheet14 January 20223723
25LC640 64K SPI Bus Serial EEPROM: Pinout, Equivalent and Datasheet03 March 20222571
SHA000001 Clock Oscillator: Pinout, Datasheet and Specification19 July 20211327
PIC16F505 8-Bit Flash Microcontroller: Datasheet, Pinout, Feature27 December 20213456
Understanding the STM32L151CBT6A Microcontroller in Detail07 June 2025158
Understanding Machine Vision and Visual Sensor27 September 20211758
Addressing Vulnerabilities in the U.S. Semiconductor Market27 October 2023472
What is Vacuum Circuit Breaker?12 October 20218489
Basis of Fiber Optic and Fiber Optic Communication22 October 20213295
What is 232\485\422 Communication? Common problems of Serial Communication29 April 20221770
Detailed Analysis of Analog IC22 November 20213147
Comparing Bridge Rectifiers and Full Wave Rectifiers for Beginners05 July 20255221
Silicon Carbide Substrate Manufacturing: Advancing Technology to New Heights08 June 20233065
Marvell Semiconductor, Inc.
In Stock: 11547
United States
China
Canada
Japan
Russia
Germany
United Kingdom
Singapore
Italy
Hong Kong(China)
Taiwan(China)
France
Korea
Mexico
Netherlands
Malaysia
Austria
Spain
Switzerland
Poland
Thailand
Vietnam
India
United Arab Emirates
Afghanistan
Åland Islands
Albania
Algeria
American Samoa
Andorra
Angola
Anguilla
Antigua & Barbuda
Argentina
Armenia
Aruba
Australia
Azerbaijan
Bahamas
Bahrain
Bangladesh
Barbados
Belarus
Belgium
Belize
Benin
Bermuda
Bhutan
Bolivia
Bonaire, Sint Eustatius and Saba
Bosnia & Herzegovina
Botswana
Brazil
British Indian Ocean Territory
British Virgin Islands
Brunei
Bulgaria
Burkina Faso
Burundi
Cabo Verde
Cambodia
Cameroon
Cayman Islands
Central African Republic
Chad
Chile
Christmas Island
Cocos (Keeling) Islands
Colombia
Comoros
Congo
Congo (DRC)
Cook Islands
Costa Rica
Côte d’Ivoire
Croatia
Cuba
Curaçao
Cyprus
Czechia
Denmark
Djibouti
Dominica
Dominican Republic
Ecuador
Egypt
El Salvador
Equatorial Guinea
Eritrea
Estonia
Eswatini
Ethiopia
Falkland Islands
Faroe Islands
Fiji
Finland
French Guiana
French Polynesia
Gabon
Gambia
Georgia
Ghana
Gibraltar
Greece
Greenland
Grenada
Guadeloupe
Guam
Guatemala
Guernsey
Guinea
Guinea-Bissau
Guyana
Haiti
Honduras
Hungary
Iceland
Indonesia
Iran
Iraq
Ireland
Isle of Man
Israel
Jamaica
Jersey
Jordan
Kazakhstan
Kenya
Kiribati
Kosovo
Kuwait
Kyrgyzstan
Laos
Latvia
Lebanon
Lesotho
Liberia
Libya
Liechtenstein
Lithuania
Luxembourg
Macao(China)
Madagascar
Malawi
Maldives
Mali
Malta
Marshall Islands
Martinique
Mauritania
Mauritius
Mayotte
Micronesia
Moldova
Monaco
Mongolia
Montenegro
Montserrat
Morocco
Mozambique
Myanmar
Namibia
Nauru
Nepal
New Caledonia
New Zealand
Nicaragua
Niger
Nigeria
Niue
Norfolk Island
North Korea
North Macedonia
Northern Mariana Islands
Norway
Oman
Pakistan
Palau
Palestinian Authority
Panama
Papua New Guinea
Paraguay
Peru
Philippines
Pitcairn Islands
Portugal
Puerto Rico
Qatar
Réunion
Romania
Rwanda
Samoa
San Marino
São Tomé & Príncipe
Saudi Arabia
Senegal
Serbia
Seychelles
Sierra Leone
Sint Maarten
Slovakia
Slovenia
Solomon Islands
Somalia
South Africa
South Sudan
Sri Lanka
St Helena, Ascension, Tristan da Cunha
St. Barthélemy
St. Kitts & Nevis
St. Lucia
St. Martin
St. Pierre & Miquelon
St. Vincent & Grenadines
Sudan
Suriname
Svalbard & Jan Mayen
Sweden
Syria
Tajikistan
Tanzania
Timor-Leste
Togo
Tokelau
Tonga
Trinidad & Tobago
Tunisia
Turkey
Turkmenistan
Turks & Caicos Islands
Tuvalu
U.S. Outlying Islands
U.S. Virgin Islands
Uganda
Ukraine
Uruguay
Uzbekistan
Vanuatu
Vatican City
Venezuela
Wallis & Futuna
Yemen
Zambia
Zimbabwe











