ADC0804 ADC: Datasheet, Schematic, Pinout
8 Bit 2.54mm ADC ADC0804 5V 20-DIP (0.300, 7.62mm)
The ADC0804 is CMOS 8-bit successive Interfacing Logic Needed – Access Time 135 ns approximation converter (ADC). This post will unlock more details about ADC0804. Furthermore, huge range of Semiconductors, Capacitors, Resistors and ICs in stock. Welcome RFQ.

How To Make Analog to Digital VOLTAGE Converter through ADC 0804 IC || ADC Voltage Converter || Easy
- ADC0804 Pinout
- ADC0804 Description
- ADC0804 CAD Model
- Specifications
- Parts with Similar Specs
- ADC0804 Feature
- ADC0804 Functional Block Diagram
- ADC0804 Application
- ADC0804 Typical Application Schematic
- ADC0804 Equivalents
- Where to use ADC0804
- How to use ADC0804
- ADC0804 Package
- ADC0804 Manufacturer
- Datasheet PDF
- Popularity by Region
ADC0804 Pinout

ADC0804 Pinout
| Pin Number | Pin Name | Description |
| 1 | Chip Select (CS) | Chip select is used if more than 1 ADC module is used. By default grounded |
| 2 | Read (RD) | Read pin must be grounded to read the Analog value |
| 3 | Write (WR) | Write pin should be pulsed high to start data conversion |
| 4 | CLK IN | An external clock can be connected here, else RC can be used for accessing the internal clock |
| 5 | Interrupt (INTR) | Goes high for interrupt request. |
| 6 | Vin (+) | Differential Analog input +. Connect to ADC input |
| 7 | Vin (-) | Differential Analog input -. Connect to ground |
| 8 | Ground | Analog Ground pin connected to the ground of the circuit |
| 9 | Vref/2 | Reference voltage for ADC conversion. |
| 10 | Ground | Digital Ground pin connected to the ground of the circuit |
| 11 to 18 | Data bit 0 to bit 7 | Seven output Data bit pins from which output is obtained |
| 19 | CLK R | RC timing resistor input pin for internal clock gen |
| 20 | Vcc | Powers the ADC module, use +5V |
ADC0804 Description
The ADC0804 is a CMOS 8-Bit, successive approximation A/D converter that uses a modified potentiometric ladder and is designed to operate with the 8080A control bus via three-state outputs. These converters appear to the processor as memory locations or I/O ports, and hence no interfacing logic is required.
ADC0804 CAD Model
Symbol

ADC0804 Symbol
Footprint

ADC0804 Footprint
3D Model

ADC0804 3D Model
Specifications
- TypeParameter
- Mount
In electronic components, the term "Mount" typically refers to the method or process of physically attaching or fixing a component onto a circuit board or other electronic device. This can involve soldering, adhesive bonding, or other techniques to secure the component in place. The mounting process is crucial for ensuring proper electrical connections and mechanical stability within the electronic system. Different components may have specific mounting requirements based on their size, shape, and function, and manufacturers provide guidelines for proper mounting procedures to ensure optimal performance and reliability of the electronic device.
Through Hole - Mounting Type
The "Mounting Type" in electronic components refers to the method used to attach or connect a component to a circuit board or other substrate, such as through-hole, surface-mount, or panel mount.
Through Hole - Package / Case
refers to the protective housing that encases an electronic component, providing mechanical support, electrical connections, and thermal management.
20-DIP (0.300, 7.62mm) - Number of Pins20
- Operating Temperature
The operating temperature is the range of ambient temperature within which a power supply, or any other electrical equipment, operate in. This ranges from a minimum operating temperature, to a peak or maximum operating temperature, outside which, the power supply may fail.
0°C~70°C - Packaging
Semiconductor package is a carrier / shell used to contain and cover one or more semiconductor components or integrated circuits. The material of the shell can be metal, plastic, glass or ceramic.
Tube - JESD-609 Code
The "JESD-609 Code" in electronic components refers to a standardized marking code that indicates the lead-free solder composition and finish of electronic components for compliance with environmental regulations.
e0 - Part Status
Parts can have many statuses as they progress through the configuration, analysis, review, and approval stages.
Obsolete - Moisture Sensitivity Level (MSL)
Moisture Sensitivity Level (MSL) is a standardized rating that indicates the susceptibility of electronic components, particularly semiconductors, to moisture-induced damage during storage and the soldering process, defining the allowable exposure time to ambient conditions before they require special handling or baking to prevent failures
1 (Unlimited) - Number of Terminations20
- ECCN Code
An ECCN (Export Control Classification Number) is an alphanumeric code used by the U.S. Bureau of Industry and Security to identify and categorize electronic components and other dual-use items that may require an export license based on their technical characteristics and potential for military use.
EAR99 - Terminal Finish
Terminal Finish refers to the surface treatment applied to the terminals or leads of electronic components to enhance their performance and longevity. It can improve solderability, corrosion resistance, and overall reliability of the connection in electronic assemblies. Common finishes include nickel, gold, and tin, each possessing distinct properties suitable for various applications. The choice of terminal finish can significantly impact the durability and effectiveness of electronic devices.
Tin/Lead (Sn/Pb) - Max Power Dissipation
The maximum power that the MOSFET can dissipate continuously under the specified thermal conditions.
875mW - Terminal Position
In electronic components, the term "Terminal Position" refers to the physical location of the connection points on the component where external electrical connections can be made. These connection points, known as terminals, are typically used to attach wires, leads, or other components to the main body of the electronic component. The terminal position is important for ensuring proper connectivity and functionality of the component within a circuit. It is often specified in technical datasheets or component specifications to help designers and engineers understand how to properly integrate the component into their circuit designs.
DUAL - Number of Functions1
- Supply Voltage
Supply voltage refers to the electrical potential difference provided to an electronic component or circuit. It is crucial for the proper operation of devices, as it powers their functions and determines performance characteristics. The supply voltage must be within specified limits to ensure reliability and prevent damage to components. Different electronic devices have specific supply voltage requirements, which can vary widely depending on their design and intended application.
5V - Terminal Pitch
The center distance from one pole to the next.
2.54mm - Base Part Number
The "Base Part Number" (BPN) in electronic components serves a similar purpose to the "Base Product Number." It refers to the primary identifier for a component that captures the essential characteristics shared by a group of similar components. The BPN provides a fundamental way to reference a family or series of components without specifying all the variations and specific details.
ADC0804 - Pin Count
a count of all of the component leads (or pins)
20 - Operating Supply Voltage
The voltage level by which an electrical system is designated and to which certain operating characteristics of the system are related.
5V - Polarity
In electronic components, polarity refers to the orientation or direction in which the component must be connected in a circuit to function properly. Components such as diodes, capacitors, and LEDs have polarity markings to indicate which terminal should be connected to the positive or negative side of the circuit. Connecting a component with incorrect polarity can lead to malfunction or damage. It is important to pay attention to polarity markings and follow the manufacturer's instructions to ensure proper operation of electronic components.
Unipolar - Power Supplies
an electronic circuit that converts the voltage of an alternating current (AC) into a direct current (DC) voltage.?
5V - Configuration
The parameter "Configuration" in electronic components refers to the specific arrangement or setup of the components within a circuit or system. It encompasses how individual elements are interconnected and their physical layout. Configuration can affect the functionality, performance, and efficiency of the electronic system, and may influence factors such as signal flow, impedance, and power distribution. Understanding the configuration is essential for design, troubleshooting, and optimizing electronic devices.
ADC - Number of Channels1
- Max Supply Voltage
In general, the absolute maximum common-mode voltage is VEE-0.3V and VCC+0.3V, but for products without a protection element at the VCC side, voltages up to the absolute maximum rated supply voltage (i.e. VEE+36V) can be supplied, regardless of supply voltage.
6.3V - Min Supply Voltage
The minimum supply voltage (V min ) is explored for sequential logic circuits by statistically simulating the impact of within-die process variations and gate-dielectric soft breakdown on data retention and hold time.
4.5V - Power Dissipation
the process by which an electronic or electrical device produces heat (energy loss or waste) as an undesirable derivative of its primary action.
875mW - Number of Bits8
- Input Type
Input type in electronic components refers to the classification of the signal or data that a component can accept for processing or conversion. It indicates whether the input is analog, digital, or a specific format such as TTL or CMOS. Understanding input type is crucial for ensuring compatibility between different electronic devices and circuits, as it determines how signals are interpreted and interacted with.
Differential - Architecture
In electronic components, the parameter "Architecture" refers to the overall design and structure of the component. It encompasses the arrangement of internal components, the layout of circuitry, and the physical form of the component. The architecture of an electronic component plays a crucial role in determining its functionality, performance, and compatibility with other components in a system. Different architectures can result in variations in power consumption, speed, size, and other key characteristics of the component. Designers often consider the architecture of electronic components carefully to ensure optimal performance and integration within a larger system.
SAR - Supply Type
Supply Type in electronic components refers to the classification of power sources used to operate the component. It indicates whether the component requires DC or AC power, and if DC, specifies the voltage levels such as low, medium, or high. Different supply types can affect the performance, compatibility, and application of the component in electronic circuits. Understanding the supply type is crucial for proper component selection and integration into electronic designs.
Single - Reference Type
a code object that is not stored directly where it is created, but that acts as a kind of pointer to a value stored elsewhere.
External, Supply - Data Interface
A Data Interface in EDQ is a template of a set of attributes representing a given entity, used to create processes that read from, or write to, interfaces rather than directly from or to sources or targets of data.
Parallel - Resolution
Resolution in electronic components refers to the smallest increment of measurement or change that can be detected or represented by the component. It is a crucial specification in devices such as sensors, displays, and converters, as it determines the level of detail or accuracy that can be achieved. For example, in a digital camera, resolution refers to the number of pixels that make up an image, with higher resolution indicating a greater level of detail. In analog-to-digital converters, resolution is the number of discrete values that can be represented in the digital output, determining the precision of the conversion process. Overall, resolution plays a significant role in determining the performance and capabilities of electronic components in various applications.
1 B - Sampling Rate
often described in the context of signal processing as the number of samples per time.
10 ksps - Voltage - Supply, Analog
Voltage - Supply, Analog is a parameter in electronic components that specifies the range of voltage levels required to power the analog circuitry within the component. This parameter indicates the minimum and maximum voltage levels that the component can accept for proper operation of its analog functions. It is crucial to ensure that the voltage supplied to the component falls within this specified range to prevent damage and ensure optimal performance. Understanding and adhering to the "Voltage - Supply, Analog" parameter is essential for the proper functioning of analog circuits in electronic components.
4.5V~6.3V - Voltage - Supply, Digital
Voltage - Supply, Digital is a parameter that specifies the voltage level required to power the digital circuitry within an electronic component, such as an integrated circuit or a microcontroller. This parameter is crucial for ensuring proper operation of the digital components, as supplying the correct voltage level is essential for reliable performance. The specified voltage range typically includes both minimum and maximum values within which the component can operate safely and efficiently. It is important to adhere to the recommended voltage supply range to prevent damage to the component and to maintain the integrity of the digital signals being processed.
4.5V~6.3V - Number of Analog In Channels1
- Sampling Rate (Per Second)
The sampling rate (per second) in electronic components refers to the frequency at which an analog signal is measured or sampled to convert it into a digital signal. It is typically expressed in Hertz (Hz) and indicates how many times per second the analog signal is sampled. A higher sampling rate allows for better representation of the original signal, capturing more detail and reducing distortion during the conversion process. In audio applications, for example, common sampling rates include 44.1 kHz for CD-quality audio and 48 kHz for video production.
10k - Output Bit Code
Output Bit Code refers to the digital representation of the output signal of an electronic component, typically in binary form. It indicates the specific combination of bits that represent the output value of the component. The output bit code is crucial for interpreting and processing the output data accurately in digital systems. By understanding the output bit code, engineers can design appropriate circuits and algorithms to manipulate and utilize the output information effectively.
BINARY - Power Consumption
Power consumption is the amount of input energy (measured in watts) required for an electrical appliance to function. This is opposed to power output which is a measure of the level of performance, of a heat pump for example.
5.5mW - Linearity Error-Max (EL)
Linearity Error-Max (EL) is a parameter used to quantify the deviation of a device's output from a straight line response over its specified input range. It measures the maximum difference between the ideal output and the actual output of the component when subjected to varying input levels. A smaller linearity error indicates better performance, as it signifies more accurate and consistent output behavior across the input spectrum. This parameter is critical in applications requiring precision, such as analog-to-digital converters and other signal processing components.
0.3906% - Conversion Rate
the number of conversions divided by the total number of visitors.
10 ksps - Height3.3mm
- Length26.42mm
- Width6.6mm
- REACH SVHC
The parameter "REACH SVHC" in electronic components refers to the compliance with the Registration, Evaluation, Authorization, and Restriction of Chemicals (REACH) regulation regarding Substances of Very High Concern (SVHC). SVHCs are substances that may have serious effects on human health or the environment, and their use is regulated under REACH to ensure their safe handling and minimize their impact.Manufacturers of electronic components need to declare if their products contain any SVHCs above a certain threshold concentration and provide information on the safe use of these substances. This information allows customers to make informed decisions about the potential risks associated with using the components and take appropriate measures to mitigate any hazards.Ensuring compliance with REACH SVHC requirements is essential for electronics manufacturers to meet regulatory standards, protect human health and the environment, and maintain transparency in their supply chain. It also demonstrates a commitment to sustainability and responsible manufacturing practices in the electronics industry.
No SVHC - Radiation Hardening
Radiation hardening is the process of making electronic components and circuits resistant to damage or malfunction caused by high levels of ionizing radiation, especially for environments in outer space (especially beyond the low Earth orbit), around nuclear reactors and particle accelerators, or during nuclear accidents or nuclear warfare.
No - RoHS Status
RoHS means “Restriction of Certain Hazardous Substances” in the “Hazardous Substances Directive” in electrical and electronic equipment.
Non-RoHS Compliant - Lead Free
Lead Free is a term used to describe electronic components that do not contain lead as part of their composition. Lead is a toxic material that can have harmful effects on human health and the environment, so the electronics industry has been moving towards lead-free components to reduce these risks. Lead-free components are typically made using alternative materials such as silver, copper, and tin. Manufacturers must comply with regulations such as the Restriction of Hazardous Substances (RoHS) directive to ensure that their products are lead-free and environmentally friendly.
Contains Lead
Parts with Similar Specs
- ImagePart NumberManufacturerPackage / CaseNumber of PinsNumber of BitsSampling RatePolarityMin Supply VoltageSupply VoltageMax Supply VoltageView Compare
ADC0804LCN
20-DIP (0.300, 7.62mm)
20
8
10 ksps
Unipolar
4.5 V
5 V
6.3 V
20-DIP (0.300, 7.62mm)
20
8
10 ksps
Unipolar
4.5 V
5 V
6.3 V
20-DIP (0.300, 7.62mm)
20
8
667 ksps
Unipolar
4.5 V
5 V
8 V
20-DIP (0.300, 7.62mm)
20
8
25 ksps
Unipolar
4.5 V
5 V
6 V
20-DIP (0.300, 7.62mm)
20
8
10 ksps
Unipolar
4.5 V
5 V
6.3 V
ADC0804 Feature
Easy to interface with all Microprocessors or works Stand-alone.
The single-channel 8-bit ADC module
On-chip Clock available, no need for external Oscillator(Clock)
Digital output various from 0 to 255
When Vref = 5V, for every 19.53mV of analogue value there will be the rise of one bit on the digital side (Step size)
Available in 20-pin PDIP, SOIC packages
ADC0804 Functional Block Diagram

ADC0804 Functional Block Diagram
ADC0804 Application
• Operates With Any 8-Bit µP Processors or as a Stand-Alone Device
• Interface to Temp Sensors, Voltage Sources, and Transducers
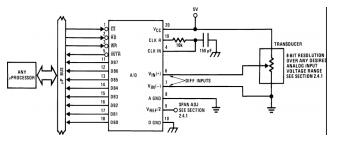
ADC0804 Typical Application Schematic

ADC0804 Typical Application Circuit
ADC0804 Equivalents
The equivalents for ADC0804: ADC0808, ADC modules.
Where to use ADC0804
The ADC0804 is a commonly used ADC module, for projects where an external ADC is required. It is a 20-pin Single channel 8-bit ADC module. Meaning it can measure one ADC value from 0V to 5V and the precision when voltage reference (Vref –pin 9) is +5V is 19.53mV (Step size). That is for every increase of 19.53mV on the input side there will be an increase of 1 bit on the output side.
This IC is very Ideal to use with Microprocessors like Raspberry Pi, Beagle bone etc.. Or even to use as a standalone ADC module.
How to use ADC0804
Since the IC comes with an internal clock we do not need many components to make it work. However to make the internal clockwork we have to use an RC circuit. The IC should be powered by +5V and both ground pins should be tied to circuit ground. To design the RC circuit simply use a resistor of value 10k and a capacitor of 100pf (approx) and connect them to CLK R and CLK IN pins as shown in the circuit below. The chip select (CS) and Read (R) pin should also be grounded. The Vref pin is left free because by default without any connection it will be connected to +5V.
The digital output will be obtained from the pins DB0 to DB7 and the analogue voltage should be connected to V in(+) pin as shown in the circuit. Also, note that another end of the voltage source (sensor/module) should also be grounded to the circuit for the ADC conversion to work. Now, for the ADC Conversion to start, we have o make the Write(WR) pin go high momentary this can be done by connecting the pin to the I/O of MPU and toggling it high before every ADC read. Only if this is done the ADC value on the output side will be updated.

How to use ADC0804
In the above circuit, I have used a potentiometer to feed in a variable voltage of 0V to 5V to the Vin pin and the present Voltage is read using a voltmeter. As you can see in the image the voltage value is 1.55V and the resulting binary value is 01001111. Let us see how this binary value can be converted to an Analog value since we will need it while programming/designing.
Binary Value = 01001111
Converting to Decimal = (0*128)+(1*64)+(0*32)+(0*16)+(1*8)+(1*4)+(1*2)+(1*1)
= 79
Analog Voltage = Decimal Value * Step size
= 79 * 19.53mV
= 1.54V
The obtained value is 1.54V and the measured voltage is 1.55V which are very much close. So this is how you use an ADC0804 IC.
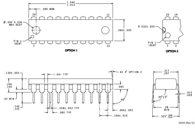
ADC0804 Package

ADC0804 Package
ADC0804 Manufacturer
Texas Instruments (TI) emerges as a globally recognized semiconductor manufacturer expanded into 35 countries. It has seen rapid growth. In 1958, TIer firstly introduced the working integrated circuit. And today more than 30,000 TIers worldwide are committed to designing, manufacturing, and selling analogue and embedded processing chips. They aspire to solve challenges as well as change the world through their technologies.
Datasheet PDF
- Datasheets :
- PCN Obsolescence/ EOL :
Popularity by Region
What is the difference between adc0804 and max1112?
ADC0804 is used for parallel ADC and MAX1112 is used for serial ADC
Which pin of the adc0804 indicates the end of conversion?
PIN-5 – Interrupt (INTR) This pin automatically goes low when the conversion is done by ADC0804 or when the digital equivalent of analogue input is ready. PIN-6 – Vin (+) connect the input analogue sensor pin/input voltage to this pin.
What is the resolution of 8 bit ADC?
For example, an ADC with a resolution of 8 bits can encode an analogue input to one in 256 different levels (28 = 256). The values can represent the ranges from 0 to 255 (i.e. as unsigned integers) or from −128 to 127 (i.e. assigned integer), depending on the application.
LTM9011IY-14#PBF Analog to Digital Converter: A Comprehensive Product Overview06 March 2024220
PAM8403 Audio Amplifier: Datasheet, Price and Pinout28 July 202118509
PCA9555PW Expander: Features, Applications and Datasheet02 November 2023431
EPM570T100C5N Intel: Key Features, Specifications and Applications08 April 2025317
MPL3115A2 Pressure Sensor: Datasheet, Pinout and Schematic25 August 20212879
TPS22918TDBVRQ1 On-Resistance Load Switch: Schematic, Pinout, and Datasheet02 April 20225583
ATTINY85 8-bit Microcontroller: Architecture, Pinout, and Design Guide15 January 2026413
STM32F446ZET6 Microcontroller: Features, Applications and Datasheet14 December 20232343
The Impact of SMPS on LED Lighting and Diverse Industries05 June 20252219
How to Decide Which Relay Socket Is Right for Your Next Build10 July 20252302
Filters Explained: Principles, Parameters and Application Guide09 April 202511463
Selection Criteria for Power Management ICs (PMICs)06 April 20223396
How Many Smart Sensors Should a Car Be Equipped With?28 March 20224528
MOSFET vs. IGBT: Characteristics, Structure and Market Analysis25 December 202520793
PMIC: Basic Types and Applications [Video]27 October 20204834
QUIC: The Next Generation Communication Protocol22 February 20221714
Texas Instruments
In Stock: 11
United States
China
Canada
Japan
Russia
Germany
United Kingdom
Singapore
Italy
Hong Kong(China)
Taiwan(China)
France
Korea
Mexico
Netherlands
Malaysia
Austria
Spain
Switzerland
Poland
Thailand
Vietnam
India
United Arab Emirates
Afghanistan
Åland Islands
Albania
Algeria
American Samoa
Andorra
Angola
Anguilla
Antigua & Barbuda
Argentina
Armenia
Aruba
Australia
Azerbaijan
Bahamas
Bahrain
Bangladesh
Barbados
Belarus
Belgium
Belize
Benin
Bermuda
Bhutan
Bolivia
Bonaire, Sint Eustatius and Saba
Bosnia & Herzegovina
Botswana
Brazil
British Indian Ocean Territory
British Virgin Islands
Brunei
Bulgaria
Burkina Faso
Burundi
Cabo Verde
Cambodia
Cameroon
Cayman Islands
Central African Republic
Chad
Chile
Christmas Island
Cocos (Keeling) Islands
Colombia
Comoros
Congo
Congo (DRC)
Cook Islands
Costa Rica
Côte d’Ivoire
Croatia
Cuba
Curaçao
Cyprus
Czechia
Denmark
Djibouti
Dominica
Dominican Republic
Ecuador
Egypt
El Salvador
Equatorial Guinea
Eritrea
Estonia
Eswatini
Ethiopia
Falkland Islands
Faroe Islands
Fiji
Finland
French Guiana
French Polynesia
Gabon
Gambia
Georgia
Ghana
Gibraltar
Greece
Greenland
Grenada
Guadeloupe
Guam
Guatemala
Guernsey
Guinea
Guinea-Bissau
Guyana
Haiti
Honduras
Hungary
Iceland
Indonesia
Iran
Iraq
Ireland
Isle of Man
Israel
Jamaica
Jersey
Jordan
Kazakhstan
Kenya
Kiribati
Kosovo
Kuwait
Kyrgyzstan
Laos
Latvia
Lebanon
Lesotho
Liberia
Libya
Liechtenstein
Lithuania
Luxembourg
Macao(China)
Madagascar
Malawi
Maldives
Mali
Malta
Marshall Islands
Martinique
Mauritania
Mauritius
Mayotte
Micronesia
Moldova
Monaco
Mongolia
Montenegro
Montserrat
Morocco
Mozambique
Myanmar
Namibia
Nauru
Nepal
New Caledonia
New Zealand
Nicaragua
Niger
Nigeria
Niue
Norfolk Island
North Korea
North Macedonia
Northern Mariana Islands
Norway
Oman
Pakistan
Palau
Palestinian Authority
Panama
Papua New Guinea
Paraguay
Peru
Philippines
Pitcairn Islands
Portugal
Puerto Rico
Qatar
Réunion
Romania
Rwanda
Samoa
San Marino
São Tomé & Príncipe
Saudi Arabia
Senegal
Serbia
Seychelles
Sierra Leone
Sint Maarten
Slovakia
Slovenia
Solomon Islands
Somalia
South Africa
South Sudan
Sri Lanka
St Helena, Ascension, Tristan da Cunha
St. Barthélemy
St. Kitts & Nevis
St. Lucia
St. Martin
St. Pierre & Miquelon
St. Vincent & Grenadines
Sudan
Suriname
Svalbard & Jan Mayen
Sweden
Syria
Tajikistan
Tanzania
Timor-Leste
Togo
Tokelau
Tonga
Trinidad & Tobago
Tunisia
Turkey
Turkmenistan
Turks & Caicos Islands
Tuvalu
U.S. Outlying Islands
U.S. Virgin Islands
Uganda
Ukraine
Uruguay
Uzbekistan
Vanuatu
Vatican City
Venezuela
Wallis & Futuna
Yemen
Zambia
Zimbabwe


Product
Brand
Articles
Tools
















