MIC2545A Programmable Current-Limit High-Side Switch: Pinout, Equivalent and Datasheet
N-Channel PMIC MIC2545A 8 Pin 8-SOIC (0.154, 3.90mm Width)
The MIC2545A is integrated high-side power switch optimized for low-loss DC power switching and other power-management applications, including advanced configuration and power interface (ACPI). The MIC2545A's open-drain flag output is used to indicate current-limiting or thermal shutdown to a local controller. Furthermore, Huge range of Semiconductors, Capacitors, Resistors and IcS in stock. Welcome RFQ.

MOSFETs: High-Side vs Low-Side Switching
- MIC2545A Pinout
- MIC2545A CAD Model
- MIC2545A Description
- MIC2545A Features
- Specifications
- MIC2545A Functional Block Diagram
- MIC2545A Functional Characteristics Test Circuit
- MIC2545A Equivalent
- Parts with Similar Specs
- MIC2545A Applications
- MIC2545A Typical Application
- MIC2545A Package
- MIC2545A Manufacturer
- Datasheet PDF
MIC2545A Pinout
The following figure is the diagram of MIC2545A Pinout.

Pinout
MIC2545A CAD Model
The followings are MIC2545A Footprint, and 3D Model.

Footprint

3D Model
MIC2545A Description
The MIC2545A is integrated high-side power switch optimized for low-loss DC power switching and other power-management applications, including advanced configuration and power interface (ACPI). The MIC2545A is a cost-effective, highly-integrated solution that requires few external components to satisfy USB and ACPI requirements. Load current management features include a precision, resistor-programmable output current-limit and a soft-start circuit, which minimizes inrush current when the switch is enabled. Thermal shutdown, along with adjustable current-limit, protects the switch and the attached device. The MIC2545A's open-drain flag output is used to indicate current-limiting or thermal shutdown to a local controller.
This article will introduce MIC2545A systematically from its features, pinout to its specifications, applications, also including MIC2545A datasheet and so much more.
MIC2545A Features
● 2.7V to 5.5V input
● Adjustable current-limit up to 3A
● Reverse current flow blocking
● 90μA typical on-state supply current
● 1μA typical off-state supply current
● 50mΩ maximum on-resistance
● Open-drain fault flag
● Thermal shutdown
● 2ms (slow) soft-start turn-on, fast turnoff
● Available with active-high or active-low enable
Specifications
- TypeParameter
- Factory Lead Time7 Weeks
- Mount
In electronic components, the term "Mount" typically refers to the method or process of physically attaching or fixing a component onto a circuit board or other electronic device. This can involve soldering, adhesive bonding, or other techniques to secure the component in place. The mounting process is crucial for ensuring proper electrical connections and mechanical stability within the electronic system. Different components may have specific mounting requirements based on their size, shape, and function, and manufacturers provide guidelines for proper mounting procedures to ensure optimal performance and reliability of the electronic device.
Surface Mount - Mounting Type
The "Mounting Type" in electronic components refers to the method used to attach or connect a component to a circuit board or other substrate, such as through-hole, surface-mount, or panel mount.
Surface Mount - Package / Case
refers to the protective housing that encases an electronic component, providing mechanical support, electrical connections, and thermal management.
8-SOIC (0.154, 3.90mm Width) - Number of Pins8
- Supplier Device Package
The parameter "Supplier Device Package" in electronic components refers to the physical packaging or housing of the component as provided by the supplier. It specifies the form factor, dimensions, and layout of the component, which are crucial for compatibility and integration into electronic circuits and systems. The supplier device package information typically includes details such as the package type (e.g., DIP, SOP, QFN), number of pins, pitch, and overall size, allowing engineers and designers to select the appropriate component for their specific application requirements. Understanding the supplier device package is essential for proper component selection, placement, and soldering during the manufacturing process to ensure optimal performance and reliability of the electronic system.
8-SOIC - Turn Off Delay Time
It is the time from when Vgs drops below 90% of the gate drive voltage to when the drain current drops below 90% of the load current. It is the delay before current starts to transition in the load, and depends on Rg. Ciss.
25 μs - Usage LevelIndustrial grade
- Operating Temperature
The operating temperature is the range of ambient temperature within which a power supply, or any other electrical equipment, operate in. This ranges from a minimum operating temperature, to a peak or maximum operating temperature, outside which, the power supply may fail.
-40°C~85°C TA - Packaging
Semiconductor package is a carrier / shell used to contain and cover one or more semiconductor components or integrated circuits. The material of the shell can be metal, plastic, glass or ceramic.
Tube - Published2000
- Part Status
Parts can have many statuses as they progress through the configuration, analysis, review, and approval stages.
Active - Moisture Sensitivity Level (MSL)
Moisture Sensitivity Level (MSL) is a standardized rating that indicates the susceptibility of electronic components, particularly semiconductors, to moisture-induced damage during storage and the soldering process, defining the allowable exposure time to ambient conditions before they require special handling or baking to prevent failures
1 (Unlimited) - Resistance
Resistance is a fundamental property of electronic components that measures their opposition to the flow of electric current. It is denoted by the symbol "R" and is measured in ohms (Ω). Resistance is caused by the collisions of electrons with atoms in a material, which generates heat and reduces the flow of current. Components with higher resistance will impede the flow of current more than those with lower resistance. Resistance plays a crucial role in determining the behavior and functionality of electronic circuits, such as limiting current flow, voltage division, and controlling power dissipation.
35mOhm - Max Operating Temperature
The Maximum Operating Temperature is the maximum body temperature at which the thermistor is designed to operate for extended periods of time with acceptable stability of its electrical characteristics.
85°C - Min Operating Temperature
The "Min Operating Temperature" parameter in electronic components refers to the lowest temperature at which the component is designed to operate effectively and reliably. This parameter is crucial for ensuring the proper functioning and longevity of the component, as operating below this temperature may lead to performance issues or even damage. Manufacturers specify the minimum operating temperature to provide guidance to users on the environmental conditions in which the component can safely operate. It is important to adhere to this parameter to prevent malfunctions and ensure the overall reliability of the electronic system.
-40°C - Current Rating
Current rating is the maximum current that a fuse will carry for an indefinite period without too much deterioration of the fuse element.
3A - Base Part Number
The "Base Part Number" (BPN) in electronic components serves a similar purpose to the "Base Product Number." It refers to the primary identifier for a component that captures the essential characteristics shared by a group of similar components. The BPN provides a fundamental way to reference a family or series of components without specifying all the variations and specific details.
MIC2545A - Number of Outputs1
- Output Type
The "Output Type" parameter in electronic components refers to the type of signal or data that is produced by the component as an output. This parameter specifies the nature of the output signal, such as analog or digital, and can also include details about the voltage levels, current levels, frequency, and other characteristics of the output signal. Understanding the output type of a component is crucial for ensuring compatibility with other components in a circuit or system, as well as for determining how the output signal can be utilized or processed further. In summary, the output type parameter provides essential information about the nature of the signal that is generated by the electronic component as its output.
N-Channel - Max Output Current
The maximum current that can be supplied to the load.
3A - Number of Channels1
- Interface
In electronic components, the term "Interface" refers to the point at which two different systems, devices, or components connect and interact with each other. It can involve physical connections such as ports, connectors, or cables, as well as communication protocols and standards that facilitate the exchange of data or signals between the connected entities. The interface serves as a bridge that enables seamless communication and interoperability between different parts of a system or between different systems altogether. Designing a reliable and efficient interface is crucial in ensuring proper functionality and performance of electronic components and systems.
On/Off - Max Supply Voltage
In general, the absolute maximum common-mode voltage is VEE-0.3V and VCC+0.3V, but for products without a protection element at the VCC side, voltages up to the absolute maximum rated supply voltage (i.e. VEE+36V) can be supplied, regardless of supply voltage.
5.5V - Min Supply Voltage
The minimum supply voltage (V min ) is explored for sequential logic circuits by statistically simulating the impact of within-die process variations and gate-dielectric soft breakdown on data retention and hold time.
2.7V - Nominal Supply Current
Nominal current is the same as the rated current. It is the current drawn by the motor while delivering rated mechanical output at its shaft.
150μA - Output Configuration
Output Configuration in electronic components refers to the arrangement or setup of the output pins or terminals of a device. It defines how the output signals are structured and how they interact with external circuits or devices. The output configuration can determine the functionality and compatibility of the component in a circuit design. Common types of output configurations include single-ended, differential, open-drain, and push-pull configurations, each serving different purposes and applications in electronic systems. Understanding the output configuration of a component is crucial for proper integration and operation within a circuit.
High Side - Voltage - Supply (Vcc/Vdd)
Voltage - Supply (Vcc/Vdd) is a key parameter in electronic components that specifies the voltage level required for the proper operation of the device. It represents the power supply voltage that needs to be provided to the component for it to function correctly. This parameter is crucial as supplying the component with the correct voltage ensures that it operates within its specified limits and performance characteristics. It is typically expressed in volts (V) and is an essential consideration when designing and using electronic circuits to prevent damage and ensure reliable operation.
Not Required - Input Type
Input type in electronic components refers to the classification of the signal or data that a component can accept for processing or conversion. It indicates whether the input is analog, digital, or a specific format such as TTL or CMOS. Understanding input type is crucial for ensuring compatibility between different electronic devices and circuits, as it determines how signals are interpreted and interacted with.
Non-Inverting - Turn On Delay Time
Turn-on delay, td(on), is the time taken to charge the input capacitance of the device before drain current conduction can start.
5 ms - Switch Type
Based on their characteristics, there are basically three types of switches: Linear switches, tactile switches and clicky switches.
USB Switch - Min Input Voltage
The parameter "Min Input Voltage" in electronic components refers to the minimum voltage level that must be applied to the component for it to operate within its specified parameters. This value is crucial as providing a voltage below this minimum threshold may result in the component malfunctioning or not functioning at all. It is important to adhere to the specified minimum input voltage to ensure the proper operation and longevity of the electronic component. Failure to meet this requirement may lead to potential damage to the component or the overall system in which it is used.
2.7V - Max Input Voltage
Max Input Voltage refers to the maximum voltage level that an electronic component can safely handle without getting damaged. This parameter is crucial for ensuring the proper functioning and longevity of the component. Exceeding the specified maximum input voltage can lead to overheating, electrical breakdown, or permanent damage to the component. It is important to carefully adhere to the manufacturer's guidelines regarding the maximum input voltage to prevent any potential issues and maintain the reliability of the electronic device.
5.5V - Nominal Input Voltage
The actual voltage at which a circuit operates can vary from the nominal voltage within a range that permits satisfactory operation of equipment. The word “nominal” means “named”.
5.5V - Ratio - Input:Output
The parameter "Ratio - Input:Output" in electronic components refers to the relationship between the input and output quantities of a device or system. It is a measure of how the input signal or energy is transformed or converted into the output signal or energy. This ratio is often expressed as a numerical value or percentage, indicating the efficiency or effectiveness of the component in converting the input to the desired output. A higher ratio typically signifies better performance or higher efficiency, while a lower ratio may indicate losses or inefficiencies in the conversion process. Understanding and optimizing the input-output ratio is crucial in designing and evaluating electronic components for various applications.
1:1 - Voltage - Load
Voltage - Load refers to the voltage across a load component in an electronic circuit when it is connected and operational. It represents the electrical potential difference that drives current through the load, which can be a resistor, motor, or other devices that consume electrical power. The voltage - load relationship is crucial for determining how much power the load will utilize and how it will affect the overall circuit performance. Properly managing voltage - load is essential for ensuring devices operate efficiently and safely within their specified limits.
2.7V~5.5V - Fault Protection
Protection against electric shock under. single fault conditions.
Current Limiting (Adjustable), Over Temperature, Reverse Current - Rds On (Typ)
The parameter "Rds On (Typ)" in electronic components refers to the typical on-state resistance of a MOSFET (Metal-Oxide-Semiconductor Field-Effect Transistor) when it is fully conducting. This parameter indicates the resistance encountered by the current flowing through the MOSFET when it is in the on-state, which affects the power dissipation and efficiency of the component. A lower Rds On value indicates better conduction and lower power loss in the MOSFET. Designers often consider this parameter when selecting components for applications where minimizing power loss and maximizing efficiency are critical factors.
35mOhm - Features
In the context of electronic components, the term "Features" typically refers to the specific characteristics or functionalities that a particular component offers. These features can vary depending on the type of component and its intended use. For example, a microcontroller may have features such as built-in memory, analog-to-digital converters, and communication interfaces like UART or SPI.When evaluating electronic components, understanding their features is crucial in determining whether they meet the requirements of a particular project or application. Engineers and designers often look at features such as operating voltage, speed, power consumption, and communication protocols to ensure compatibility and optimal performance.In summary, the "Features" parameter in electronic components describes the unique attributes and capabilities that differentiate one component from another, helping users make informed decisions when selecting components for their electronic designs.
Slew Rate Controlled, Status Flag - Height1.48mm
- Length4.93mm
- Width3.94mm
- REACH SVHC
The parameter "REACH SVHC" in electronic components refers to the compliance with the Registration, Evaluation, Authorization, and Restriction of Chemicals (REACH) regulation regarding Substances of Very High Concern (SVHC). SVHCs are substances that may have serious effects on human health or the environment, and their use is regulated under REACH to ensure their safe handling and minimize their impact.Manufacturers of electronic components need to declare if their products contain any SVHCs above a certain threshold concentration and provide information on the safe use of these substances. This information allows customers to make informed decisions about the potential risks associated with using the components and take appropriate measures to mitigate any hazards.Ensuring compliance with REACH SVHC requirements is essential for electronics manufacturers to meet regulatory standards, protect human health and the environment, and maintain transparency in their supply chain. It also demonstrates a commitment to sustainability and responsible manufacturing practices in the electronics industry.
No SVHC - Radiation Hardening
Radiation hardening is the process of making electronic components and circuits resistant to damage or malfunction caused by high levels of ionizing radiation, especially for environments in outer space (especially beyond the low Earth orbit), around nuclear reactors and particle accelerators, or during nuclear accidents or nuclear warfare.
No - RoHS Status
RoHS means “Restriction of Certain Hazardous Substances” in the “Hazardous Substances Directive” in electrical and electronic equipment.
ROHS3 Compliant - Lead Free
Lead Free is a term used to describe electronic components that do not contain lead as part of their composition. Lead is a toxic material that can have harmful effects on human health and the environment, so the electronics industry has been moving towards lead-free components to reduce these risks. Lead-free components are typically made using alternative materials such as silver, copper, and tin. Manufacturers must comply with regulations such as the Restriction of Hazardous Substances (RoHS) directive to ensure that their products are lead-free and environmentally friendly.
Lead Free
MIC2545A Functional Block Diagram
The following is the Block Diagram of MIC2545A.

Block Diagram
MIC2545A Functional Characteristics Test Circuit
The following diagram shows the MIC2545A Functional Characteristics Test Circuit.

Functional Characteristics Test Circuit
MIC2545A Equivalent
| Model number | Manufacturer | Description |
| MIC2545A-2YN | Microchip Technology Inc | 0.5A BUF OR INV BASED PRPHL DRVR, PDIP8 |
| MIC2545A-2BM | Microchip Technology Inc | Buffer/Inverter Based Peripheral Driver, 1 Driver, 0.5A, CMOS, PDSO8, SOIC-8 |
| MIC2545A-1BTS | Rochester Electronics LLC | 0.5A BUF OR INV BASED PRPHL DRVR, PDSO14, TSSOP-14 |
| L99DZ70XP | STMicroelectronics | Door actuator driver with 6 bridges for double door lock control, mirror fold and mirror axis control, highside driver for mirror |
| MIC2545A-2YM | Microchip Technology Inc | 0.5A BUF OR INV BASED PRPHL DRVR, PDSO8 |
| MIC2545A-1YN | Microchip Technology Inc | 0.5A BUF OR INV BASED PRPHL DRVR, PDIP8 |
| MIC2545A-1YTS | Microchip Technology Inc | 0.5A BUF OR INV BASED PRPHL DRVR, PDSO14 |
| MIC2545A-2YTS | Microchip Technology Inc | 0.5A BUF OR INV BASED PRPHL DRVR, PDSO14 |
| MIC2545A-1BMTR | Rochester Electronics LLC | 0.5A BUF OR INV BASED PRPHL DRVR, PDSO8, SOIC-8 |
| MIC2545A-2YM-TR | Microchip Technology Inc | 0.5A BUF OR INV BASED PRPHL DRVR, PDSO8 |
Parts with Similar Specs
- ImagePart NumberManufacturerPackage / CaseNumber of PinsNumber of OutputsCurrent - Output (Max)Max Output CurrentInterfaceMin Supply VoltageMax Supply VoltageView Compare
MIC2545A-2YM
8-SOIC (0.154, 3.90mm Width)
8
1
3A
3 A
On/Off
2.7 V
5.5 V
8-SOIC (0.154, 3.90mm Width)
8
-
-
2.5 A
On/Off
-
-
8-SOIC (0.154, 3.90mm Width)
8
1
3A
3 A
On/Off
1.6 V
5.5 V
8-SOIC (0.154, 3.90mm Width)
8
1
3A
3 A
On/Off
1.6 V
5.5 V
8-SOIC (0.154, 3.90mm Width)
8
1
3A
3 A
On/Off
2.7 V
5.5 V
MIC2545A Applications
● USB power distribution
● PCI Bus Power Switching
● Notebook PC
● ACPI power distribution
● PC card hot swap applications
● Inrush current-limiting
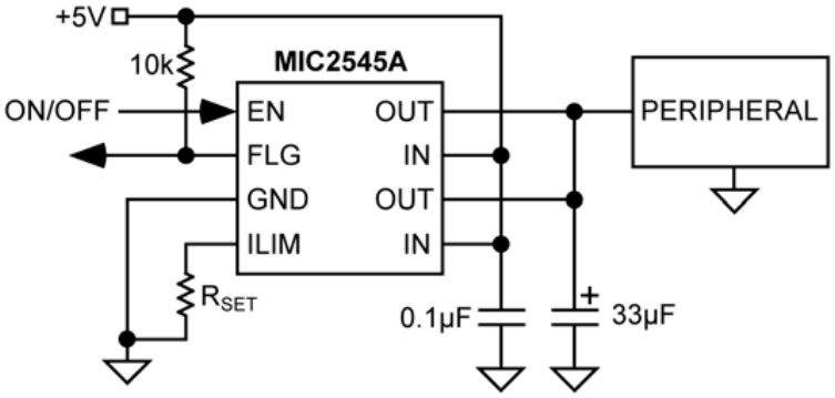
MIC2545A Typical Application
The following figure is the diagram of MIC2545A Typical Application.

Typical Application
MIC2545A Package
The following diagrams show the MIC2545A Package.

Top View

Bottom View

End View

Detail “A”
MIC2545A Manufacturer
Microchip Technology Inc. is a leading provider of microcontroller and analog semiconductors, providing low-risk product development, lower total system cost and faster time to market for thousands of diverse customer applications worldwide. Headquartered in Chandler, Arizona, Microchip offers outstanding technical support along with dependable delivery and quality.
Datasheet PDF
- PCN Assembly/Origin :
- Datasheets :
- PCN Design/Specification :
- PCN Packaging :
- ConflictMineralStatement :
How many pins of MIC2545A-2YM?
8 Pins.
What’s the operating temperature of MIC2545A-2YM?
-40°C~85°C TA.
What is the essential property of the MIC2545A?
The MIC2545A is integrated high-side power switch optimized for low-loss DC power switching and other power-management applications, including advanced configuration and power interface (ACPI).
STM32F401RCT6: Features, Applications, and Datasheet26 December 20234289
AT89C51 Microcontroller: Pin Description, Datasheet, Programming18 November 202122444
ADF4351 Synthesizer: Datasheet, Pinout and Alternatives24 August 20219038
LM311NG Single Comparator: Pinout, Equivalent and Datasheet17 March 20222293
TL074ID vs. TL084ID - What is the Difference?09 March 2022745
LM1117MP-3.3 Voltage Regulator: Pinout, Datasheet and Schematic06 September 20219614
NCP1117ST33T3G: Overview, Features, and Datasheet13 November 2023489
AD584 Precision Voltage Reference: Pinout, Features and Datasheet [FAQ]06 May 20222519
Comprehensive Analysis of Switching Power Supply Circuits30 November 202111016
What is Color Ring Inductor? How to Read Inductor Color Code?01 April 202515427
Comparison of Advantages and Disadvantages of Common Switch Mode Power Supply(SMPS)21 January 20228038
Utmel Discount Coupon is being delivered19 October 20201491
Semiconductor Equipment Is in Short Supply14 March 20223678
What is Universal Serial Bus (USB)?19 January 202612318
What is MCU Decryption?17 January 20221727
Types and Application of Position Sensors31 October 20256742
Microchip Technology
In Stock: 11561
United States
China
Canada
Japan
Russia
Germany
United Kingdom
Singapore
Italy
Hong Kong(China)
Taiwan(China)
France
Korea
Mexico
Netherlands
Malaysia
Austria
Spain
Switzerland
Poland
Thailand
Vietnam
India
United Arab Emirates
Afghanistan
Åland Islands
Albania
Algeria
American Samoa
Andorra
Angola
Anguilla
Antigua & Barbuda
Argentina
Armenia
Aruba
Australia
Azerbaijan
Bahamas
Bahrain
Bangladesh
Barbados
Belarus
Belgium
Belize
Benin
Bermuda
Bhutan
Bolivia
Bonaire, Sint Eustatius and Saba
Bosnia & Herzegovina
Botswana
Brazil
British Indian Ocean Territory
British Virgin Islands
Brunei
Bulgaria
Burkina Faso
Burundi
Cabo Verde
Cambodia
Cameroon
Cayman Islands
Central African Republic
Chad
Chile
Christmas Island
Cocos (Keeling) Islands
Colombia
Comoros
Congo
Congo (DRC)
Cook Islands
Costa Rica
Côte d’Ivoire
Croatia
Cuba
Curaçao
Cyprus
Czechia
Denmark
Djibouti
Dominica
Dominican Republic
Ecuador
Egypt
El Salvador
Equatorial Guinea
Eritrea
Estonia
Eswatini
Ethiopia
Falkland Islands
Faroe Islands
Fiji
Finland
French Guiana
French Polynesia
Gabon
Gambia
Georgia
Ghana
Gibraltar
Greece
Greenland
Grenada
Guadeloupe
Guam
Guatemala
Guernsey
Guinea
Guinea-Bissau
Guyana
Haiti
Honduras
Hungary
Iceland
Indonesia
Iran
Iraq
Ireland
Isle of Man
Israel
Jamaica
Jersey
Jordan
Kazakhstan
Kenya
Kiribati
Kosovo
Kuwait
Kyrgyzstan
Laos
Latvia
Lebanon
Lesotho
Liberia
Libya
Liechtenstein
Lithuania
Luxembourg
Macao(China)
Madagascar
Malawi
Maldives
Mali
Malta
Marshall Islands
Martinique
Mauritania
Mauritius
Mayotte
Micronesia
Moldova
Monaco
Mongolia
Montenegro
Montserrat
Morocco
Mozambique
Myanmar
Namibia
Nauru
Nepal
New Caledonia
New Zealand
Nicaragua
Niger
Nigeria
Niue
Norfolk Island
North Korea
North Macedonia
Northern Mariana Islands
Norway
Oman
Pakistan
Palau
Palestinian Authority
Panama
Papua New Guinea
Paraguay
Peru
Philippines
Pitcairn Islands
Portugal
Puerto Rico
Qatar
Réunion
Romania
Rwanda
Samoa
San Marino
São Tomé & Príncipe
Saudi Arabia
Senegal
Serbia
Seychelles
Sierra Leone
Sint Maarten
Slovakia
Slovenia
Solomon Islands
Somalia
South Africa
South Sudan
Sri Lanka
St Helena, Ascension, Tristan da Cunha
St. Barthélemy
St. Kitts & Nevis
St. Lucia
St. Martin
St. Pierre & Miquelon
St. Vincent & Grenadines
Sudan
Suriname
Svalbard & Jan Mayen
Sweden
Syria
Tajikistan
Tanzania
Timor-Leste
Togo
Tokelau
Tonga
Trinidad & Tobago
Tunisia
Turkey
Turkmenistan
Turks & Caicos Islands
Tuvalu
U.S. Outlying Islands
U.S. Virgin Islands
Uganda
Ukraine
Uruguay
Uzbekistan
Vanuatu
Vatican City
Venezuela
Wallis & Futuna
Yemen
Zambia
Zimbabwe


Product
Brand
Articles
Tools













