A940 PNP Transistor: 2SA940 150V 1.5A Power Transistor, TO-220 and Equivalents
A940C datasheet pdf and Unclassified product details from FeiHong stock available at Utmel









A940 is a TO-220 packaged PNP BJT transistor. This article is going to explain pinout, features, applications, equivalents, and other details about the A940 transistor.

How to make Audio Amplifier Using Transistor A940 BC547 - Audio amplifier circuit diagram
What is A940?
2SA940 is a PNP BJT transistor in a TO-220 package. This transistor is intended for general-purpose amplification and vertical output circuits, although it is not confined to these applications and can be utilized in a wide range of other applications. It also has a fast switching capability, which makes it excellent for applications that require quick switching. It can drive a maximum load of -1.5A and a maximum load voltage of -150V when used as a switch.
A940 Pinout

A940 Pinout
Specifications
- TypeParameter
- Package / Case
refers to the protective housing that encases an electronic component, providing mechanical support, electrical connections, and thermal management.
TO-220 - Current-Collector (Ic) (Max)1.5A
- Packaging
Semiconductor package is a carrier / shell used to contain and cover one or more semiconductor components or integrated circuits. The material of the shell can be metal, plastic, glass or ceramic.
Tube-packed - Power - Max
Power - Max is a parameter that specifies the maximum amount of power that an electronic component can handle without being damaged. It is typically measured in watts and indicates the upper limit of power that can be safely supplied to the component. Exceeding the maximum power rating can lead to overheating, malfunction, or permanent damage to the component. It is important to consider the power-max rating when designing circuits or systems to ensure proper operation and longevity of the electronic components.
25W - Voltage - Collector Emitter Breakdown (Max)
Voltage - Collector Emitter Breakdown (Max) is a parameter that specifies the maximum voltage that can be applied between the collector and emitter terminals of a transistor or other semiconductor device before it breaks down and allows excessive current to flow. This parameter is crucial for ensuring the safe and reliable operation of the component within its specified limits. Exceeding the maximum breakdown voltage can lead to permanent damage or failure of the device. Designers and engineers must carefully consider this parameter when selecting components for their circuits to prevent potential issues and ensure proper functionality.
150V - RoHS Status
RoHS means “Restriction of Certain Hazardous Substances” in the “Hazardous Substances Directive” in electrical and electronic equipment.
RoHS Compliant
A940 Features
Type: PNP
Collector-Emitter Voltage: -150 V
Collector-Base Voltage: -150 V
Emitter-Base Voltage: -5 V
Collector Current: -1.5 A
Collector Dissipation: 25 W
DC Current Gain (hfe): 40 to 140
Transition Frequency: 4 MHz
Operating and Storage Junction Temperature Range: -55 to +150 °C
Package: TO-220
A940 Applications
Darlington Pair
Audio Amplifiers
Vertical Output Circuitry
Switching Loads under -1.5A
Many general-purpose applications
A940 Equivalents
2SC2073, 2SA1304, 2SA740, 2SA940 A, 2SB546, 2SB546A, 2SB547, 2SB630, KSA1304, KSA940, KSB546, MJE15031, MJE15031G, MJE5850, MJE5850G, MJF15031, MJF15031G
Where to use A940?
The A940 is primarily intended for use in vertical output circuitry and general-purpose audio amplification, although it is not confined to these uses and can be utilized for a wide range of other applications. It can also be used as a switch to drive a wide range of loads under -1.5A, such as high-power transistors, high-power LEDs, Relays, ICs, and circuit components. Its general-purpose audio amplification applications include audio amplifiers and high-power audio amplifier stages.
How to run A940 in a safe circuit?
It is recommended that you do not utilize a component to its absolute maximum ratings and instead use it 20 percent below those ratings for long-life performance. The same is true for the A940 transistor; the transistor's maximum collector current is -1.5A, therefore do not drive a load of more than 1.2A. Because the maximum collector to emitter voltage is -150V, do not drive loads higher than -120V. Use a proper heat sink with the transistor, and always store or operate it at temperatures between -55 and +150 degrees Celsius.
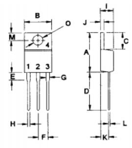
A940 Package Dimensions

A940 Package Dimensions
A940 Manufacturer
Toshiba is a world leader and innovator in pioneering high technology, a diversified manufacturer and marketer of advanced electronic and electrical products spanning information & communications systems; digital consumer products; electronic devices and components; power systems, including nuclear energy; industrial and social infrastructure systems; and home appliances. Toshiba was founded in 1875, and today operates a global network of more than 740 companies, with 204,000 employees worldwide and annual sales surpassing 6.3 trillion yen (US$68 billion).
What is A940 used for?
A940 PNP 1.5A 150V power transistor used for general purpose power amplifier applications.
What is the voltage of A940?
150V
Can A940 be replaced with 2SC5200?
No. The A940 medium power pair tube is 25W, which is commonly used in the booster stage; the 2SC5200 high power pair tube is 150W, which is used in the power output stage.
What is the purpose of the 2SA940 transistor?
The 2SA940 is intended for general-purpose amplification and vertical output circuits.
What does 2SA940 have?
It has a fast switching capability.
What is the maximum load voltage of 2SA940 when used as a switch?
-150V
STM32F723E-DISCO Communities and Development Resources Guide07 June 2025114
ATMEGA128-16AU 8-bit Microcontrollers - MCU 128kB Flash: Pinout, Datasheet, and Applications04 March 20224818
Top Tips for Getting Started with EP2C5T144C8N FPGA Boards23 July 2025121
LT1083CK Voltage Regulator: Feature, Specification, and Datasheet02 July 20211222
AP63205WU-7 Switching Voltage Regulator: 5V 2A TSOT26, AP63205WU-7 Regulators Datasheet14 January 20222504
ULQ2003 Darlington Array: Pinout, Features and Datasheet29 November 20213022
AD7701BNZ ADC: Pinout, Specification, and Datasheet01 June 2021901
DS1693 RTC: Datasheet, Pinout, Features31 August 2021434
What is GND in a Circuit?08 December 202136876
What is Comparator?11 April 20225676
Foxconn Announces Investment of $9 Billion to Build a Chip Factory in Saudi Arabia15 March 20225160
50 Frequently Asked Questions about Oscilloscope22 November 202110119
Facial Recognition: Features, Working and Applications02 September 20218728
Buffer Amplifier | Operating Principle, Advantages, and Applications21 July 20257440
Laser diodes or LEDs what sets them apart14 July 2025712
BB5 Series MCU: Features, Applications and Comparison19 November 20212584
FeiHong
In Stock
United States
China
Canada
Japan
Russia
Germany
United Kingdom
Singapore
Italy
Hong Kong(China)
Taiwan(China)
France
Korea
Mexico
Netherlands
Malaysia
Austria
Spain
Switzerland
Poland
Thailand
Vietnam
India
United Arab Emirates
Afghanistan
Åland Islands
Albania
Algeria
American Samoa
Andorra
Angola
Anguilla
Antigua & Barbuda
Argentina
Armenia
Aruba
Australia
Azerbaijan
Bahamas
Bahrain
Bangladesh
Barbados
Belarus
Belgium
Belize
Benin
Bermuda
Bhutan
Bolivia
Bonaire, Sint Eustatius and Saba
Bosnia & Herzegovina
Botswana
Brazil
British Indian Ocean Territory
British Virgin Islands
Brunei
Bulgaria
Burkina Faso
Burundi
Cabo Verde
Cambodia
Cameroon
Cayman Islands
Central African Republic
Chad
Chile
Christmas Island
Cocos (Keeling) Islands
Colombia
Comoros
Congo
Congo (DRC)
Cook Islands
Costa Rica
Côte d’Ivoire
Croatia
Cuba
Curaçao
Cyprus
Czechia
Denmark
Djibouti
Dominica
Dominican Republic
Ecuador
Egypt
El Salvador
Equatorial Guinea
Eritrea
Estonia
Eswatini
Ethiopia
Falkland Islands
Faroe Islands
Fiji
Finland
French Guiana
French Polynesia
Gabon
Gambia
Georgia
Ghana
Gibraltar
Greece
Greenland
Grenada
Guadeloupe
Guam
Guatemala
Guernsey
Guinea
Guinea-Bissau
Guyana
Haiti
Honduras
Hungary
Iceland
Indonesia
Iran
Iraq
Ireland
Isle of Man
Israel
Jamaica
Jersey
Jordan
Kazakhstan
Kenya
Kiribati
Kosovo
Kuwait
Kyrgyzstan
Laos
Latvia
Lebanon
Lesotho
Liberia
Libya
Liechtenstein
Lithuania
Luxembourg
Macao(China)
Madagascar
Malawi
Maldives
Mali
Malta
Marshall Islands
Martinique
Mauritania
Mauritius
Mayotte
Micronesia
Moldova
Monaco
Mongolia
Montenegro
Montserrat
Morocco
Mozambique
Myanmar
Namibia
Nauru
Nepal
New Caledonia
New Zealand
Nicaragua
Niger
Nigeria
Niue
Norfolk Island
North Korea
North Macedonia
Northern Mariana Islands
Norway
Oman
Pakistan
Palau
Palestinian Authority
Panama
Papua New Guinea
Paraguay
Peru
Philippines
Pitcairn Islands
Portugal
Puerto Rico
Qatar
Réunion
Romania
Rwanda
Samoa
San Marino
São Tomé & Príncipe
Saudi Arabia
Senegal
Serbia
Seychelles
Sierra Leone
Sint Maarten
Slovakia
Slovenia
Solomon Islands
Somalia
South Africa
South Sudan
Sri Lanka
St Helena, Ascension, Tristan da Cunha
St. Barthélemy
St. Kitts & Nevis
St. Lucia
St. Martin
St. Pierre & Miquelon
St. Vincent & Grenadines
Sudan
Suriname
Svalbard & Jan Mayen
Sweden
Syria
Tajikistan
Tanzania
Timor-Leste
Togo
Tokelau
Tonga
Trinidad & Tobago
Tunisia
Turkey
Turkmenistan
Turks & Caicos Islands
Tuvalu
U.S. Outlying Islands
U.S. Virgin Islands
Uganda
Ukraine
Uruguay
Uzbekistan
Vanuatu
Vatican City
Venezuela
Wallis & Futuna
Yemen
Zambia
Zimbabwe


